电脑桌面
添加蜗牛文库到电脑桌面
安装后可以在桌面快捷访问

GB 10779-1989 婴幼儿辅助食品 鸡肉菜糊.pdfVIP免费

GB 10779-1989 婴幼儿辅助食品 鸡肉菜糊.pdf_第1页
GB 10779-1989 婴幼儿辅助食品 鸡肉菜糊.pdf_第2页
GB 10779-1989 婴幼儿辅助食品 鸡肉菜糊.pdf_第3页
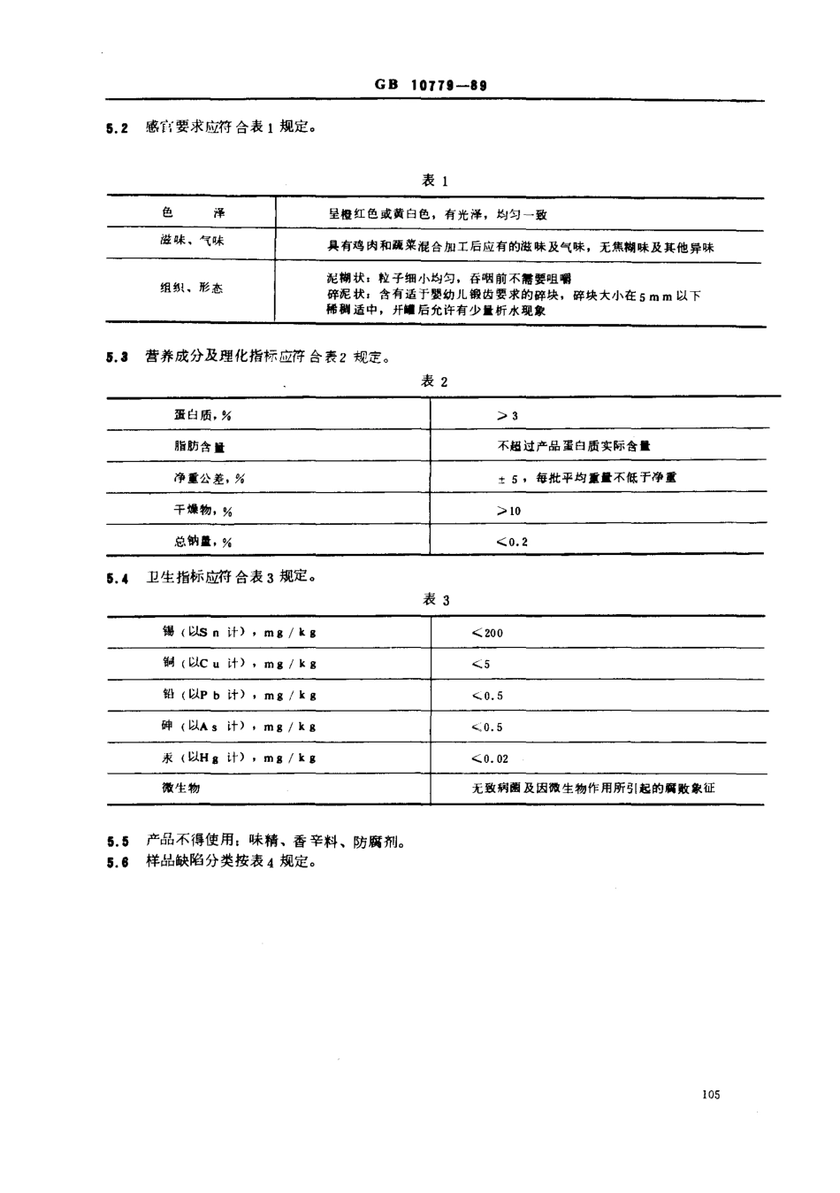
中华人民共和国国家标准儿辅UDC613.22GB10779-89品食糊助.一l菜Supplementaryfoods肉for幼鸡婴infants-Chickenvegetobleandyoungchildrenpaste本标准参照采用FAO/WHO食品法规委员会(CAC)CODEXSTAN73-1981(婴幼儿食品峭头标准》。1主肠内容与适用范围本标准规定了鸡肉菜泥的技术要求、试验方法、检验规则和产品的标志、包装、运输,贮存要求。本标准适用于以瘦鸡肉和蕃茄(或蕃茄酱)、胡萝卜等疏菜为原料,经配制加工适于5个月以上婴幼儿食用的鸡肉菜泥。2引用标准GB4789.26食品卫生微生物学检验罐头检验GB5009.5食品中蛋白质的测定方法GB5009.6食品中脂肪的测定方法GB5009.11食品中总砷测定方法GB5009.12食品中铅测定方法GB5009.13食品中铜测定方法GB5009.16食品中锡测定方法GB5009.17食品中总汞测定方法GB7718食品标签通用标准QB220罐头食品试验方法3术语3.1婴儿指‘到岭在12个月以内的小儿。3.2幼儿指年龄在1一3周岁的小儿。4产品分类按形态分成泥糊状和碎泥状二类‘.1泥糊状:吞咽前不需咀嚼的细泥。4.2碎泥状:含有适于锻齿要求的碎块。5技术要求5.1原料要求见附录A“原料要求”(补充件)。中华人民共和国轻工业部1989-03一31批准1990一01一01实施GB10779-895.2感官要求应符合表1规定。表1滋味,呈祖红色或黄白色,有光泽,均匀一致组织,形态具有鸡肉和疏菜混合加工后应有的滋味及气味,无焦糊味及其他异味泥糊状:粒子细小均匀.吞咽前不需要咀喝碎泥状:含有适于婴幼儿锻齿要求的碎块,碎块大小在smm以下稀稠适中,开姗后允许有少最析水现象厅.a营养成分及理化指标应符o表2规定。表2蛋白质,%脂肪含盆不超过产品蛋白质实际含8k净重公差,%土5,每批平均重8f不低于净重干澡物,%>IO总钠里,%<0.26.4卫生指标应符合表3规定。表3锡(以Sn计),mg/kg喊200铜〔以Cu计),mg/kgI-5铅(以Pb计),mg/kg40。5砷(以^sit),mg/k.

1、当您付费下载文档后,您只拥有了使用权限,并不意味着购买了版权,文档只能用于自身使用,不得用于其他商业用途(如 [转卖]进行直接盈利或[编辑后售卖]进行间接盈利)。
2、本站所有内容均由合作方或网友上传,本站不对文档的完整性、权威性及其观点立场正确性做任何保证或承诺!文档内容仅供研究参考,付费前请自行鉴别。
3、如文档内容存在违规,或者侵犯商业秘密、侵犯著作权等,请点击“违规举报”。

碎片内容

蜗牛文库的最新文档

二年级数学下册其中检测卷二年级数学下册其中检测卷附答案#期中测试卷.pdf
10.00金币
0下载
二年级数学下册期末质检卷(苏教版)二年级数学下册期末质检卷(苏教版)#期末复习 #期末测试卷 #二年级数学 #二年级数学下册#关注我持续更新小学知识.pdf
10.00金币
0下载
二年级数学下册期末混合运算专项练习二年级数学下册期末混合运算专项练习#二年级#二年级数学下册#关注我持续更新小学知识 #知识分享 #家长收藏孩子受益.pdf
10.00金币
1下载
二年级数学下册年月日三类周期问题解题方法二年级数学下册年月日三类周期问题解题方法#二年级#二年级数学下册#知识分享 #关注我持续更新小学知识 #家长收藏孩子受益.pdf
10.00金币
0下载
二年级数学下册解决问题专项训练二年级数学下册解决问题专项训练#专项训练#解决问题#二年级#二年级数学下册#知识分享.pdf
10.00金币
1下载
二年级数学下册还原问题二年级数学下册还原问题#二年级#二年级数学#关注我持续更新小学知识 #知识分享 #家长收藏孩子受益.pdf
10.00金币
1下载
二年级数学下册第六单元考试卷家长打印出来给孩子测试测试争取拿到高分!#小学二年级试卷分享 #二年级第六单考试数学 #第六单考试#二年级数学下册.pdf
10.00金币
0下载
二年级数学下册必背顺口溜口诀汇总二年级数学下册必背顺口溜口诀汇总#二年级#二年级数学下册 #知识分享 #家长收藏孩子受益 #关注我持续更新小学知识.pdf
10.00金币
0下载
二年级数学下册《重点难点思维题》两大问题解决技巧和方法巧算星期几解决周期问题还原问题强化思维训练老师精心整理家长可以打印出来给孩子练习#家长收藏孩子受益 #学霸秘籍 #思维训练 #二年级 #知识点总结.pdf
10.00金币
0下载
二年级数学下册 必背公式大全寒假提前背一背开学更轻松#二年级 #二年级数学 #二年级数学下册 #寒假充电计划 #公式.pdf
10.00金币
0下载
蜗牛文库+ 关注
实名认证
内容提供者

提供各种专业文档内容

确认删除?
QQ
  • QQ点击这里给我发消息
微信客服
  • 微信客服