电脑桌面
添加蜗牛文库到电脑桌面
安装后可以在桌面快捷访问

GB 10775-1989 婴幼儿辅助食品 苹果泥.pdfVIP免费

GB 10775-1989 婴幼儿辅助食品 苹果泥.pdf_第1页
GB 10775-1989 婴幼儿辅助食品 苹果泥.pdf_第2页
GB 10775-1989 婴幼儿辅助食品 苹果泥.pdf_第3页
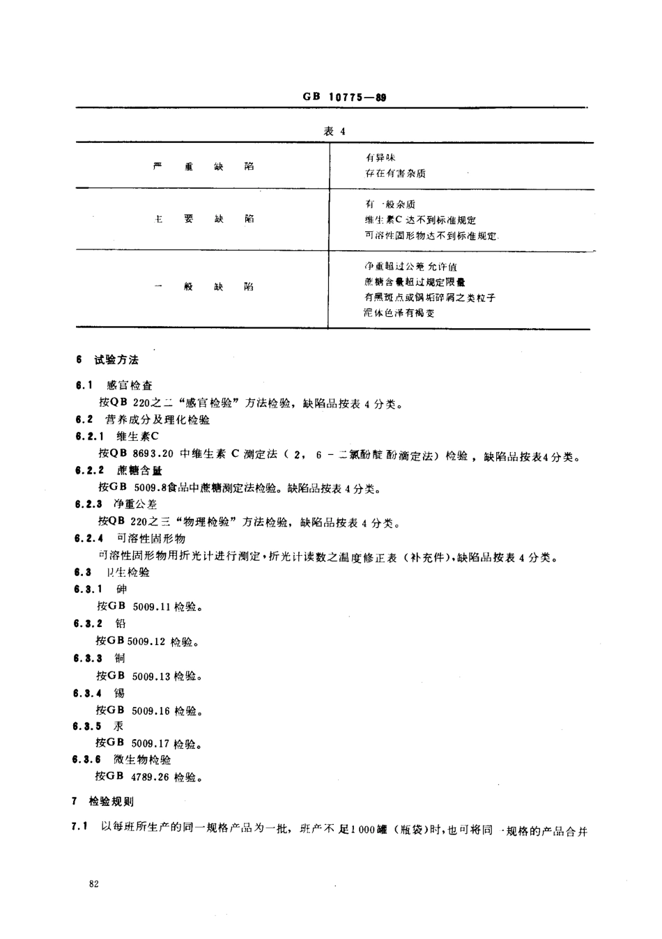
中华人民共和国国家标准婴幼儿辅助食品苹果泥SupplementaryfoodsforInfantsandyoungchildren-UDC613.22GB10775一朋Applepaste本标准参照采用FAO/WHO食品法规委员会(CAC)CODEXSTAN73-1981(婴幼儿食品峨头标准》。1主题内容与适用范围本标准规定了苹果泥的技术要求、试验方法、检验规则和产品的标志、包装、运输、贮存要求。本标准适用于以苹果、蜂蜜、葡萄搪(或白砂搪)为原料,经加工制成适于婴幼儿食用的苹果泥。引用标准GB4789.26食品卫生微生物学检验罐头检验GB5009.8食品中蔗糖含量测定方法GB5009.11食品中总砷测定方法GB5009.12食品中铅测定方法GB5009.13食品中铜测定方法GB5009.16食品中锡测定方法GB5009.17食品中总求测定方法GB7718食品标签通用标准QB220箱头食品试验方法QB869婴儿食品营养及卫生标准3术语3.1婴儿指年龄在12个月以内的小儿3.2幼儿指年龄在I一3周岁的小儿4产品分类:一;:一;按形态分成泥糊状和碎泥状二类:泥糊状:吞咽前不需咀嚼的细泥。碎泥状:含有适于锻齿要求的碎块。技术要求原料要求见附录A.原料要求n1补充件)。感官要求应符合表1的规定。中华人民共和国轻工业部1966一08一31批准1990一Z一01实施GB107T6-肠表1项目要求色泽呈浅黄色或青黄色,泥体有光泽,均匀一致滋味、气味具有苹果和蜂蜜经加工后应有的滋味及气味组织、形态泥期状:拉子细小均匀,吞咽前不需要咀嚼碎泥状:含有适于婴幼儿锻齿要求的碎块,碎块大小在smm以下,稀稠适中,开魄后允许有少盆析水现象肠.匀营养成分及理化指标应符合表2规定。表2维生素C,mg/l00g户30蔗箱,%G5净重公差,%士5,每批平均重盘不低于净重可溶性固形物开幼时以折光计(201C),%10一14‘二卫生指标应符合表3规定。表3项目指标锡(以Sn[于),mg/kg6200稠(以Cu计),mg/kg《5铅(以Pb计),mg/kgG05砷(以^9计).mg/kg《0。5禾(以Hg计),mg/kg《002微生物无致病菌及因微生物作用所引起的腐败象征5.吕5.6产品不得使用色素、香精、箱精、防腐剂。样品缺陷分类按表9规定。GB10775一助表4严重缺陷有异味存在有害杂质毛要缺陷有一般杂质维生素C达不到标准规定可in性固形物达不到标准规定一般缺陷净重超过公差允许f$蔗楠含蛋超过规定限量有黑斑点或锅垢碎屑之类校子泥体色泽有褐变5试验方法5.1感官检查按QB220之二“感官检验”方法检验,缺陷品按表4分类。62营养成分及理化检验6.2.1维生素C按QB8693.2。中维生素C测定法(2,6一二氯酚靛酚滴定法)检验,缺陷品按表4分类。二2.2蔗搪含fli按GB5009.8食品...

1、当您付费下载文档后,您只拥有了使用权限,并不意味着购买了版权,文档只能用于自身使用,不得用于其他商业用途(如 [转卖]进行直接盈利或[编辑后售卖]进行间接盈利)。
2、本站所有内容均由合作方或网友上传,本站不对文档的完整性、权威性及其观点立场正确性做任何保证或承诺!文档内容仅供研究参考,付费前请自行鉴别。
3、如文档内容存在违规,或者侵犯商业秘密、侵犯著作权等,请点击“违规举报”。

碎片内容

蜗牛文库的最新文档

二年级数学下册其中检测卷二年级数学下册其中检测卷附答案#期中测试卷.pdf
10.00金币
0下载
二年级数学下册期末质检卷(苏教版)二年级数学下册期末质检卷(苏教版)#期末复习 #期末测试卷 #二年级数学 #二年级数学下册#关注我持续更新小学知识.pdf
10.00金币
0下载
二年级数学下册期末混合运算专项练习二年级数学下册期末混合运算专项练习#二年级#二年级数学下册#关注我持续更新小学知识 #知识分享 #家长收藏孩子受益.pdf
10.00金币
1下载
二年级数学下册年月日三类周期问题解题方法二年级数学下册年月日三类周期问题解题方法#二年级#二年级数学下册#知识分享 #关注我持续更新小学知识 #家长收藏孩子受益.pdf
10.00金币
0下载
二年级数学下册解决问题专项训练二年级数学下册解决问题专项训练#专项训练#解决问题#二年级#二年级数学下册#知识分享.pdf
10.00金币
1下载
二年级数学下册还原问题二年级数学下册还原问题#二年级#二年级数学#关注我持续更新小学知识 #知识分享 #家长收藏孩子受益.pdf
10.00金币
1下载
二年级数学下册第六单元考试卷家长打印出来给孩子测试测试争取拿到高分!#小学二年级试卷分享 #二年级第六单考试数学 #第六单考试#二年级数学下册.pdf
10.00金币
0下载
二年级数学下册必背顺口溜口诀汇总二年级数学下册必背顺口溜口诀汇总#二年级#二年级数学下册 #知识分享 #家长收藏孩子受益 #关注我持续更新小学知识.pdf
10.00金币
0下载
二年级数学下册《重点难点思维题》两大问题解决技巧和方法巧算星期几解决周期问题还原问题强化思维训练老师精心整理家长可以打印出来给孩子练习#家长收藏孩子受益 #学霸秘籍 #思维训练 #二年级 #知识点总结.pdf
10.00金币
0下载
二年级数学下册 必背公式大全寒假提前背一背开学更轻松#二年级 #二年级数学 #二年级数学下册 #寒假充电计划 #公式.pdf
10.00金币
0下载
蜗牛文库+ 关注
实名认证
内容提供者

提供各种专业文档内容

确认删除?
QQ
  • QQ点击这里给我发消息
微信客服
  • 微信客服
回到顶部