电脑桌面
添加蜗牛文库到电脑桌面
安装后可以在桌面快捷访问

批改过的实验报告 检流计(1).docVIP免费

批改过的实验报告 检流计(1).doc_第1页
批改过的实验报告 检流计(1).doc_第2页
批改过的实验报告 检流计(1).doc_第3页
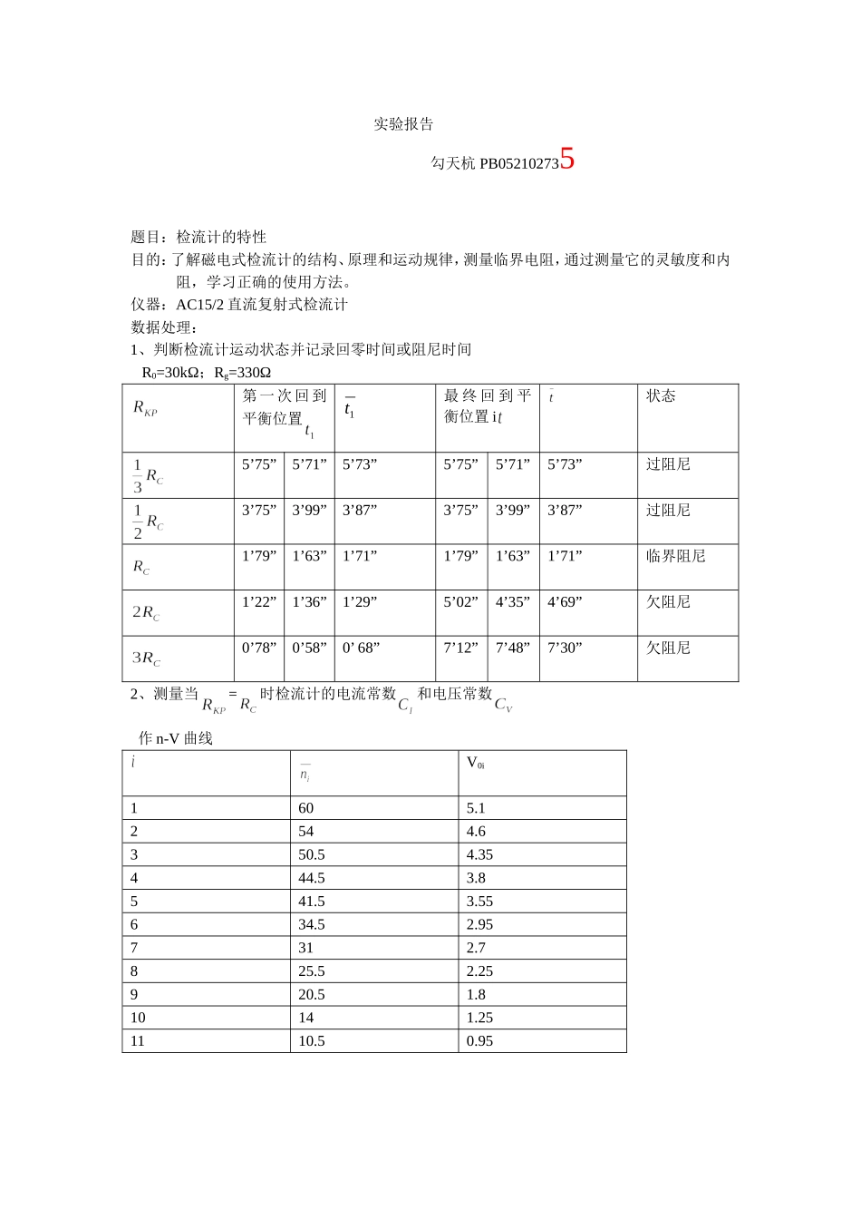
实验报告勾天杭PB052102735题目:检流计的特性目的:了解磁电式检流计的结构、原理和运动规律,测量临界电阻,通过测量它的灵敏度和内阻,学习正确的使用方法。仪器:AC15/2直流复射式检流计数据处理:1、判断检流计运动状态并记录回零时间或阻尼时间R0=30kΩ;Rg=330Ω第一次回到平衡位置1t最终回到平衡位置i状态5’75”5’71”5’73”5’75”5’71”5’73”过阻尼3’75”3’99”3’87”3’75”3’99”3’87”过阻尼1’79”1’63”1’71”1’79”1’63”1’71”临界阻尼1’22”1’36”1’29”5’02”4’35”4’69”欠阻尼0’78”0’58”0’68”7’12”7’48”7’30”欠阻尼2、测量当=时检流计的电流常数和电压常数作n-V曲线V0i1605.12544.6350.54.35444.53.8541.53.55634.52.957312.7825.52.25920.51.810141.251110.50.95图线如下:LinearRegressionforData4_B:要有误差分析Y=A+B*XParameterValueError------------------------------------------------------------A-0.975570.18381B11.928870.05568------------------------------------------------------------RSDNP------------------------------------------------------------0.99990.2432411<0.0001------------------------------------------------------------∴K=Δn/ΔV=11.93mm/V3、测量阻尼时间Tc标准不确定度:P=0.683,n=3时,t=1.32∴4、测量自由振荡周期T0标准不确定度:P=0.683,n=3时,t=1.32∴这样测出的T0不是真正的自由振动周期。阻尼系数,当S2断开时,,而D很小,故此时动圈作一衰减系数很小的振动。5、根据步骤2的数据,求最大偏转(60mm)时的IICC和VVCC由可得:ΔV0=0.5/100*7.5=0.0375VΔn=0.5电阻箱有6个旋钮由ΔR=0.1%+0.005*m/R:ΔR0=0.1%+0.005*6/30000=0.001001ΩΔR1=0.1%+0.005*6/4=0.0085ΩΔRkp=0.1%+0.005*6/26000=0.001001153ΩRg=330Ω,ΔRg=0.5%*Rg=1.65ΩV0=5.1Vn=60mmR0=30000ΩR1=4ΩRkp=26000ΩRg=330Ω代入上式,有:ΔCI/CI=0.015749ΔCV/CV=0.0178116、测量Rkp=0.5RC和Rkp=2RC及满偏n=60mm时的CI、CVRkp=0.5RC=13000Ω时,计算得:=4.426*10-10A/mm=5.9*10-6V/mmRkp=2RC=52000Ω时,这里调节R0的值为20kΩ的原因是,若保持R0=30kΩ不变,当滑动变阻器全部接入电路时仍不能满偏。计算得:=4.25*10-10A/mm=2.22236*10-5V/mm7、关于误差:本试验受环境的影响特别大。检流计受到微小扰动时,其指针就开始左右摆动。实验者用秒表测时间时,断...

1、当您付费下载文档后,您只拥有了使用权限,并不意味着购买了版权,文档只能用于自身使用,不得用于其他商业用途(如 [转卖]进行直接盈利或[编辑后售卖]进行间接盈利)。
2、本站所有内容均由合作方或网友上传,本站不对文档的完整性、权威性及其观点立场正确性做任何保证或承诺!文档内容仅供研究参考,付费前请自行鉴别。
3、如文档内容存在违规,或者侵犯商业秘密、侵犯著作权等,请点击“违规举报”。

碎片内容

蜗牛文库的最新文档

二年级数学下册其中检测卷二年级数学下册其中检测卷附答案#期中测试卷.pdf
10.00金币
0下载
二年级数学下册期末质检卷(苏教版)二年级数学下册期末质检卷(苏教版)#期末复习 #期末测试卷 #二年级数学 #二年级数学下册#关注我持续更新小学知识.pdf
10.00金币
0下载
二年级数学下册期末混合运算专项练习二年级数学下册期末混合运算专项练习#二年级#二年级数学下册#关注我持续更新小学知识 #知识分享 #家长收藏孩子受益.pdf
10.00金币
1下载
二年级数学下册年月日三类周期问题解题方法二年级数学下册年月日三类周期问题解题方法#二年级#二年级数学下册#知识分享 #关注我持续更新小学知识 #家长收藏孩子受益.pdf
10.00金币
0下载
二年级数学下册解决问题专项训练二年级数学下册解决问题专项训练#专项训练#解决问题#二年级#二年级数学下册#知识分享.pdf
10.00金币
1下载
二年级数学下册还原问题二年级数学下册还原问题#二年级#二年级数学#关注我持续更新小学知识 #知识分享 #家长收藏孩子受益.pdf
10.00金币
1下载
二年级数学下册第六单元考试卷家长打印出来给孩子测试测试争取拿到高分!#小学二年级试卷分享 #二年级第六单考试数学 #第六单考试#二年级数学下册.pdf
10.00金币
0下载
二年级数学下册必背顺口溜口诀汇总二年级数学下册必背顺口溜口诀汇总#二年级#二年级数学下册 #知识分享 #家长收藏孩子受益 #关注我持续更新小学知识.pdf
10.00金币
0下载
二年级数学下册《重点难点思维题》两大问题解决技巧和方法巧算星期几解决周期问题还原问题强化思维训练老师精心整理家长可以打印出来给孩子练习#家长收藏孩子受益 #学霸秘籍 #思维训练 #二年级 #知识点总结.pdf
10.00金币
0下载
二年级数学下册 必背公式大全寒假提前背一背开学更轻松#二年级 #二年级数学 #二年级数学下册 #寒假充电计划 #公式.pdf
10.00金币
0下载
蜗牛文库+ 关注
实名认证
内容提供者

提供各种专业文档内容

确认删除?
QQ
  • QQ点击这里给我发消息
微信客服
  • 微信客服
回到顶部