电脑桌面
添加蜗牛文库到电脑桌面
安装后可以在桌面快捷访问

中华人民共和国国家标准-机械工程CAD制图规则.pdfVIP免费

中华人民共和国国家标准-机械工程CAD制图规则.pdf_第1页
中华人民共和国国家标准-机械工程CAD制图规则.pdf_第2页
中华人民共和国国家标准-机械工程CAD制图规则.pdf_第3页
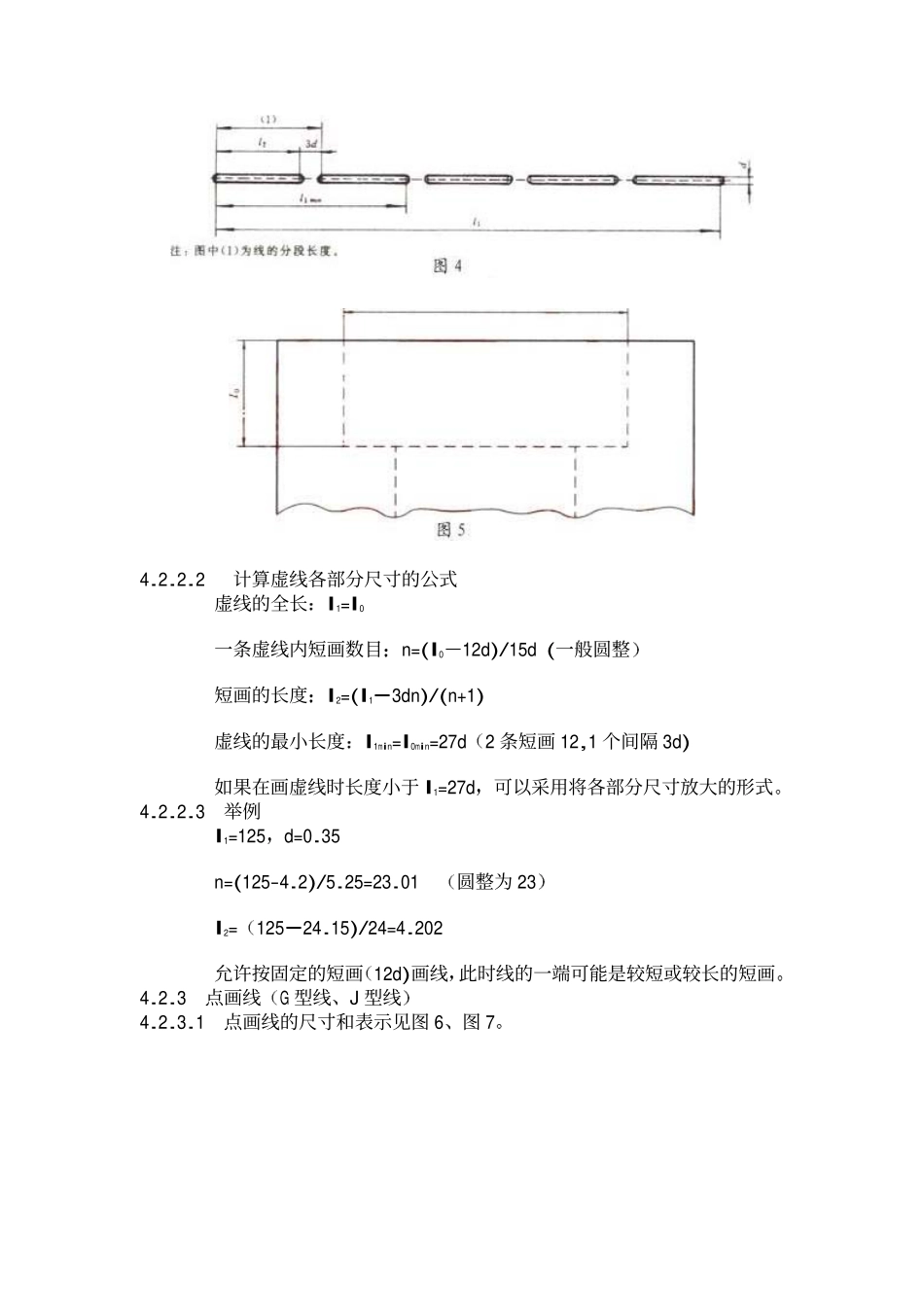
中华人民共和国国家标准机械工程CAD制图规则MechanicalengineeringdrawingsrulesofCADGB/T146651998代替GB/T14665-931.范围本标准规定了机械工程中用计算机辅助设计以下简称CAD时的制图规则本标准适用于在计算机及其处围设备中进行显示绘制打印的机械工程图样及有关技术文件2.引用标准下列标准所包含的条文通过在本标准中引用而构成为本标准的条文本标准出版时所示版本均为有效所有标准都会被修订使用本标准的各方应探讨使用下列标准最新版本的可能性GB/T4458.4-84机械制图尺寸注法GB/T10609.4-89技术制图对缩微复制原件的要求GB/T13362.4-92机械制图用计算机信息交换常用长仿宋矢量字体代符号GB/T13362.5-92机械制图用计算机信息交换常用长仿宋矢量字体代符号数据集GB/T14691-93技术制图字体GB/T174501998技术制图图线3.基本原则3.1凡在计算机及其外围设备中绘制机械工程图样时如涉及本标准中未规定的内容应符合有关标准和规定3.2在机械工程制图中用CAD绘制的机械工程图样首先应考虑表达准确看图方便在完整清晰准确地表达机件各部分形状的前提下力求制图简便3.3用CAD绘制机械图样时尽量采用CAD新技术4.图线在机械工程的CAD制图中所用图线除按照以下的规定外还应遵守GB/T17450中的规定4.1图线组别为了便于机械工程的CAD制图需要将GB/T17450中所规定的8种线型分为以下几组见表1一般优先采用第4组表1组别12345一般用途2.01.41.00.70.5粗实线粗点画线线宽mm1.00.70.50.350.25细实线波浪线双折线虚线细点画线双点画线4.2图线的结构4.2.1双折线4.2.1.1双折线的尺寸和表示见图1图2图34.2.1.2计算双折线各部分尺寸的公式双折线的完整长度l1=l0+10d在一条双折线内Z形的数目n=l1/80+1(一般圆整l1<40n=1)两个Z形之间的线段长度l2=l1/n-7.5d在线的两端的线段长当有两个或多个Z形时l3=l2/2当只有一个Z形时l3=(l1-7.5d)/2l0<=10dZ形的配置如图3所示4.2.1.3举例l0125,d=0.25l1=125+2.5=127.5n=127.5/80+1=2.594(圆整为3)l2=127.5/3-(7.5*0.25)=40.625l3=40.625/2=20.3134.2.2虚线F型线4.2.2.1虚线的尺寸和表示见图4图54.2.2.2计算虚线各部分尺寸的公式虚线的全长l1=l0一条虚线内短画数目n=(l012d)/15d(一般圆整短画的长度l2=(l13dn)/(n+1)虚线的最小长度l1min=l0min=27d2条短画12,1个间隔3d)如果在画虚线时长度小于l1=27d可以采用将各部分尺寸放大的形式4.2.2.3举例l1=125d=0.35n=(125-4.2)/5.25=23.01圆整为23l2=12524.15)/24=4.202允许按固定的短画12d)画线此时...

1、当您付费下载文档后,您只拥有了使用权限,并不意味着购买了版权,文档只能用于自身使用,不得用于其他商业用途(如 [转卖]进行直接盈利或[编辑后售卖]进行间接盈利)。
2、本站所有内容均由合作方或网友上传,本站不对文档的完整性、权威性及其观点立场正确性做任何保证或承诺!文档内容仅供研究参考,付费前请自行鉴别。
3、如文档内容存在违规,或者侵犯商业秘密、侵犯著作权等,请点击“违规举报”。

碎片内容

蜗牛文库的最新文档

二年级数学下册其中检测卷二年级数学下册其中检测卷附答案#期中测试卷.pdf
10.00金币
0下载
二年级数学下册期末质检卷(苏教版)二年级数学下册期末质检卷(苏教版)#期末复习 #期末测试卷 #二年级数学 #二年级数学下册#关注我持续更新小学知识.pdf
10.00金币
0下载
二年级数学下册期末混合运算专项练习二年级数学下册期末混合运算专项练习#二年级#二年级数学下册#关注我持续更新小学知识 #知识分享 #家长收藏孩子受益.pdf
10.00金币
1下载
二年级数学下册年月日三类周期问题解题方法二年级数学下册年月日三类周期问题解题方法#二年级#二年级数学下册#知识分享 #关注我持续更新小学知识 #家长收藏孩子受益.pdf
10.00金币
0下载
二年级数学下册解决问题专项训练二年级数学下册解决问题专项训练#专项训练#解决问题#二年级#二年级数学下册#知识分享.pdf
10.00金币
1下载
二年级数学下册还原问题二年级数学下册还原问题#二年级#二年级数学#关注我持续更新小学知识 #知识分享 #家长收藏孩子受益.pdf
10.00金币
1下载
二年级数学下册第六单元考试卷家长打印出来给孩子测试测试争取拿到高分!#小学二年级试卷分享 #二年级第六单考试数学 #第六单考试#二年级数学下册.pdf
10.00金币
0下载
二年级数学下册必背顺口溜口诀汇总二年级数学下册必背顺口溜口诀汇总#二年级#二年级数学下册 #知识分享 #家长收藏孩子受益 #关注我持续更新小学知识.pdf
10.00金币
0下载
二年级数学下册《重点难点思维题》两大问题解决技巧和方法巧算星期几解决周期问题还原问题强化思维训练老师精心整理家长可以打印出来给孩子练习#家长收藏孩子受益 #学霸秘籍 #思维训练 #二年级 #知识点总结.pdf
10.00金币
0下载
二年级数学下册 必背公式大全寒假提前背一背开学更轻松#二年级 #二年级数学 #二年级数学下册 #寒假充电计划 #公式.pdf
10.00金币
0下载
蜗牛文库+ 关注
实名认证
内容提供者

提供各种专业文档内容

确认删除?
QQ
  • QQ点击这里给我发消息
微信客服
  • 微信客服
回到顶部