电脑桌面
添加蜗牛文库到电脑桌面
安装后可以在桌面快捷访问

QBT 2139.2-1995 不锈钢厨房设备 洗涮台.pdfVIP免费

QBT 2139.2-1995 不锈钢厨房设备 洗涮台.pdf_第1页
QBT 2139.2-1995 不锈钢厨房设备 洗涮台.pdf_第2页
QBT 2139.2-1995 不锈钢厨房设备 洗涮台.pdf_第3页
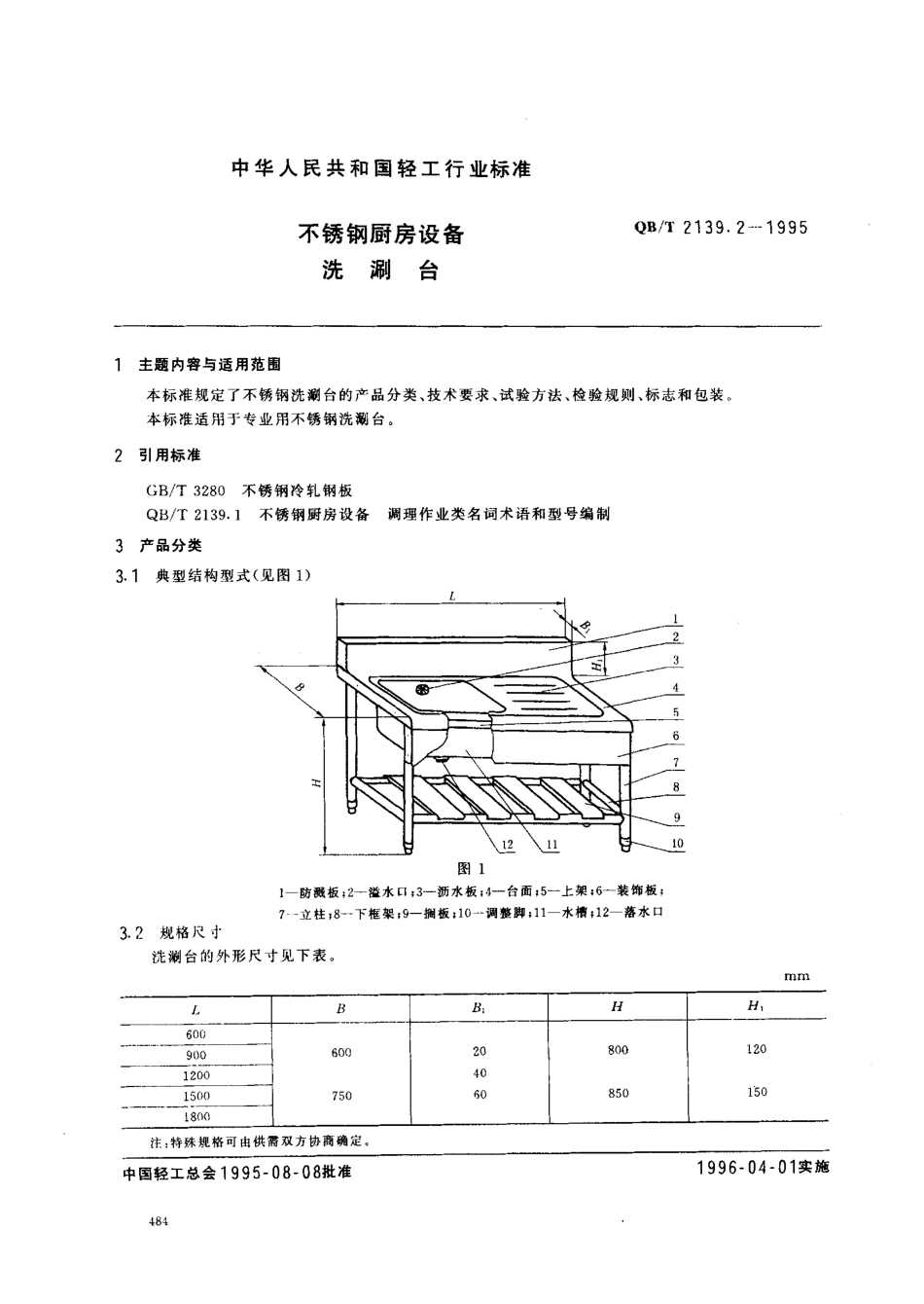
中华人民共和国轻工行业标准不锈钢厨房设备洗测台QB/T2139.2一19951主题内容与适用范围本标准规定了不锈钢洗测台的产品分类、技术要求、试验方法、检验规则、标志和包装。本标准适用于专业用不锈钢洗测台。2引用标准GB/T3280不锈钢冷轧钢板QB/T2139.1不锈钢厨房设备调理作业类名词术语和型号编制3产品分类3.1典型结构型式(见图1>1-防溅板理一滋水「1口一沥水板;7一台面卢一上架6-装饰板;7一立柱:8一下框架四一搁板;10一调整脚;11一水槽;12一落水口3.2规格尺寸洗测台的外形尺寸见下表。mmL13B1H月160060075020406080085012015090012001500生800注特殊规格可由供需双方协商确定。中国轻工总会1995-08-08批准1996-04一01实施484QB/T2139.2一19953.3TJ号编制3.3.1洗m台的V号编制应符合QB/T2139.1的规定。3.3.2示例长度为1800mm,宽度为600mm,第一次设计的双槽带沥水板洗测台。ZS-2SB1860-14技术要求4.1产品所使用的不锈钢原材料应符合GB/T328。中奥氏体和铁素体型不锈钢的有关规定。4.2产品抛光后表面纹理应均匀一致,外表面粗糙度2:为3.2km,且不得有明显划痕、锤印及烧痕4.3产品焊接部位应牢固,焊纹均匀一致,不允许有未焊透、裂纹等缺陷,外露焊缝均应进行抛光或去色处理。4.4产品各连接部位的紧固件应位置均匀,连接牢固。4.5产品与人体接触部位不允许有尖角和毛刺。4.6外形尺寸极限偏差为士3mm,4.7防溅板对台面的垂直度不大于2mm。立柱与台面的垂直度不大于5mm,4.8调整脚应坚固,调整灵活。4.9排水机构和水槽不应有渗水、漏水现象,排水机构应能在2min内将满水槽的水排净4.10水槽底部应能承受iookg载荷,其变形量应小于3mm,4.11产品在490N水平集中力的作用下,框架的变形量应小于15mm·去除作用力后,框架的变形量应小于3mm5试验方法5,1外观质量的检验对4.2,4.3,4.4,4.5,4.8条采用手感、目测检验。5.2尺寸公差的检验对4.6条采用钢卷尺或钢直尺检验。5.3形位公差的检验对4.7条采用90。角尺和钢直尺检验。54水槽满水试验密闭落水口,将水槽中注满清水,静置1h后,检查有无渗、漏现象,然后打开落水口,测量排净水的时间。5.5承载试验在水槽底部中央加lookg的砂袋,静止1h后,取出砂袋,测量受载平面对角线交点处垂直方向变形量。5.6水平受力试验(见图2>将产品置于平稳处,底脚固定,分别从左右上框架中部加490N水平力各5次,每次作用时间为5s,在加载状态下,分别测量受力端的变形量,取其平均值去除作用力后,再测其残留变形量。4R5QB/T21392一199...

1、当您付费下载文档后,您只拥有了使用权限,并不意味着购买了版权,文档只能用于自身使用,不得用于其他商业用途(如 [转卖]进行直接盈利或[编辑后售卖]进行间接盈利)。
2、本站所有内容均由合作方或网友上传,本站不对文档的完整性、权威性及其观点立场正确性做任何保证或承诺!文档内容仅供研究参考,付费前请自行鉴别。
3、如文档内容存在违规,或者侵犯商业秘密、侵犯著作权等,请点击“违规举报”。

碎片内容

蜗牛文库的最新文档

二年级数学下册其中检测卷二年级数学下册其中检测卷附答案#期中测试卷.pdf
10.00金币
0下载
二年级数学下册期末质检卷(苏教版)二年级数学下册期末质检卷(苏教版)#期末复习 #期末测试卷 #二年级数学 #二年级数学下册#关注我持续更新小学知识.pdf
10.00金币
0下载
二年级数学下册期末混合运算专项练习二年级数学下册期末混合运算专项练习#二年级#二年级数学下册#关注我持续更新小学知识 #知识分享 #家长收藏孩子受益.pdf
10.00金币
1下载
二年级数学下册年月日三类周期问题解题方法二年级数学下册年月日三类周期问题解题方法#二年级#二年级数学下册#知识分享 #关注我持续更新小学知识 #家长收藏孩子受益.pdf
10.00金币
0下载
二年级数学下册解决问题专项训练二年级数学下册解决问题专项训练#专项训练#解决问题#二年级#二年级数学下册#知识分享.pdf
10.00金币
1下载
二年级数学下册还原问题二年级数学下册还原问题#二年级#二年级数学#关注我持续更新小学知识 #知识分享 #家长收藏孩子受益.pdf
10.00金币
1下载
二年级数学下册第六单元考试卷家长打印出来给孩子测试测试争取拿到高分!#小学二年级试卷分享 #二年级第六单考试数学 #第六单考试#二年级数学下册.pdf
10.00金币
0下载
二年级数学下册必背顺口溜口诀汇总二年级数学下册必背顺口溜口诀汇总#二年级#二年级数学下册 #知识分享 #家长收藏孩子受益 #关注我持续更新小学知识.pdf
10.00金币
0下载
二年级数学下册《重点难点思维题》两大问题解决技巧和方法巧算星期几解决周期问题还原问题强化思维训练老师精心整理家长可以打印出来给孩子练习#家长收藏孩子受益 #学霸秘籍 #思维训练 #二年级 #知识点总结.pdf
10.00金币
0下载
二年级数学下册 必背公式大全寒假提前背一背开学更轻松#二年级 #二年级数学 #二年级数学下册 #寒假充电计划 #公式.pdf
10.00金币
0下载
蜗牛文库+ 关注
实名认证
内容提供者

提供各种专业文档内容

确认删除?
QQ
  • QQ点击这里给我发消息
微信客服
  • 微信客服
回到顶部