电脑桌面
添加蜗牛文库到电脑桌面
安装后可以在桌面快捷访问

QBT 2072.10-1994 制糖机械 压力容器通用零部件 平焊法兰垫片.pdfVIP免费

QBT 2072.10-1994 制糖机械 压力容器通用零部件 平焊法兰垫片.pdf_第1页
QBT 2072.10-1994 制糖机械 压力容器通用零部件 平焊法兰垫片.pdf_第2页
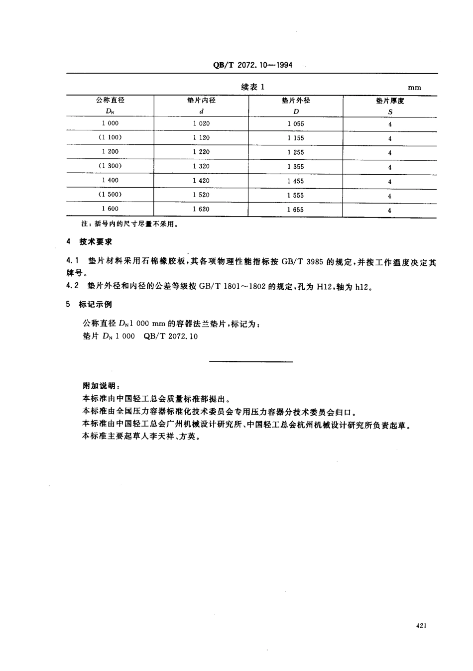
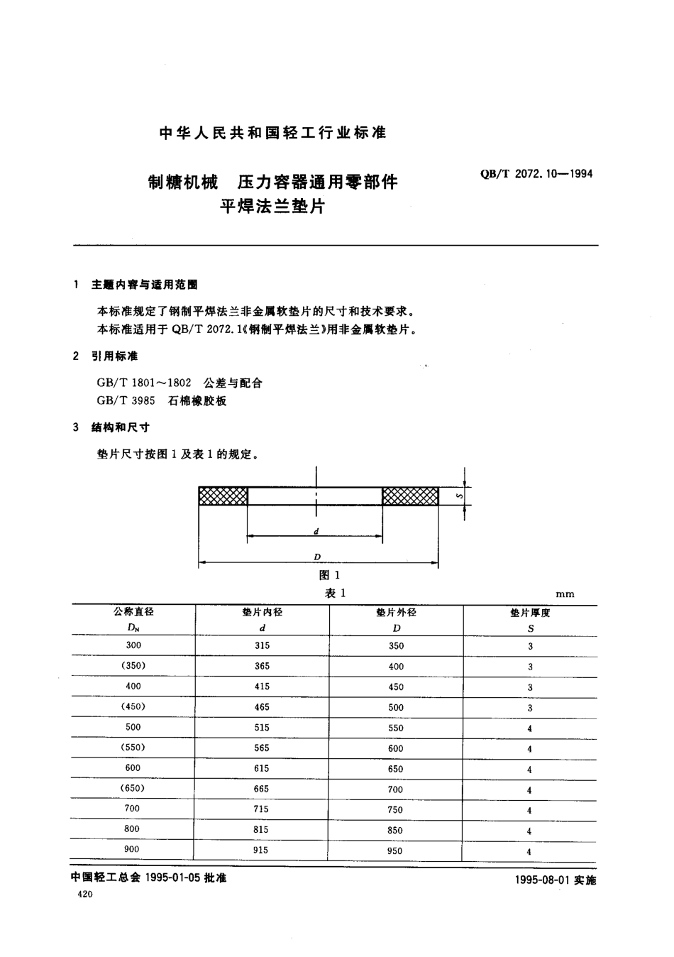
中华人民共和国轻工行业标准制糖机械压力容器通用零部件平焊法兰垫片QB/T2072.10-1994主压内容与适用范.本标准规定了钢制平焊法兰非金属软垫片的尺寸和技术要求。本标准适用于QB/T2072.11俐制平焊法兰》用非金属软垫片。2引用标准GB/T1801^-1802公差与配合GB/T3985石棉橡胶板3结构和尺寸垫片尺寸按图1及表1的规定。图1表1公称直径D垫片内径d垫片外径D垫片厚度S3003153503(350)36540034004154503(450)46550035005155504(550)56560046006156504(650)6657004700715750480081585049009159504中国轻工总会1995-01-05批准4201995-08-01实施QB/T2072.10-1994续表1公称直径DN垫片内径d垫片外径D垫片厚度S1000102010554(1100)1120115541200122012554(1300)1320135541400142014554(1500)1520155541600162016554注:括号内的尺寸尽t不采用。4技术要求4.1牌号。4.2垫片材料采用石棉橡胶板,其各项物理性能指标按GB/T3985的规定,并按工作温度决定其垫片外径和内径的公差等级按GB/T1801^-1802的规定,孔为H12,轴为h12.5标记示例公称直径DN1垫片DN1000000mm的容器法兰垫片,标记为QB/T2072.10附加说明:本标准由中国轻工总会质量标准部提出。本标准由全国压力容器标准化技术委员会专用压力容器分技术委员会归口。本标准由中国轻工总会广州机械设计研究所、中国轻工总会杭州机械设计研究所负责起草。本标准主要起草人李天样、方英。

1、当您付费下载文档后,您只拥有了使用权限,并不意味着购买了版权,文档只能用于自身使用,不得用于其他商业用途(如 [转卖]进行直接盈利或[编辑后售卖]进行间接盈利)。
2、本站所有内容均由合作方或网友上传,本站不对文档的完整性、权威性及其观点立场正确性做任何保证或承诺!文档内容仅供研究参考,付费前请自行鉴别。
3、如文档内容存在违规,或者侵犯商业秘密、侵犯著作权等,请点击“违规举报”。

碎片内容

蜗牛文库的最新文档

二年级数学下册其中检测卷二年级数学下册其中检测卷附答案#期中测试卷.pdf
10.00金币
0下载
二年级数学下册期末质检卷(苏教版)二年级数学下册期末质检卷(苏教版)#期末复习 #期末测试卷 #二年级数学 #二年级数学下册#关注我持续更新小学知识.pdf
10.00金币
0下载
二年级数学下册期末混合运算专项练习二年级数学下册期末混合运算专项练习#二年级#二年级数学下册#关注我持续更新小学知识 #知识分享 #家长收藏孩子受益.pdf
10.00金币
1下载
二年级数学下册年月日三类周期问题解题方法二年级数学下册年月日三类周期问题解题方法#二年级#二年级数学下册#知识分享 #关注我持续更新小学知识 #家长收藏孩子受益.pdf
10.00金币
0下载
二年级数学下册解决问题专项训练二年级数学下册解决问题专项训练#专项训练#解决问题#二年级#二年级数学下册#知识分享.pdf
10.00金币
1下载
二年级数学下册还原问题二年级数学下册还原问题#二年级#二年级数学#关注我持续更新小学知识 #知识分享 #家长收藏孩子受益.pdf
10.00金币
1下载
二年级数学下册第六单元考试卷家长打印出来给孩子测试测试争取拿到高分!#小学二年级试卷分享 #二年级第六单考试数学 #第六单考试#二年级数学下册.pdf
10.00金币
0下载
二年级数学下册必背顺口溜口诀汇总二年级数学下册必背顺口溜口诀汇总#二年级#二年级数学下册 #知识分享 #家长收藏孩子受益 #关注我持续更新小学知识.pdf
10.00金币
0下载
二年级数学下册《重点难点思维题》两大问题解决技巧和方法巧算星期几解决周期问题还原问题强化思维训练老师精心整理家长可以打印出来给孩子练习#家长收藏孩子受益 #学霸秘籍 #思维训练 #二年级 #知识点总结.pdf
10.00金币
0下载
二年级数学下册 必背公式大全寒假提前背一背开学更轻松#二年级 #二年级数学 #二年级数学下册 #寒假充电计划 #公式.pdf
10.00金币
0下载
蜗牛文库+ 关注
实名认证
内容提供者

提供各种专业文档内容

确认删除?
QQ
  • QQ点击这里给我发消息
微信客服
  • 微信客服
回到顶部