电脑桌面
添加蜗牛文库到电脑桌面
安装后可以在桌面快捷访问

QBT 2072.3-1994 制糖机械 压力容器通用零部件 换热器用奥氏体不锈钢焊接钢管.pdfVIP免费

QBT 2072.3-1994 制糖机械 压力容器通用零部件 换热器用奥氏体不锈钢焊接钢管.pdf_第1页
QBT 2072.3-1994 制糖机械 压力容器通用零部件 换热器用奥氏体不锈钢焊接钢管.pdf_第2页
QBT 2072.3-1994 制糖机械 压力容器通用零部件 换热器用奥氏体不锈钢焊接钢管.pdf_第3页
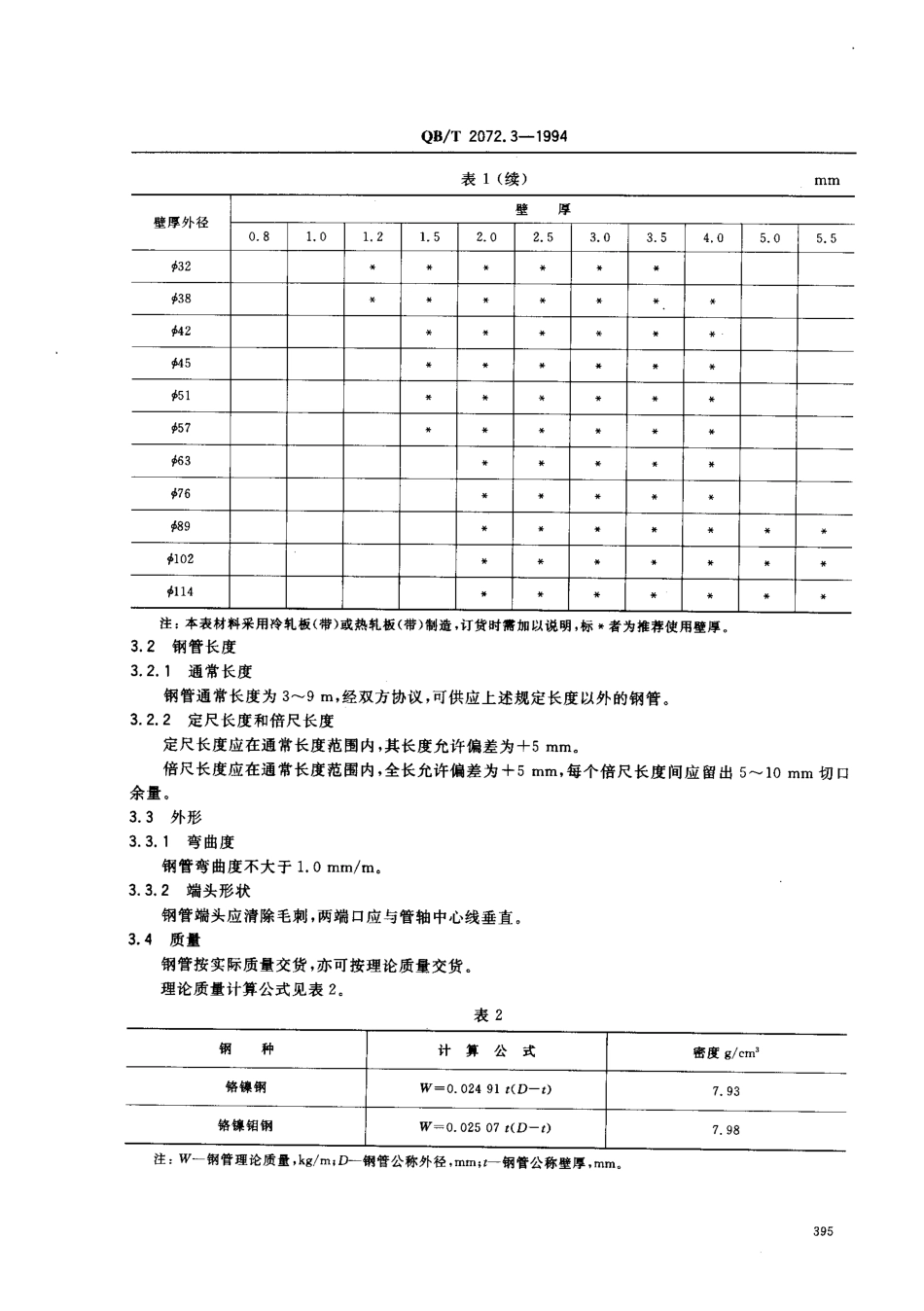
中华人民共和国轻工行业标准制糖机械压力容器通用零部件换热器用奥氏体不锈钢焊接钢管QB/T2072.3-1994主题内容与适用范围本标准规定了轻工行业换热器用不锈钢焊接钢管的产品分类、技术要求、试验方法、检验规则及标志、包装和质量证明书等内容。本标准适用于压力小于1.6MPa,温度低于850℃的换热器用奥氏体不锈钢焊接钢管(以下简称“钢管,,)。2引用标准GB/T222钢的化学分析用试样取样法及成品化学成分允许偏差GB/T226钢的低倍组织及缺陷酸蚀检验法GB/T228金属拉伸试验法GB/T241金属管液压试验方法GB/T242金属管扩口试验方法GB/T246金属管压扁试验方法GB/T2102钢管的验收、包装、标志及质量证明书GB/T2975钢材力学及工艺性能试验取样规定GB/T423。不锈钢热轧钢带GB/丁4239不锈钢冷轧钢带GB/T4334.5不锈钢硫酸一硫酸铜腐蚀试验方法GB/T434。金属维氏硬度试验方法GB/T6394金属平均晶粒度测定方法GB/T7735钢管涡流探伤方法3产品分类3.1尺寸规格尺寸规格见表1,亦可选用表1规格以外的钢管。表1壁厚外径璧厚0.81.01.21.52.02.53.03.54.05.05.5010铃裕多14餐赞价019份荟爷025长苦铃中国轻工总会1995-01-05批准3941995-08-01实施QB/T2072.3-1994表1(续)壁厚外径壁厚0.81.01.21.52.02.53.03.54.05.05.5032并苦势038苦赞苦042朴备长书似5苦苦051关升赞朴057朴赞赞063赞赞赞X76公铃朴"89铃资长资爷价102升价朴资妊公妈114任赞关关苦任注:本表材料采用冷轧板(带)或热轧板(带)制造,订货时需加以说明,标资者为推荐使用壁厚。3.2钢管长度3.2.1通常长度钢管通常长度为3^-9m,经双方协议,可供应上述规定长度以外的钢管。3.2.2定尺长度和倍尺长度定尺长度应在通常长度范围内,其长度允许偏差为+5mm.倍尺长度应在通常长度范围内,全长允许偏差为+5mm,每个倍尺长度间应留出5^10mm切口余量。3.3外形3.3.1弯曲度钢管弯曲度不大于1.0mm/m,3.3.2端头形状钢管端头应清除毛刺,两端口应与管轴中心线垂直。3.4质量钢管按实际质量交货,亦可按理论质量交货。理论质量计算公式见表2,表2钢种计算公式密度g/ctn3铬镍钢W=0.02491t(D-07.93铬镍钥钢W=0.02507t(D-t)7.98注:W-钢管理论质量,kg/m;D-钢管公称外径,mm.“一钢管公称壁厚,mmOB/T2072.3-19943.5外径允许偏差钢管外径允许偏差见表3.表3外径外径偏差<25士0.15>25--38士0.20>38-51士0.25>51--76士0.30>76--114士0.403.6壁厚允许偏差壁厚公差为公称壁厚的土10%(不包括焊缝),最小为士。.2mm.4技术要求4.1牌号及化学成分钢...

1、当您付费下载文档后,您只拥有了使用权限,并不意味着购买了版权,文档只能用于自身使用,不得用于其他商业用途(如 [转卖]进行直接盈利或[编辑后售卖]进行间接盈利)。
2、本站所有内容均由合作方或网友上传,本站不对文档的完整性、权威性及其观点立场正确性做任何保证或承诺!文档内容仅供研究参考,付费前请自行鉴别。
3、如文档内容存在违规,或者侵犯商业秘密、侵犯著作权等,请点击“违规举报”。

碎片内容

蜗牛文库的最新文档

二年级数学下册其中检测卷二年级数学下册其中检测卷附答案#期中测试卷.pdf
10.00金币
0下载
二年级数学下册期末质检卷(苏教版)二年级数学下册期末质检卷(苏教版)#期末复习 #期末测试卷 #二年级数学 #二年级数学下册#关注我持续更新小学知识.pdf
10.00金币
0下载
二年级数学下册期末混合运算专项练习二年级数学下册期末混合运算专项练习#二年级#二年级数学下册#关注我持续更新小学知识 #知识分享 #家长收藏孩子受益.pdf
10.00金币
1下载
二年级数学下册年月日三类周期问题解题方法二年级数学下册年月日三类周期问题解题方法#二年级#二年级数学下册#知识分享 #关注我持续更新小学知识 #家长收藏孩子受益.pdf
10.00金币
0下载
二年级数学下册解决问题专项训练二年级数学下册解决问题专项训练#专项训练#解决问题#二年级#二年级数学下册#知识分享.pdf
10.00金币
1下载
二年级数学下册还原问题二年级数学下册还原问题#二年级#二年级数学#关注我持续更新小学知识 #知识分享 #家长收藏孩子受益.pdf
10.00金币
1下载
二年级数学下册第六单元考试卷家长打印出来给孩子测试测试争取拿到高分!#小学二年级试卷分享 #二年级第六单考试数学 #第六单考试#二年级数学下册.pdf
10.00金币
0下载
二年级数学下册必背顺口溜口诀汇总二年级数学下册必背顺口溜口诀汇总#二年级#二年级数学下册 #知识分享 #家长收藏孩子受益 #关注我持续更新小学知识.pdf
10.00金币
0下载
二年级数学下册《重点难点思维题》两大问题解决技巧和方法巧算星期几解决周期问题还原问题强化思维训练老师精心整理家长可以打印出来给孩子练习#家长收藏孩子受益 #学霸秘籍 #思维训练 #二年级 #知识点总结.pdf
10.00金币
0下载
二年级数学下册 必背公式大全寒假提前背一背开学更轻松#二年级 #二年级数学 #二年级数学下册 #寒假充电计划 #公式.pdf
10.00金币
0下载
蜗牛文库+ 关注
实名认证
内容提供者

提供各种专业文档内容

确认删除?
QQ
  • QQ点击这里给我发消息
微信客服
  • 微信客服
回到顶部