电脑桌面
添加蜗牛文库到电脑桌面
安装后可以在桌面快捷访问

QBT 2072.7-1994 制糖机械 压力容器通用零部件 视镜.pdfVIP免费

QBT 2072.7-1994 制糖机械 压力容器通用零部件 视镜.pdf_第1页
QBT 2072.7-1994 制糖机械 压力容器通用零部件 视镜.pdf_第2页
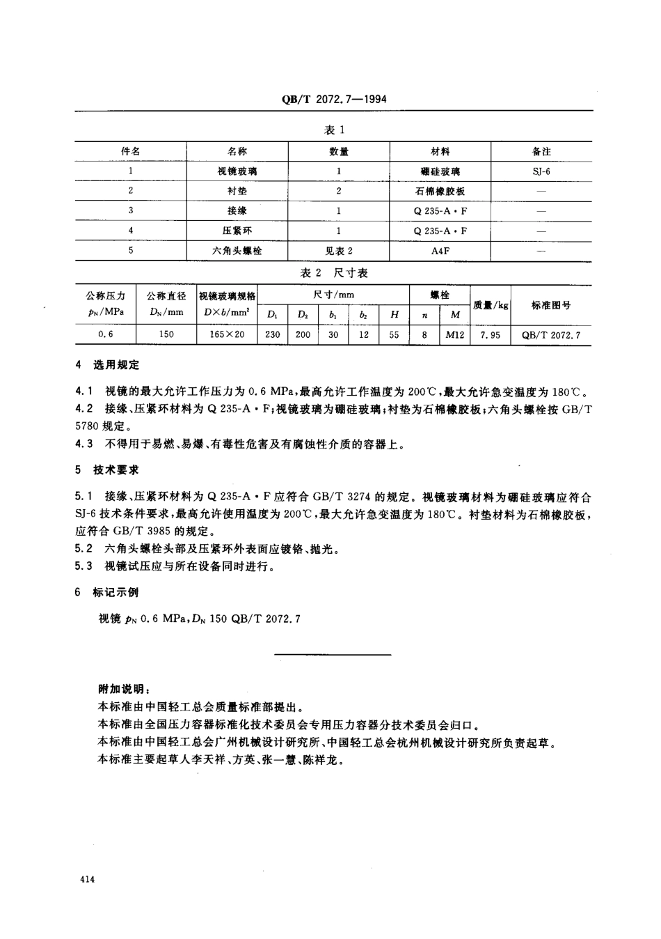
中华人民共和国轻工行业标准制糖机械压力容器通用零部件视镜QB/T2072.7-1994主题内容与适用范围本标准规定了钢制容器用视镜的结构和尺寸。本标准适用于最高工作压力不大于0.6MPa,工作温度0^-200℃的碳钢容器设备.引用标准GB/T3274碳素结构钢和低合金结构钢热轧厚钢板和钢带GB/T3985石棉橡胶板GB/T5780六角头螺栓C级QB/T2071钢制轻工容器设计规定SJ-6视镜玻璃的制造、验收技术条件3结构和尺寸应符合图1及表1,表2的规定。n-M马一历/I/I_!XX,万%-终/%另万多万介咧万多方万图1中国轻工总会1995-01-05批准1995-08-01实施413QB/T2072.7-1994表1件名名称数量材料备注1视镜玻璃1翻硅玻璃Si-62衬垫2石棉橡胶板3接缘1Q235-A·F4压紧环1Q235-A·F5六角头螺栓见表2A4F表2尺寸表公称压力P/MPa公称直径DN/mm视镜玻璃规格DXb/mm0尺寸/mm绿栓质t/kg标准图号DlD,b,b,月凡M0.6150165义202302003012558M127.95QB/T2072.74选用规定4.1视镜的最大允许工作压力为。.6MPa,最高允许工作温度为200'C,最大允许急变温度为1800C,4.2接缘、压紧环材料为Q235-A"F;视镜玻璃为硼硅玻璃;衬垫为石棉橡胶板;六角头螺栓按GB/T5780规定。4.3不得用于易燃、易爆、有毒性危害及有腐蚀性介质的容器上。5技术要求5.1接缘、压紧环材料为Q235-A"F应符合GB/T3274的规定。视镜玻璃材料为硼硅玻璃应符合SJ-6技术条件要求,最高允许使用温度为200'C,最大允许急变温度为180V。衬垫材料为石棉橡胶板,应符合GB/T3985的规定。5.2六角头螺栓头部及压紧环外表面应镀铬、抛光。53视镜试压应与所在设备同时进行。6标记示例视镜pH0.6MPa,DN150QB/T2072.7附加说明:本标准由中国轻工总会质量标准部提出。本标准由全国压力容器标准化技术委员会专用压力容器分技术委员会归口。本标准由中国轻工总会广州机械设计研究所、中国轻工总会杭州机械设计研究所负责起草本标准主要起草人李天样、方英、张一慧、陈祥龙。

1、当您付费下载文档后,您只拥有了使用权限,并不意味着购买了版权,文档只能用于自身使用,不得用于其他商业用途(如 [转卖]进行直接盈利或[编辑后售卖]进行间接盈利)。
2、本站所有内容均由合作方或网友上传,本站不对文档的完整性、权威性及其观点立场正确性做任何保证或承诺!文档内容仅供研究参考,付费前请自行鉴别。
3、如文档内容存在违规,或者侵犯商业秘密、侵犯著作权等,请点击“违规举报”。

碎片内容

蜗牛文库的最新文档

二年级数学下册其中检测卷二年级数学下册其中检测卷附答案#期中测试卷.pdf
10.00金币
0下载
二年级数学下册期末质检卷(苏教版)二年级数学下册期末质检卷(苏教版)#期末复习 #期末测试卷 #二年级数学 #二年级数学下册#关注我持续更新小学知识.pdf
10.00金币
0下载
二年级数学下册期末混合运算专项练习二年级数学下册期末混合运算专项练习#二年级#二年级数学下册#关注我持续更新小学知识 #知识分享 #家长收藏孩子受益.pdf
10.00金币
1下载
二年级数学下册年月日三类周期问题解题方法二年级数学下册年月日三类周期问题解题方法#二年级#二年级数学下册#知识分享 #关注我持续更新小学知识 #家长收藏孩子受益.pdf
10.00金币
0下载
二年级数学下册解决问题专项训练二年级数学下册解决问题专项训练#专项训练#解决问题#二年级#二年级数学下册#知识分享.pdf
10.00金币
1下载
二年级数学下册还原问题二年级数学下册还原问题#二年级#二年级数学#关注我持续更新小学知识 #知识分享 #家长收藏孩子受益.pdf
10.00金币
1下载
二年级数学下册第六单元考试卷家长打印出来给孩子测试测试争取拿到高分!#小学二年级试卷分享 #二年级第六单考试数学 #第六单考试#二年级数学下册.pdf
10.00金币
0下载
二年级数学下册必背顺口溜口诀汇总二年级数学下册必背顺口溜口诀汇总#二年级#二年级数学下册 #知识分享 #家长收藏孩子受益 #关注我持续更新小学知识.pdf
10.00金币
0下载
二年级数学下册《重点难点思维题》两大问题解决技巧和方法巧算星期几解决周期问题还原问题强化思维训练老师精心整理家长可以打印出来给孩子练习#家长收藏孩子受益 #学霸秘籍 #思维训练 #二年级 #知识点总结.pdf
10.00金币
0下载
二年级数学下册 必背公式大全寒假提前背一背开学更轻松#二年级 #二年级数学 #二年级数学下册 #寒假充电计划 #公式.pdf
10.00金币
0下载
蜗牛文库+ 关注
实名认证
内容提供者

提供各种专业文档内容

确认删除?
QQ
  • QQ点击这里给我发消息
微信客服
  • 微信客服
回到顶部