电脑桌面
添加蜗牛文库到电脑桌面
安装后可以在桌面快捷访问

37、1A422000第07讲 网络计划技术的应用(四).pdfVIP免费

37、1A422000第07讲 网络计划技术的应用(四).pdf_第1页
37、1A422000第07讲 网络计划技术的应用(四).pdf_第2页
37、1A422000第07讲 网络计划技术的应用(四).pdf_第3页
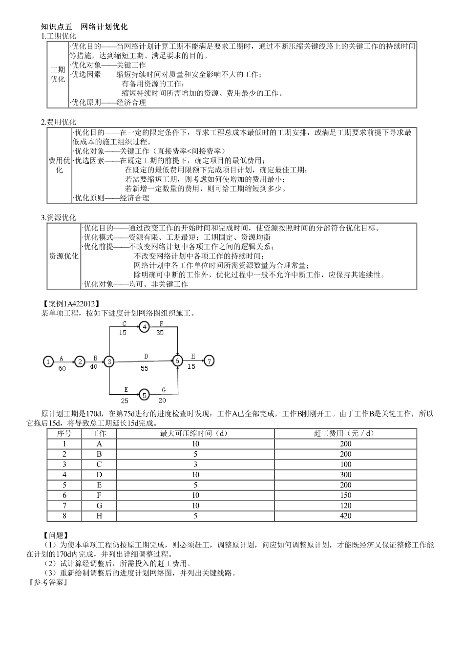
知识点五网络计划优化知识点五网络计划优化1.工期优化工期优化·优化目的——当网络计划计算工期不能满足要求工期时,通过不断压缩关键线路上的关键工作的持续时间等措施,达到缩短工期、满足要求的目的。·优化对象——关键工作·优选因素——缩短持续时间对质量和安全影响不大的工作;有备用资源的工作;缩短持续时间所需增加的资源、费用最少的工作。·优化原则——经济合理2.费用优化费用优化·优化目的——在一定的限定条件下,寻求工程总成本最低时的工期安排,或满足工期要求前提下寻求最低成本的施工组织过程。·优化对象——关键工作(直接费率<间接费率)·优选因素——在既定工期的前提下,确定项目的最低费用;在既定的最低费用限额下完成项目计划,确定最佳工期;若需要缩短工期,则考虑如何使增加的费用最小;若新增一定数量的费用,则可给工期缩短到多少。·优化原则——经济合理3.资源优化资源优化·优化目的——通过改变工作的开始时间和完成时间,使资源按照时间的分部符合优化目标。·优化模式——资源有限、工期最短;工期固定、资源均衡·优化前提——不改变网络计划中各项工作之间的逻辑关系;不改变网络计划中各项工作的持续时间;网络计划中各工作单位时间所需资源数量为合理常量;除明确可中断的工作外,优化过程中一般不允许中断工作,应保持其连续性。·优化对象——均可、非关键工作【案例1A422012】某单项工程,按如下进度计划网络图组织施工。原计划工期是170d,在第75d进行的进度检查时发现:工作A已全部完成,工作B刚刚开工。由于工作B是关键工作,所以它拖后15d,将导致总工期延长15d完成。序号工作最大可压缩时间(d)赶工费用(元/d)1A102002B52003C31004D103005E52006F101507G101208H5420【问题】(1)为使本单项工程仍按原工期完成,则必须赶工,调整原计划,问应如何调整原计划,才能既经济又保证整修工作能在计划的170d内完成,并列出详细调整过程。(2)试计算经调整后,所需投入的赶工费用。(3)重新绘制调整后的进度计划网络图,并列出关键线路。『参考答案』(1)目前总工期拖后15d,此时的关键线路:B→D→H。1)其中工作B赶工费率最低,故先对工作B持续时间进行压缩:工作B压缩5d,因此增加费用为5×200=1000(元)总工期为:185-5=180(d);关键线路:B→D→H。2)剩余关键工作中,工作D赶工费率最低,故应对工作D持续时间进行压缩。工作D压缩的同时,应考虑与之平等的各线路,以各线路工作...

1、当您付费下载文档后,您只拥有了使用权限,并不意味着购买了版权,文档只能用于自身使用,不得用于其他商业用途(如 [转卖]进行直接盈利或[编辑后售卖]进行间接盈利)。
2、本站所有内容均由合作方或网友上传,本站不对文档的完整性、权威性及其观点立场正确性做任何保证或承诺!文档内容仅供研究参考,付费前请自行鉴别。
3、如文档内容存在违规,或者侵犯商业秘密、侵犯著作权等,请点击“违规举报”。

碎片内容

蜗牛文库的最新文档

二年级数学下册其中检测卷二年级数学下册其中检测卷附答案#期中测试卷.pdf
10.00金币
0下载
二年级数学下册期末质检卷(苏教版)二年级数学下册期末质检卷(苏教版)#期末复习 #期末测试卷 #二年级数学 #二年级数学下册#关注我持续更新小学知识.pdf
10.00金币
0下载
二年级数学下册期末混合运算专项练习二年级数学下册期末混合运算专项练习#二年级#二年级数学下册#关注我持续更新小学知识 #知识分享 #家长收藏孩子受益.pdf
10.00金币
1下载
二年级数学下册年月日三类周期问题解题方法二年级数学下册年月日三类周期问题解题方法#二年级#二年级数学下册#知识分享 #关注我持续更新小学知识 #家长收藏孩子受益.pdf
10.00金币
0下载
二年级数学下册解决问题专项训练二年级数学下册解决问题专项训练#专项训练#解决问题#二年级#二年级数学下册#知识分享.pdf
10.00金币
1下载
二年级数学下册还原问题二年级数学下册还原问题#二年级#二年级数学#关注我持续更新小学知识 #知识分享 #家长收藏孩子受益.pdf
10.00金币
1下载
二年级数学下册第六单元考试卷家长打印出来给孩子测试测试争取拿到高分!#小学二年级试卷分享 #二年级第六单考试数学 #第六单考试#二年级数学下册.pdf
10.00金币
0下载
二年级数学下册必背顺口溜口诀汇总二年级数学下册必背顺口溜口诀汇总#二年级#二年级数学下册 #知识分享 #家长收藏孩子受益 #关注我持续更新小学知识.pdf
10.00金币
0下载
二年级数学下册《重点难点思维题》两大问题解决技巧和方法巧算星期几解决周期问题还原问题强化思维训练老师精心整理家长可以打印出来给孩子练习#家长收藏孩子受益 #学霸秘籍 #思维训练 #二年级 #知识点总结.pdf
10.00金币
0下载
二年级数学下册 必背公式大全寒假提前背一背开学更轻松#二年级 #二年级数学 #二年级数学下册 #寒假充电计划 #公式.pdf
10.00金币
0下载
蜗牛文库+ 关注
实名认证
内容提供者

提供各种专业文档内容

确认删除?
QQ
  • QQ点击这里给我发消息
微信客服
  • 微信客服
回到顶部