电脑桌面
添加蜗牛文库到电脑桌面
安装后可以在桌面快捷访问

20、第05讲 案例实操题(五).pdfVIP免费

20、第05讲 案例实操题(五).pdf_第1页
20、第05讲 案例实操题(五).pdf_第2页
20、第05讲 案例实操题(五).pdf_第3页
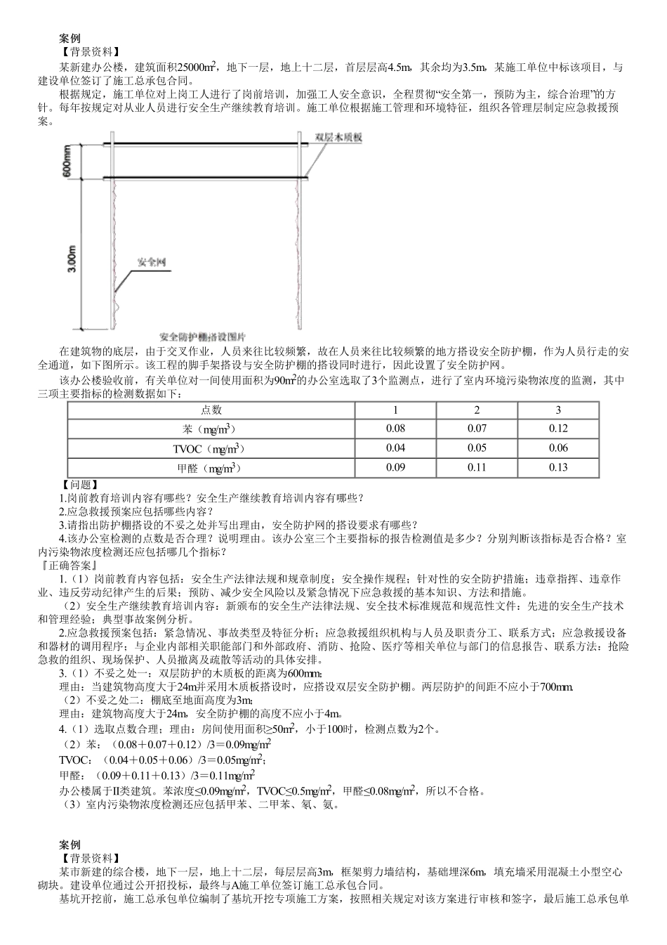
案例案例【背景资料】某新建办公楼,建筑面积25000m2,地下一层,地上十二层,首层层高4.5m,其余均为3.5m,某施工单位中标该项目,与建设单位签订了施工总承包合同。根据规定,施工单位对上岗工人进行了岗前培训,加强工人安全意识,全程贯彻“安全第一,预防为主,综合治理”的方针。每年按规定对从业人员进行安全生产继续教育培训。施工单位根据施工管理和环境特征,组织各管理层制定应急救援预案。在建筑物的底层,由于交叉作业,人员来往比较频繁,故在人员来往比较频繁的地方搭设安全防护棚,作为人员行走的安全通道,如下图所示。该工程的脚手架搭设与安全防护棚的搭设同时进行,因此设置了安全防护网。该办公楼验收前,有关单位对一间使用面积为90m2的办公室选取了3个监测点,进行了室内环境污染物浓度的监测,其中三项主要指标的检测数据如下:点数123苯(mg/m3)0.080.070.12TVOC(mg/m3)0.040.050.06甲醛(mg/m3)0.090.110.13【问题】1.岗前教育培训内容有哪些?安全生产继续教育培训内容有哪些?2.应急救援预案应包括哪些内容?3.请指出防护棚搭设的不妥之处并写出理由,安全防护网的搭设要求有哪些?4.该办公室检测的点数是否合理?说明理由。该办公室三个主要指标的报告检测值是多少?分别判断该指标是否合格?室内污染物浓度检测还应包括哪几个指标?『正确答案』1.(1)岗前教育内容包括:安全生产法律法规和规章制度;安全操作规程;针对性的安全防护措施;违章指挥、违章作业、违反劳动纪律产生的后果;预防、减少安全风险以及紧急情况下应急救援的基本知识、方法和措施。(2)安全生产继续教育培训内容:新颁布的安全生产法律法规、安全技术标准规范和规范性文件:先进的安全生产技术和管理经验;典型事故案例分析。2.应急救援预案包括:紧急情况、事故类型及特征分析;应急救援组织机构与人员及职责分工、联系方式;应急救援设备和器材的调用程序;与企业内部相关职能部门和外部政府、消防、抢险、医疗等相关单位与部门的信息报告、联系方法:抢险急救的组织、现场保护、人员撤离及疏散等活动的具体安排。3.(1)不妥之处一:双层防护的木质板的距离为600mm;理由:当建筑物高度大于24m并采用木质板搭设时,应搭设双层安全防护棚。两层防护的间距不应小于700mm.(2)不妥之处二:棚底至地面高度为3m;理由:建筑物高度大于24m,安全防护棚的高度不应小于4m。4.(1)选取点数合理;理由:房间使用面积≥50m2,小于100时,检测...

1、当您付费下载文档后,您只拥有了使用权限,并不意味着购买了版权,文档只能用于自身使用,不得用于其他商业用途(如 [转卖]进行直接盈利或[编辑后售卖]进行间接盈利)。
2、本站所有内容均由合作方或网友上传,本站不对文档的完整性、权威性及其观点立场正确性做任何保证或承诺!文档内容仅供研究参考,付费前请自行鉴别。
3、如文档内容存在违规,或者侵犯商业秘密、侵犯著作权等,请点击“违规举报”。

碎片内容

蜗牛文库的最新文档

二年级数学下册其中检测卷二年级数学下册其中检测卷附答案#期中测试卷.pdf
10.00金币
0下载
二年级数学下册期末质检卷(苏教版)二年级数学下册期末质检卷(苏教版)#期末复习 #期末测试卷 #二年级数学 #二年级数学下册#关注我持续更新小学知识.pdf
10.00金币
0下载
二年级数学下册期末混合运算专项练习二年级数学下册期末混合运算专项练习#二年级#二年级数学下册#关注我持续更新小学知识 #知识分享 #家长收藏孩子受益.pdf
10.00金币
1下载
二年级数学下册年月日三类周期问题解题方法二年级数学下册年月日三类周期问题解题方法#二年级#二年级数学下册#知识分享 #关注我持续更新小学知识 #家长收藏孩子受益.pdf
10.00金币
0下载
二年级数学下册解决问题专项训练二年级数学下册解决问题专项训练#专项训练#解决问题#二年级#二年级数学下册#知识分享.pdf
10.00金币
1下载
二年级数学下册还原问题二年级数学下册还原问题#二年级#二年级数学#关注我持续更新小学知识 #知识分享 #家长收藏孩子受益.pdf
10.00金币
1下载
二年级数学下册第六单元考试卷家长打印出来给孩子测试测试争取拿到高分!#小学二年级试卷分享 #二年级第六单考试数学 #第六单考试#二年级数学下册.pdf
10.00金币
0下载
二年级数学下册必背顺口溜口诀汇总二年级数学下册必背顺口溜口诀汇总#二年级#二年级数学下册 #知识分享 #家长收藏孩子受益 #关注我持续更新小学知识.pdf
10.00金币
0下载
二年级数学下册《重点难点思维题》两大问题解决技巧和方法巧算星期几解决周期问题还原问题强化思维训练老师精心整理家长可以打印出来给孩子练习#家长收藏孩子受益 #学霸秘籍 #思维训练 #二年级 #知识点总结.pdf
10.00金币
0下载
二年级数学下册 必背公式大全寒假提前背一背开学更轻松#二年级 #二年级数学 #二年级数学下册 #寒假充电计划 #公式.pdf
10.00金币
0下载
蜗牛文库+ 关注
实名认证
内容提供者

提供各种专业文档内容

确认删除?
QQ
  • QQ点击这里给我发消息
微信客服
  • 微信客服
回到顶部