电脑桌面
添加蜗牛文库到电脑桌面
安装后可以在桌面快捷访问

案例活动.docVIP免费

案例活动.doc_第1页
案例活动.doc_第2页
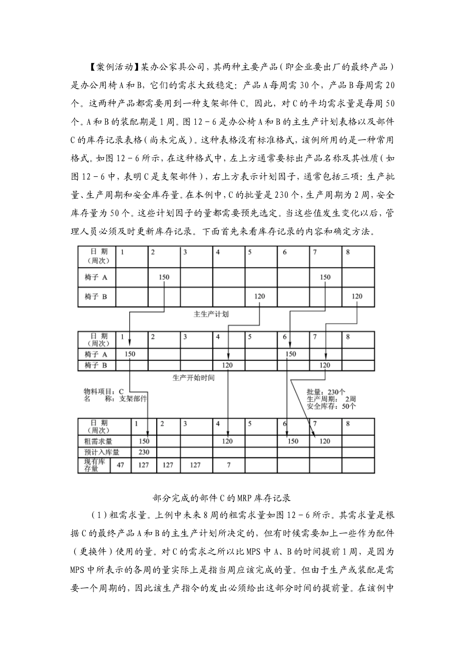
【案例活动】某办公家具公司,其两种主要产品(即企业要出厂的最终产品)是办公用椅A和B,它们的需求大致稳定:产品A每周需30个,产品B每周需20个。这两种产品都需要用到一种支架部件C。因此,对C的平均需求量是每周50个。A和B的装配期是1周。图12-6是办公椅A和B的主生产计划表格以及部件C的库存记录表格(尚未完成)。这种表格没有标准格式,该例所用的是一种常用格式。如图12-6所示,在这种格式中,左上方通常要标出产品名称及其性质(如图12-6中,表明C是支架部件),右上方表示计划因子,通常包括三项:生产批量、生产周期和安全库存量。在本例中,C的批量是230个,生产周期为2周,安全库存量为50个。这些计划因子的量都需要预先选定。当这些值发生变化以后,管理人员必须及时更新库存记录。下面首先来看库存记录的内容和确定方法。部分完成的部件C的MRP库存记录(1)粗需求量。上例中未来8周的粗需求量如图12-6所示。其需求量是根据C的最终产品A和B的主生产计划所决定的,但有时候需要加上一些作为配件(更换件)使用的量。对C的需求之所以比MPS中A、B的时间提前1周,是因为MPS中所表示的各周的量实际上是指当周应该完成的量。但由于生产或装配是需要一个周期的,因此该生产指令的发出必须给出这部分时间的提前量。在该例中第2周需150个A,其装配周期为1周,故第1周应发出生产订单,开始装配。图中的第2个表格表示的是考虑了生产周期之后,MPS生产订单发出的时间和生产量。同样,MRP库存记录中粗需求的需要量是指当周应准备好的量,例如,为了在第2周装完150个A,第1周必须准备好150个C。(2)预计入库量(SR)。它是指订单已发出,但货尚未收到的量。对于外购件,它可能处于几种状态之一:买方刚发出订单,供应商正在加工;正在从供应商至买方的途中;已到买方、买方正在验货等。对于自加工件,它可能的状态包括:正在生产现场被加工;等待他的原材料和零件的到达;正在机床前排队等待加工;正从一个工序移至下一个工序等。上例中第1周需150个C,其生产周期为2周,故至少在2周之前已发出了该生产的订单,但通常不会比提前2周更早地发出订单。(3)现有库存量(POH)。其概念与MPS中的概念相同,指每周需求被满足之后手头仍有的库存量。该记录随着每周进货或出货的情况而更新,未来各周的POH可通过计算得出。其计算公式为:式中,It-----t周末的POH;It-1-----t-1周末的POH;SRt-----t周的预计入库量;PRt-----t周的计划订货入库量;GRt--...

1、当您付费下载文档后,您只拥有了使用权限,并不意味着购买了版权,文档只能用于自身使用,不得用于其他商业用途(如 [转卖]进行直接盈利或[编辑后售卖]进行间接盈利)。
2、本站所有内容均由合作方或网友上传,本站不对文档的完整性、权威性及其观点立场正确性做任何保证或承诺!文档内容仅供研究参考,付费前请自行鉴别。
3、如文档内容存在违规,或者侵犯商业秘密、侵犯著作权等,请点击“违规举报”。

碎片内容

蜗牛文库的最新文档

二年级数学下册其中检测卷二年级数学下册其中检测卷附答案#期中测试卷.pdf
10.00金币
0下载
二年级数学下册期末质检卷(苏教版)二年级数学下册期末质检卷(苏教版)#期末复习 #期末测试卷 #二年级数学 #二年级数学下册#关注我持续更新小学知识.pdf
10.00金币
0下载
二年级数学下册期末混合运算专项练习二年级数学下册期末混合运算专项练习#二年级#二年级数学下册#关注我持续更新小学知识 #知识分享 #家长收藏孩子受益.pdf
10.00金币
1下载
二年级数学下册年月日三类周期问题解题方法二年级数学下册年月日三类周期问题解题方法#二年级#二年级数学下册#知识分享 #关注我持续更新小学知识 #家长收藏孩子受益.pdf
10.00金币
0下载
二年级数学下册解决问题专项训练二年级数学下册解决问题专项训练#专项训练#解决问题#二年级#二年级数学下册#知识分享.pdf
10.00金币
1下载
二年级数学下册还原问题二年级数学下册还原问题#二年级#二年级数学#关注我持续更新小学知识 #知识分享 #家长收藏孩子受益.pdf
10.00金币
1下载
二年级数学下册第六单元考试卷家长打印出来给孩子测试测试争取拿到高分!#小学二年级试卷分享 #二年级第六单考试数学 #第六单考试#二年级数学下册.pdf
10.00金币
0下载
二年级数学下册必背顺口溜口诀汇总二年级数学下册必背顺口溜口诀汇总#二年级#二年级数学下册 #知识分享 #家长收藏孩子受益 #关注我持续更新小学知识.pdf
10.00金币
0下载
二年级数学下册《重点难点思维题》两大问题解决技巧和方法巧算星期几解决周期问题还原问题强化思维训练老师精心整理家长可以打印出来给孩子练习#家长收藏孩子受益 #学霸秘籍 #思维训练 #二年级 #知识点总结.pdf
10.00金币
0下载
二年级数学下册 必背公式大全寒假提前背一背开学更轻松#二年级 #二年级数学 #二年级数学下册 #寒假充电计划 #公式.pdf
10.00金币
0下载
蜗牛文库+ 关注
实名认证
内容提供者

提供各种专业文档内容

确认删除?
QQ
  • QQ点击这里给我发消息
微信客服
  • 微信客服
回到顶部