电脑桌面
添加蜗牛文库到电脑桌面
安装后可以在桌面快捷访问

干涉法测微小量 陈泽亮.docVIP免费

干涉法测微小量 陈泽亮.doc_第1页
干涉法测微小量 陈泽亮.doc_第2页
干涉法测微小量 陈泽亮.doc_第3页
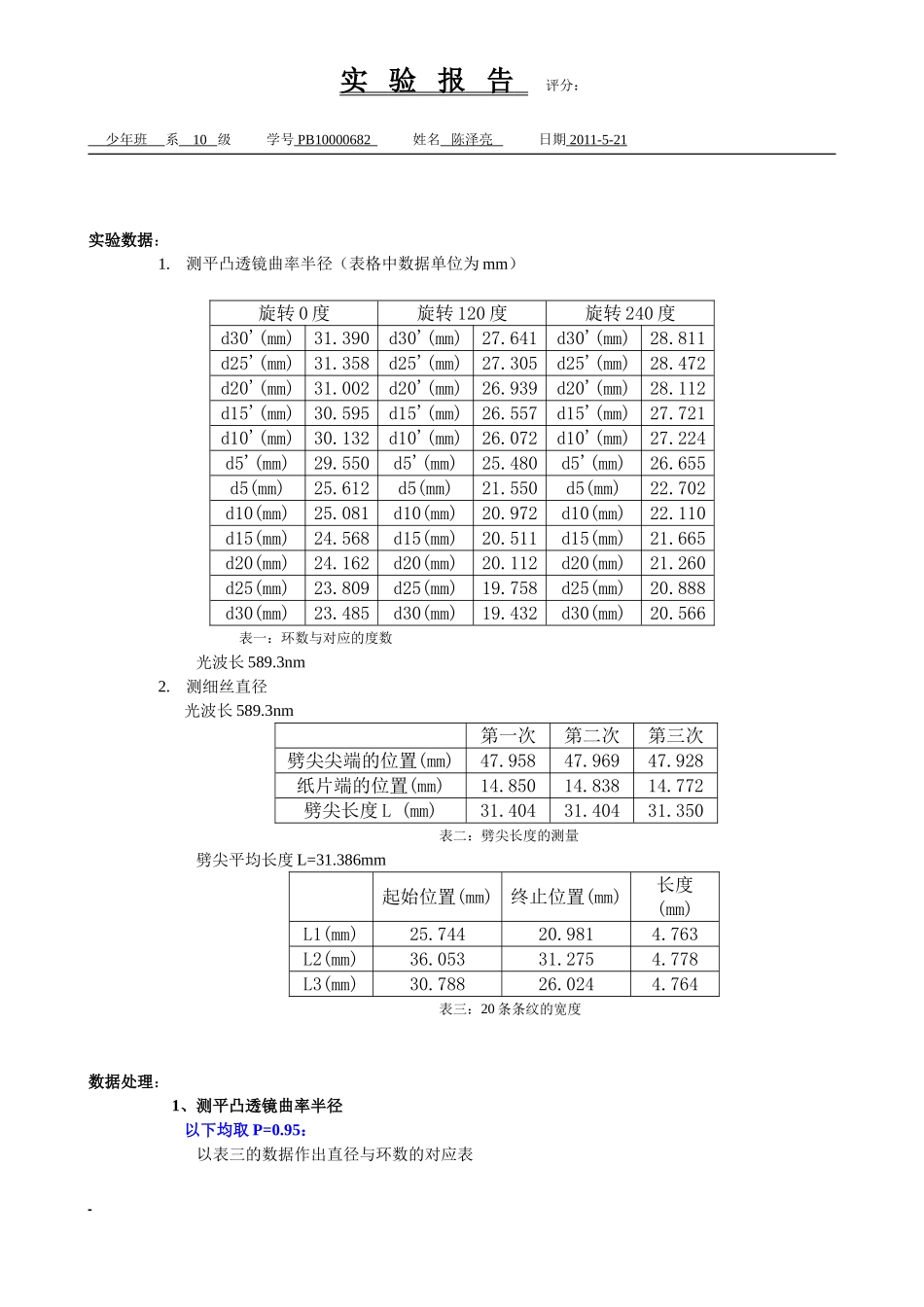
实验报告评分:少年班系10级学号PB10000682姓名陈泽亮日期2011-5-21实验题目:干涉法测微小量实验目的:学习、掌握利用光的干涉原理检验光学元件表面集合特征的方法,用劈尖的等厚干涉测量细丝直径的方法,同时加深对光的波动性的认识。实验原理:1、用牛顿环测平凸透镜的曲率半径当曲率很大的平凸透镜的凸面放在一平面玻璃上时,会产生一组以O为中心的明暗相间的同心圆环,称为牛顿环。如图,1、2两束光的光程差为,式中λ为入射光的波长,δ是空气层厚度,空气折射率。如果第m个暗环处空气厚度为δm,则有故得到:。利用几何关系有,并根据,得到,联系以上两式,有换成直径,并考虑第m+n个环和第m个环,有,,故那么测量出Dm+n和Dm就可以根据这个表达式得到R。2、劈尖的等厚干涉测细丝直径两片叠在一起的玻璃片,在它们的一端夹一直径待测的细丝,于是两玻璃片之间形成一空气劈尖。当用单色光垂直照射时,会产生干涉现象。因为程差相等的地方是平行于两玻璃片交线的直线,所以等厚干涉条纹是一组明暗相间、平行于交线的直线。设入射光波为λ,则得第m级暗纹处空气劈尖的厚度。由此可知,m=0时,d=0,即在两玻璃片交线处,为零级暗条纹。如果在细丝处呈现m=N级条纹,则待测细丝直径。3、利用干涉条纹检验光学表面面形(略)实验报告评分:少年班系10级学号PB10000682姓名陈泽亮日期2011-5-21实验内容:1.测平凸透镜的曲率半径(1)观察牛顿环1)将牛顿环仪按图7.2.1-5所示放置在读数显微镜镜筒和入射光调节木架的玻璃片的下方,木架上的透镜要正对着钠光灯窗口,调节玻璃片角度,使通过显微镜目镜观察时视场最亮。2)调节目镜,看清目镜视场的十字叉丝后,使显微镜筒下降到接近玻璃片,然后缓慢上升,直到观察到干涉条纹,再微调玻璃片角度及显微镜,使条纹更清楚。(2)测牛顿环直径1)使显微镜的十字叉丝交点与牛顿环中心重合,并使水平方向的叉丝与标尺平行(与显微镜筒移动方向平行)。2)转动显微镜测微鼓轮,使显微镜筒沿一个方向移动,同时数出十字叉丝竖丝移过的暗环数,直到竖丝与第35环相切为止。3)反向转动鼓轮,当竖丝与第30环相切时,记录读数显微镜上的位置读数d30,然后继续转动鼓轮,使竖丝依次与第25、20、15、10、5环相切,顺次记下读数d25,d20,d15,d10,d5。4)继续转动鼓轮,越过干涉圆环中心,记下竖丝依次与另一边的5、10、15、20、25、30环相切时的读数、、、、、。重复测量三次,共测三组数据。(3)用逐差法处理数...

1、当您付费下载文档后,您只拥有了使用权限,并不意味着购买了版权,文档只能用于自身使用,不得用于其他商业用途(如 [转卖]进行直接盈利或[编辑后售卖]进行间接盈利)。
2、本站所有内容均由合作方或网友上传,本站不对文档的完整性、权威性及其观点立场正确性做任何保证或承诺!文档内容仅供研究参考,付费前请自行鉴别。
3、如文档内容存在违规,或者侵犯商业秘密、侵犯著作权等,请点击“违规举报”。

碎片内容

蜗牛文库的最新文档

二年级数学下册其中检测卷二年级数学下册其中检测卷附答案#期中测试卷.pdf
10.00金币
0下载
二年级数学下册期末质检卷(苏教版)二年级数学下册期末质检卷(苏教版)#期末复习 #期末测试卷 #二年级数学 #二年级数学下册#关注我持续更新小学知识.pdf
10.00金币
0下载
二年级数学下册期末混合运算专项练习二年级数学下册期末混合运算专项练习#二年级#二年级数学下册#关注我持续更新小学知识 #知识分享 #家长收藏孩子受益.pdf
10.00金币
1下载
二年级数学下册年月日三类周期问题解题方法二年级数学下册年月日三类周期问题解题方法#二年级#二年级数学下册#知识分享 #关注我持续更新小学知识 #家长收藏孩子受益.pdf
10.00金币
0下载
二年级数学下册解决问题专项训练二年级数学下册解决问题专项训练#专项训练#解决问题#二年级#二年级数学下册#知识分享.pdf
10.00金币
1下载
二年级数学下册还原问题二年级数学下册还原问题#二年级#二年级数学#关注我持续更新小学知识 #知识分享 #家长收藏孩子受益.pdf
10.00金币
1下载
二年级数学下册第六单元考试卷家长打印出来给孩子测试测试争取拿到高分!#小学二年级试卷分享 #二年级第六单考试数学 #第六单考试#二年级数学下册.pdf
10.00金币
0下载
二年级数学下册必背顺口溜口诀汇总二年级数学下册必背顺口溜口诀汇总#二年级#二年级数学下册 #知识分享 #家长收藏孩子受益 #关注我持续更新小学知识.pdf
10.00金币
0下载
二年级数学下册《重点难点思维题》两大问题解决技巧和方法巧算星期几解决周期问题还原问题强化思维训练老师精心整理家长可以打印出来给孩子练习#家长收藏孩子受益 #学霸秘籍 #思维训练 #二年级 #知识点总结.pdf
10.00金币
0下载
二年级数学下册 必背公式大全寒假提前背一背开学更轻松#二年级 #二年级数学 #二年级数学下册 #寒假充电计划 #公式.pdf
10.00金币
0下载
蜗牛文库+ 关注
实名认证
内容提供者

提供各种专业文档内容

确认删除?
QQ
  • QQ点击这里给我发消息
微信客服
  • 微信客服
回到顶部