电脑桌面
添加蜗牛文库到电脑桌面
安装后可以在桌面快捷访问

铁磁共振 陈才 (2).docVIP免费

铁磁共振 陈才 (2).doc_第1页
铁磁共振 陈才 (2).doc_第2页
铁磁共振 陈才 (2).doc_第3页
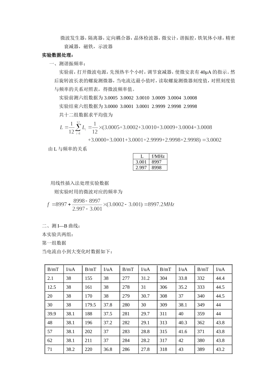
铁磁共振姓名:陈才学号:PB04210489日期:2006-5-7试验目的:学习用传输式谐振腔法研究铁磁共振现象,测量YIG小球(多晶)的共振线宽和g因子。试验原理:铁磁共振一般是在微波频率下进行(波长为3cm左右)。将铁磁物质置于微波磁场中,它的微波磁感应轻度Bm可表示为B0mμijHm(1)μ0为真空中的磁导率,μij称为张量磁导率。μij=10000jkjk(2)μ、k称为张量磁导率的元素'''j(3)'''jkkk(4)当外加稳恒磁场B时,μ、k的实部和虚部随B的变化曲线如图2.3.2-1。μ’、k’在/0rB处数值和符号都剧烈变化,称为色散。μ’’、k’’在/0rB处达到极大值,称为共振吸收,此现象即为铁磁共振。这里ω0为微波磁场的角频率,γ为铁磁物质的旋磁比。μ’’决定铁磁物质磁能的损耗,当/00BB时,磁损耗最大,常用共振吸收线宽B来描述铁磁物质的磁损耗大小。B的定义如图2.3.2-2,它是μ’’/2处对应的磁场间隔,即半高宽度,它是磁性材料性能的一个重要参数。研究它,对于研究铁磁共振的机理和磁性材料的性能有重要意义。铁磁共振的宏观唯象理论的解释是,认为铁磁性物质总磁矩M在稳恒磁场B的作用下,绕B进行,进动角频率B,由于内部存在阻尼作用,M的进动角会逐渐减小,逐渐趋于平衡方向,即B的方向而被磁化。当进动频率等于外加微波磁场Hm的角频率ω0时,M吸收微波磁场能量,用以克服阻尼并维持进动,此时即发生铁磁共振。铁磁物质在处呈现共振吸收,只适合于球状样品和磁晶各向异性较小的样品。对于非球状样品,铁磁物质在稳恒磁场和微波磁场的作用下磁化,相应的会在内部产生所谓退磁场,从而使共振点发生位移,只有球状样品,退磁场对共振点没有影响。另外,铁磁物质在磁场中被磁化的难易程度随方向而异,这种现象称为磁晶各向异性,它等效于一个内部磁场也会使共振点发生位移,对于单晶样品,实验时,要先作晶轴定向,使易磁化方向转向稳恒磁场方向。对于多晶样品,由于磁晶各向异性比较小,对共振点影响很小。铁磁共振实验通常采用谐振腔法,该法灵敏度较高,但测量的频率较窄。如下图:微波由发生器产生经隔离器,由定向耦合器分为两路,一路经晶体检波器,由微安计监视繁盛期的输出功率;另一路经隔离器进入带样品的谐振腔,当磁场变化时,谐振腔的输出功率发生变化,经精密衰减器控制进入晶体检波器,由微安计指示共振情况实验设备:微波发生器,隔离器,定向耦合器,...

1、当您付费下载文档后,您只拥有了使用权限,并不意味着购买了版权,文档只能用于自身使用,不得用于其他商业用途(如 [转卖]进行直接盈利或[编辑后售卖]进行间接盈利)。
2、本站所有内容均由合作方或网友上传,本站不对文档的完整性、权威性及其观点立场正确性做任何保证或承诺!文档内容仅供研究参考,付费前请自行鉴别。
3、如文档内容存在违规,或者侵犯商业秘密、侵犯著作权等,请点击“违规举报”。

碎片内容

蜗牛文库的最新文档

二年级数学下册其中检测卷二年级数学下册其中检测卷附答案#期中测试卷.pdf
10.00金币
0下载
二年级数学下册期末质检卷(苏教版)二年级数学下册期末质检卷(苏教版)#期末复习 #期末测试卷 #二年级数学 #二年级数学下册#关注我持续更新小学知识.pdf
10.00金币
0下载
二年级数学下册期末混合运算专项练习二年级数学下册期末混合运算专项练习#二年级#二年级数学下册#关注我持续更新小学知识 #知识分享 #家长收藏孩子受益.pdf
10.00金币
1下载
二年级数学下册年月日三类周期问题解题方法二年级数学下册年月日三类周期问题解题方法#二年级#二年级数学下册#知识分享 #关注我持续更新小学知识 #家长收藏孩子受益.pdf
10.00金币
0下载
二年级数学下册解决问题专项训练二年级数学下册解决问题专项训练#专项训练#解决问题#二年级#二年级数学下册#知识分享.pdf
10.00金币
1下载
二年级数学下册还原问题二年级数学下册还原问题#二年级#二年级数学#关注我持续更新小学知识 #知识分享 #家长收藏孩子受益.pdf
10.00金币
1下载
二年级数学下册第六单元考试卷家长打印出来给孩子测试测试争取拿到高分!#小学二年级试卷分享 #二年级第六单考试数学 #第六单考试#二年级数学下册.pdf
10.00金币
0下载
二年级数学下册必背顺口溜口诀汇总二年级数学下册必背顺口溜口诀汇总#二年级#二年级数学下册 #知识分享 #家长收藏孩子受益 #关注我持续更新小学知识.pdf
10.00金币
0下载
二年级数学下册《重点难点思维题》两大问题解决技巧和方法巧算星期几解决周期问题还原问题强化思维训练老师精心整理家长可以打印出来给孩子练习#家长收藏孩子受益 #学霸秘籍 #思维训练 #二年级 #知识点总结.pdf
10.00金币
0下载
二年级数学下册 必背公式大全寒假提前背一背开学更轻松#二年级 #二年级数学 #二年级数学下册 #寒假充电计划 #公式.pdf
10.00金币
0下载
蜗牛文库+ 关注
实名认证
内容提供者

提供各种专业文档内容

确认删除?
QQ
  • QQ点击这里给我发消息
微信客服
  • 微信客服
回到顶部