电脑桌面
添加蜗牛文库到电脑桌面
安装后可以在桌面快捷访问

[www.staffempire.com]-JB-T 1736-1991 旋启式止回阀阀瓣密封圈.pdfVIP免费

[www.staffempire.com]-JB-T 1736-1991 旋启式止回阀阀瓣密封圈.pdf_第1页
[www.staffempire.com]-JB-T 1736-1991 旋启式止回阀阀瓣密封圈.pdf_第2页
[www.staffempire.com]-JB-T 1736-1991 旋启式止回阀阀瓣密封圈.pdf_第3页
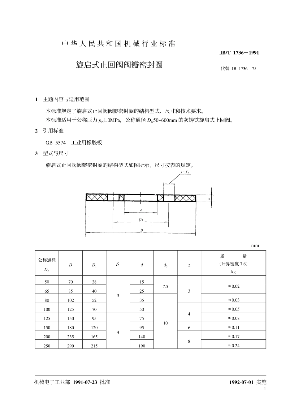
J16JB/T1736-1991旋启式止回阀阀瓣密封圈1991-07-23发布1992-07-01实施机械电子工业部发布11主题内容与适用范围本标准规定了旋启式止回阀阀瓣密封圈的结构型式、尺寸和技术要求。本标准适用于公称压力pN1.0MPa,公称通径DN50~600mm的灰铸铁旋启式止回阀。2引用标准GB5574工业用橡胶板3型式与尺寸旋启式止回阀阀瓣密封圈的结构型式如图所示,尺寸按表的规定。mm公称通径DNDD1δdd0z质量(计算密度7.6)kg50702815658540257.5≈0.028010252353≈0.0310012570350≈0.0512515095754≈0.08150180120956≈0.11200235165140≈0.172502902154190108≈0.24机械电子工业部1991-07-23批准中华人民共和国机械行业标准旋启式止回阀阀瓣密封圈JB/T1736-1991代替JB1736—751992-07-01实施JB/T1736-19912续表mm公称通径DNDD1δdd0z质量(计算密度7.6)kg30034526022510≈0.42350395310275≈0.4940045035532012≈0.62450500405537014≈0.7050056045541516≈1.0560066055565151218≈1.264技术要求材料为1260,技术要求按GB5574的规定。附加说明:本标准由机械电子工业部合肥通用机械研究所提出并归口。本标准由机械电子工业部合肥通用机械研究所和北京阀门研究所负责起草。本标准主要起草人洪勉成、章华友、陆培文、王静忻。JB/T1736-1991中华人民共和国机械行业标准旋启式止回阀阀瓣密封圈JB/T1736-1991*机械科学研究院出版发行机械科学研究院印刷(北京首体南路2号邮编100044)*开本880×12301/16印张3/8字数4,0001993年1月第一版1993年1月第一次印刷印数1-500定价5.00元编号93001机械工业标准服务网:http://www.JB.ac.cn

1、当您付费下载文档后,您只拥有了使用权限,并不意味着购买了版权,文档只能用于自身使用,不得用于其他商业用途(如 [转卖]进行直接盈利或[编辑后售卖]进行间接盈利)。
2、本站所有内容均由合作方或网友上传,本站不对文档的完整性、权威性及其观点立场正确性做任何保证或承诺!文档内容仅供研究参考,付费前请自行鉴别。
3、如文档内容存在违规,或者侵犯商业秘密、侵犯著作权等,请点击“违规举报”。

碎片内容

蜗牛文库的最新文档

二年级数学下册其中检测卷二年级数学下册其中检测卷附答案#期中测试卷.pdf
10.00金币
0下载
二年级数学下册期末质检卷(苏教版)二年级数学下册期末质检卷(苏教版)#期末复习 #期末测试卷 #二年级数学 #二年级数学下册#关注我持续更新小学知识.pdf
10.00金币
0下载
二年级数学下册期末混合运算专项练习二年级数学下册期末混合运算专项练习#二年级#二年级数学下册#关注我持续更新小学知识 #知识分享 #家长收藏孩子受益.pdf
10.00金币
1下载
二年级数学下册年月日三类周期问题解题方法二年级数学下册年月日三类周期问题解题方法#二年级#二年级数学下册#知识分享 #关注我持续更新小学知识 #家长收藏孩子受益.pdf
10.00金币
0下载
二年级数学下册解决问题专项训练二年级数学下册解决问题专项训练#专项训练#解决问题#二年级#二年级数学下册#知识分享.pdf
10.00金币
1下载
二年级数学下册还原问题二年级数学下册还原问题#二年级#二年级数学#关注我持续更新小学知识 #知识分享 #家长收藏孩子受益.pdf
10.00金币
1下载
二年级数学下册第六单元考试卷家长打印出来给孩子测试测试争取拿到高分!#小学二年级试卷分享 #二年级第六单考试数学 #第六单考试#二年级数学下册.pdf
10.00金币
0下载
二年级数学下册必背顺口溜口诀汇总二年级数学下册必背顺口溜口诀汇总#二年级#二年级数学下册 #知识分享 #家长收藏孩子受益 #关注我持续更新小学知识.pdf
10.00金币
0下载
二年级数学下册《重点难点思维题》两大问题解决技巧和方法巧算星期几解决周期问题还原问题强化思维训练老师精心整理家长可以打印出来给孩子练习#家长收藏孩子受益 #学霸秘籍 #思维训练 #二年级 #知识点总结.pdf
10.00金币
0下载
二年级数学下册 必背公式大全寒假提前背一背开学更轻松#二年级 #二年级数学 #二年级数学下册 #寒假充电计划 #公式.pdf
10.00金币
0下载
蜗牛文库+ 关注
实名认证
内容提供者

提供各种专业文档内容

确认删除?
QQ
  • QQ点击这里给我发消息
微信客服
  • 微信客服
回到顶部