电脑桌面
添加蜗牛文库到电脑桌面
安装后可以在桌面快捷访问

GB 28315-2012 食品安全国家标准 食品添加剂 紫草红.pdfVIP免费

GB 28315-2012 食品安全国家标准 食品添加剂 紫草红.pdf_第1页
GB 28315-2012 食品安全国家标准 食品添加剂 紫草红.pdf_第2页
GB 28315-2012 食品安全国家标准 食品添加剂 紫草红.pdf_第3页
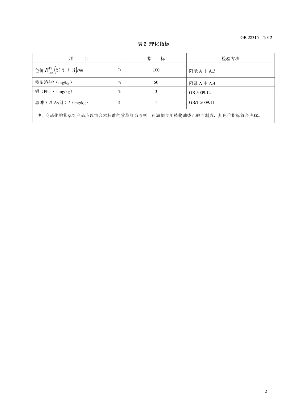
中华人民共和国国家标准GB28315—2012中华人民共和国卫生部发布2012-04-25发布2012-06-25实施食品安全国家标准食品添加剂紫草红GB28315—20121食品安全国家标准食品添加剂紫草红1范围本标准适用于以紫草科植物紫草(Lithospermumeuchromom;Lithospermumerythrohizn;Macrotomiaeuchroma)的根为原料,经萃取、精制而成的食品添加剂紫草红。2主成分的分子式、结构式和相对分子质量2.1分子式紫草宁:C16H16O52.2结构式R=H2.3相对分子质量紫草宁:288.295(按2007年国际相对原子质量)3技术要求3.1感官要求:应符合表1的规定。表1感官要求项目要求检验方法色泽深紫红色取适量样品置于清洁、干燥的白瓷盘中,在自然光线下,观察其色泽和状态状态油状液体3.2理化指标:应符合表2的规定。GB28315—20122表2理化指标项目指标检验方法色价nmcm3515%11E≥100附录A中A.3残留溶剂/(mg/kg)≤50附录A中A.4铅(Pb)/(mg/kg)≤3GB5009.12总砷(以As计)/(mg/kg)≤1GB/T5009.11注:商品化的紫草红产品应以符合本标准的紫草红为原料,可添加食用植物油或乙醇而制成,其色价指标符合声称。GB28315—20123附录A检验方法A.1一般规定本标准所用试剂和水,在没有注明其他要求时,均指分析纯试剂和GB/T6682中规定的三级水。分析中所用标准滴定溶液、杂质测定用标准溶液、制剂及制品,在没有注明其他要求时,均按GB/T601、GB/T602、GB/T603的规定制备。本试验所用溶液在未注明用何种溶剂配制时,均指水溶液。A.2鉴别试验A.2.1溶解性不溶于水,部分溶于碱性水溶液,溶于丙酮和正己烷。A.2.2最大吸收峰取A.3色价测定中的紫草红试样液,用分光光度计检测,在515nm附近有最大吸收峰。A.2.3层析试验A.2.3.1展层溶液石油醚:乙酸乙酯=9:1(体积比)。A.2.3.2分析步骤将试样的丙酮溶液点在硅胶板上,将点样后的硅胶板放入已被展层溶液饱和的层析缸中展层,硅胶板呈现四个斑点,其颜色分别为淡紫色、淡紫色、紫色、紫红色,其Rf值分别为0.20、0.35、0.53、0.64。A.3色价的测定A.3.1试剂和材料丙酮。A.3.2仪器和设备分光光度计。A.3.3分析步骤称取0.05g~0.1g试样,精确到0.0001g,用丙酮定容于100mL容量瓶中,摇匀,再从中精确吸取5mL,丙酮稀释定容于100mL的容量瓶中,摇匀,用丙酮作参比液,用分光光度计在515nm±3nm范围内的最大吸收峰处,于1cm比色皿中测定其吸光度。吸光度应控制在0.3~0.7之间,否则应调整试样液浓度,再重新测定吸光度。A.3.4结果计算色价以被...

1、当您付费下载文档后,您只拥有了使用权限,并不意味着购买了版权,文档只能用于自身使用,不得用于其他商业用途(如 [转卖]进行直接盈利或[编辑后售卖]进行间接盈利)。
2、本站所有内容均由合作方或网友上传,本站不对文档的完整性、权威性及其观点立场正确性做任何保证或承诺!文档内容仅供研究参考,付费前请自行鉴别。
3、如文档内容存在违规,或者侵犯商业秘密、侵犯著作权等,请点击“违规举报”。

碎片内容

蜗牛文库的最新文档

二年级数学下册其中检测卷二年级数学下册其中检测卷附答案#期中测试卷.pdf
10.00金币
0下载
二年级数学下册期末质检卷(苏教版)二年级数学下册期末质检卷(苏教版)#期末复习 #期末测试卷 #二年级数学 #二年级数学下册#关注我持续更新小学知识.pdf
10.00金币
0下载
二年级数学下册期末混合运算专项练习二年级数学下册期末混合运算专项练习#二年级#二年级数学下册#关注我持续更新小学知识 #知识分享 #家长收藏孩子受益.pdf
10.00金币
1下载
二年级数学下册年月日三类周期问题解题方法二年级数学下册年月日三类周期问题解题方法#二年级#二年级数学下册#知识分享 #关注我持续更新小学知识 #家长收藏孩子受益.pdf
10.00金币
0下载
二年级数学下册解决问题专项训练二年级数学下册解决问题专项训练#专项训练#解决问题#二年级#二年级数学下册#知识分享.pdf
10.00金币
1下载
二年级数学下册还原问题二年级数学下册还原问题#二年级#二年级数学#关注我持续更新小学知识 #知识分享 #家长收藏孩子受益.pdf
10.00金币
1下载
二年级数学下册第六单元考试卷家长打印出来给孩子测试测试争取拿到高分!#小学二年级试卷分享 #二年级第六单考试数学 #第六单考试#二年级数学下册.pdf
10.00金币
0下载
二年级数学下册必背顺口溜口诀汇总二年级数学下册必背顺口溜口诀汇总#二年级#二年级数学下册 #知识分享 #家长收藏孩子受益 #关注我持续更新小学知识.pdf
10.00金币
0下载
二年级数学下册《重点难点思维题》两大问题解决技巧和方法巧算星期几解决周期问题还原问题强化思维训练老师精心整理家长可以打印出来给孩子练习#家长收藏孩子受益 #学霸秘籍 #思维训练 #二年级 #知识点总结.pdf
10.00金币
0下载
二年级数学下册 必背公式大全寒假提前背一背开学更轻松#二年级 #二年级数学 #二年级数学下册 #寒假充电计划 #公式.pdf
10.00金币
0下载
蜗牛文库+ 关注
实名认证
内容提供者

提供各种专业文档内容

确认删除?
QQ
  • QQ点击这里给我发消息
微信客服
  • 微信客服
回到顶部