电脑桌面
添加蜗牛文库到电脑桌面
安装后可以在桌面快捷访问

GB 1886.77-2016 食品安全国家标准 食品添加剂 罗汉果甜苷.pdfVIP免费

GB 1886.77-2016 食品安全国家标准 食品添加剂 罗汉果甜苷.pdf_第1页
GB 1886.77-2016 食品安全国家标准 食品添加剂 罗汉果甜苷.pdf_第2页
GB 1886.77-2016 食品安全国家标准 食品添加剂 罗汉果甜苷.pdf_第3页
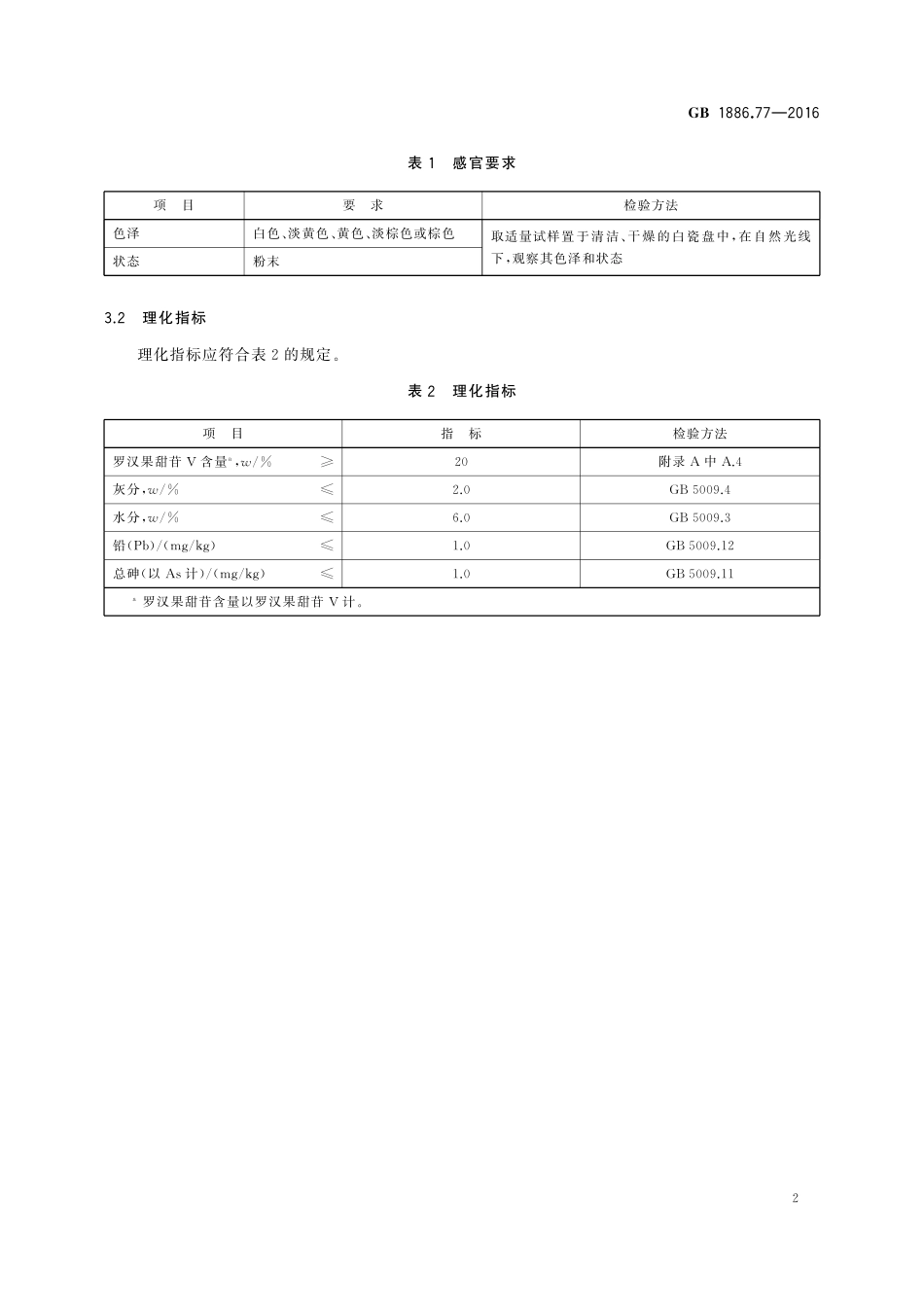
中华人民共和国国家标准GB1886.77—2016食品安全国家标准食品添加剂罗汉果甜苷2016-08-31发布2017-01-01实施中华人民共和国国家卫生和计划生育委员会发布GB1886.77—20161食品安全国家标准食品添加剂罗汉果甜苷1范围本标准适用于以罗汉果[Siraitiagrosvenorii(Swingle)C.Jeffrey]为原料,经水煮提取、浓缩、干燥等工艺精制而成的食品添加剂罗汉果甜苷。2分子式、结构式和相对分子质量2.1分子式C60H102O292.2结构式2.3相对分子质量1287.43(按2011年国际相对原子质量)3技术要求3.1感官要求感官要求应符合表1的规定。GB1886.77—20162表1感官要求项目要求检验方法色泽白色、淡黄色、黄色、淡棕色或棕色状态粉末取适量试样置于清洁、干燥的白瓷盘中,在自然光线下,观察其色泽和状态3.2理化指标理化指标应符合表2的规定。表2理化指标项目指标检验方法罗汉果甜苷V含量a,w/%≥20附录A中A.4灰分,w/%≤2.0GB5009.4水分,w/%≤6.0GB5009.3铅(Pb)/(mg/kg)≤1.0GB5009.12总砷(以As计)/(mg/kg)≤1.0GB5009.11a罗汉果甜苷含量以罗汉果甜苷V计。GB1886.77—20163附录A检验方法A.1安全提示本标准试验方法中使用的部分试剂具有毒性或腐蚀性,按相关规定操作,操作时应小心谨慎。若溅到皮肤上应立即用水冲洗,严重者应立即治疗。在使用挥发性酸时,要在通风柜中进行。A.2一般规定本标准所用试剂和水,在没有注明其他要求时,均指分析纯试剂和GB/T6682中规定的三级水。试验中所用标准溶液、杂质标准溶液、制剂及制品,在没有注明其他要求时,均按GB/T601、GB/T602和GB/T603的规定制备。试验中所用溶液在未注明用何种溶剂配制时,均指水溶液。A.3鉴别试验A.3.1试剂和材料A.3.1.1罗汉果甜苷V对照品:纯度大于等于98%。A.3.1.2硫酸。A.3.1.3乙酸酐。A.3.1.4薄层层析硅胶板:使用前110℃活化1h。A.3.1.5展开剂:甲醇∶乙酸丁酯∶水=15∶15∶4。A.3.1.6甲醇溶液:量取甲醇70mL于100mL容量瓶中,用水稀释至刻度。A.3.1.7硫酸溶液:10%,1→10。A.3.1.8罗汉果甜苷V对照品溶液:称取5mg~10mg罗汉果甜苷V对照品溶于1mL~3mL甲醇溶液中,制成参比液。A.3.2鉴别方法A.3.2.1颜色反应在5mg~10mg试样(已干燥)中加入2mL乙酸酐,温热2min,缓慢加入0.5mL硫酸,两层分界面呈现红棕色。A.3.2.2薄层色谱称取0.05g~0.1g试样于1mL~3mL甲醇溶液中,振摇溶解,制成测试液。用微量点样器分别吸取2μL测试液和对照品溶液点样于薄层层析板的点样线上(点样线距硅胶板底部2.0cm,每次点样均需吹干),放入层析缸(事先放入展开剂)中...

1、当您付费下载文档后,您只拥有了使用权限,并不意味着购买了版权,文档只能用于自身使用,不得用于其他商业用途(如 [转卖]进行直接盈利或[编辑后售卖]进行间接盈利)。
2、本站所有内容均由合作方或网友上传,本站不对文档的完整性、权威性及其观点立场正确性做任何保证或承诺!文档内容仅供研究参考,付费前请自行鉴别。
3、如文档内容存在违规,或者侵犯商业秘密、侵犯著作权等,请点击“违规举报”。

碎片内容

蜗牛文库的最新文档

二年级数学下册其中检测卷二年级数学下册其中检测卷附答案#期中测试卷.pdf
10.00金币
0下载
二年级数学下册期末质检卷(苏教版)二年级数学下册期末质检卷(苏教版)#期末复习 #期末测试卷 #二年级数学 #二年级数学下册#关注我持续更新小学知识.pdf
10.00金币
0下载
二年级数学下册期末混合运算专项练习二年级数学下册期末混合运算专项练习#二年级#二年级数学下册#关注我持续更新小学知识 #知识分享 #家长收藏孩子受益.pdf
10.00金币
1下载
二年级数学下册年月日三类周期问题解题方法二年级数学下册年月日三类周期问题解题方法#二年级#二年级数学下册#知识分享 #关注我持续更新小学知识 #家长收藏孩子受益.pdf
10.00金币
0下载
二年级数学下册解决问题专项训练二年级数学下册解决问题专项训练#专项训练#解决问题#二年级#二年级数学下册#知识分享.pdf
10.00金币
1下载
二年级数学下册还原问题二年级数学下册还原问题#二年级#二年级数学#关注我持续更新小学知识 #知识分享 #家长收藏孩子受益.pdf
10.00金币
1下载
二年级数学下册第六单元考试卷家长打印出来给孩子测试测试争取拿到高分!#小学二年级试卷分享 #二年级第六单考试数学 #第六单考试#二年级数学下册.pdf
10.00金币
0下载
二年级数学下册必背顺口溜口诀汇总二年级数学下册必背顺口溜口诀汇总#二年级#二年级数学下册 #知识分享 #家长收藏孩子受益 #关注我持续更新小学知识.pdf
10.00金币
0下载
二年级数学下册《重点难点思维题》两大问题解决技巧和方法巧算星期几解决周期问题还原问题强化思维训练老师精心整理家长可以打印出来给孩子练习#家长收藏孩子受益 #学霸秘籍 #思维训练 #二年级 #知识点总结.pdf
10.00金币
0下载
二年级数学下册 必背公式大全寒假提前背一背开学更轻松#二年级 #二年级数学 #二年级数学下册 #寒假充电计划 #公式.pdf
10.00金币
0下载
蜗牛文库+ 关注
实名认证
内容提供者

提供各种专业文档内容

确认删除?
QQ
  • QQ点击这里给我发消息
微信客服
  • 微信客服
回到顶部