电脑桌面
添加蜗牛文库到电脑桌面
安装后可以在桌面快捷访问

GB 29984-2013 食品安全国家标准 食品添加剂 四氢芳樟醇.pdfVIP免费

GB 29984-2013 食品安全国家标准 食品添加剂 四氢芳樟醇.pdf_第1页
GB 29984-2013 食品安全国家标准 食品添加剂 四氢芳樟醇.pdf_第2页
GB 29984-2013 食品安全国家标准 食品添加剂 四氢芳樟醇.pdf_第3页
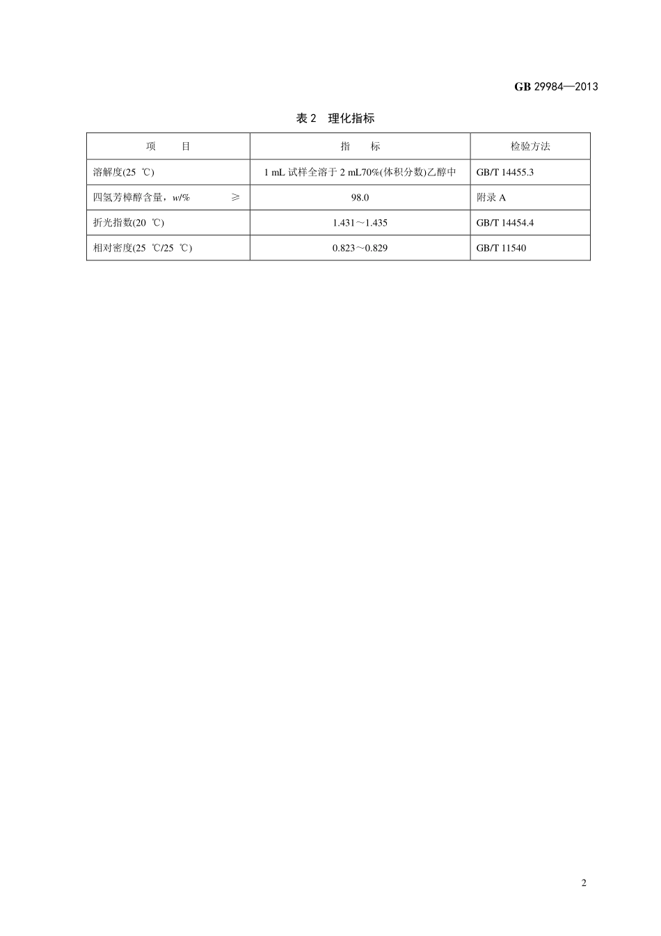
中华人民共和国国家标准GB29984—2013食品安全国家标准食品添加剂四氢芳樟醇2013-11-29发布2014-06-01实施GB29984—20131食品安全国家标准食品添加剂四氢芳樟醇1范围本标准适用于由丙酮和乙炔为原料制得的食品添加剂四氢芳樟醇。2化学名称、分子式、结构式和相对分子质量2.1化学名称3,7-二甲基-3-辛醇2.2分子式C10H22O2.3结构式OH2.4相对分子质量158.28(按2007年国际相对原子质量)3技术要求3.1感官要求感官要求应符合表1的规定。表1感官要求项目要求检验方法色泽无色将试样置于比色管内,用目测法观察状态液体香气显著的花香香气GB/T14454.23.2理化指标理化指标应符合表2的规定。GB29984—20132表2理化指标项目指标检验方法溶解度(25℃)1mL试样全溶于2mL70%(体积分数)乙醇中GB/T14455.3四氢芳樟醇含量,w/%≥98.0附录A折光指数(20℃)1.431~1.435GB/T14454.4相对密度(25℃/25℃)0.823~0.829GB/T11540GB29984—20133附录A四氢芳樟醇含量的测定A.1仪器和设备A.1.1色谱仪:按GB/T11538—2006中第5章的规定。A.1.2柱:毛细管柱。A.1.3检测器:氢火焰离子化检测器。A.2测定方法面积归一化法:按GB/T11538—2006中10.4测定含量。A.3重复性及结果表示按GB/T11538—2006中11.4规定进行,应符合要求。食品添加剂四氢芳樟醇气相色谱图(面积归一化法)参见附录B。GB29984—20134附录B食品添加剂四氢芳樟醇气相色谱图(面积归一化法)B.1食品添加剂四氢芳樟醇气相色谱图见图B.1。图B.1食品添加剂四氢芳樟醇气相色谱图B.2操作条件B.2.1柱:毛细管柱,长50m,内径0.32mm。B.2.2固定相:5%苯基甲基聚硅氧烷。B.2.3膜厚:0.33μm。B.2.4色谱炉温度:100℃恒温。B.2.5进样口温度:240℃。B.2.6检测器温度:300℃。B.2.7检测器:氢火焰离子化检测器。B.2.8载气:氮气。B.2.9柱前压:0.12MPa。B.2.10进样量:0.2μL。B.2.11分流比:80︰1。

1、当您付费下载文档后,您只拥有了使用权限,并不意味着购买了版权,文档只能用于自身使用,不得用于其他商业用途(如 [转卖]进行直接盈利或[编辑后售卖]进行间接盈利)。
2、本站所有内容均由合作方或网友上传,本站不对文档的完整性、权威性及其观点立场正确性做任何保证或承诺!文档内容仅供研究参考,付费前请自行鉴别。
3、如文档内容存在违规,或者侵犯商业秘密、侵犯著作权等,请点击“违规举报”。

碎片内容

蜗牛文库的最新文档

二年级数学下册其中检测卷二年级数学下册其中检测卷附答案#期中测试卷.pdf
10.00金币
0下载
二年级数学下册期末质检卷(苏教版)二年级数学下册期末质检卷(苏教版)#期末复习 #期末测试卷 #二年级数学 #二年级数学下册#关注我持续更新小学知识.pdf
10.00金币
0下载
二年级数学下册期末混合运算专项练习二年级数学下册期末混合运算专项练习#二年级#二年级数学下册#关注我持续更新小学知识 #知识分享 #家长收藏孩子受益.pdf
10.00金币
1下载
二年级数学下册年月日三类周期问题解题方法二年级数学下册年月日三类周期问题解题方法#二年级#二年级数学下册#知识分享 #关注我持续更新小学知识 #家长收藏孩子受益.pdf
10.00金币
0下载
二年级数学下册解决问题专项训练二年级数学下册解决问题专项训练#专项训练#解决问题#二年级#二年级数学下册#知识分享.pdf
10.00金币
1下载
二年级数学下册还原问题二年级数学下册还原问题#二年级#二年级数学#关注我持续更新小学知识 #知识分享 #家长收藏孩子受益.pdf
10.00金币
1下载
二年级数学下册第六单元考试卷家长打印出来给孩子测试测试争取拿到高分!#小学二年级试卷分享 #二年级第六单考试数学 #第六单考试#二年级数学下册.pdf
10.00金币
0下载
二年级数学下册必背顺口溜口诀汇总二年级数学下册必背顺口溜口诀汇总#二年级#二年级数学下册 #知识分享 #家长收藏孩子受益 #关注我持续更新小学知识.pdf
10.00金币
0下载
二年级数学下册《重点难点思维题》两大问题解决技巧和方法巧算星期几解决周期问题还原问题强化思维训练老师精心整理家长可以打印出来给孩子练习#家长收藏孩子受益 #学霸秘籍 #思维训练 #二年级 #知识点总结.pdf
10.00金币
0下载
二年级数学下册 必背公式大全寒假提前背一背开学更轻松#二年级 #二年级数学 #二年级数学下册 #寒假充电计划 #公式.pdf
10.00金币
0下载
蜗牛文库+ 关注
实名认证
内容提供者

提供各种专业文档内容

确认删除?
QQ
  • QQ点击这里给我发消息
微信客服
  • 微信客服
回到顶部