电脑桌面
添加蜗牛文库到电脑桌面
安装后可以在桌面快捷访问

GB 1886.255-2016 食品安全国家标准 食品添加剂 活性炭.pdfVIP免费

GB 1886.255-2016 食品安全国家标准 食品添加剂 活性炭.pdf_第1页
GB 1886.255-2016 食品安全国家标准 食品添加剂 活性炭.pdf_第2页
GB 1886.255-2016 食品安全国家标准 食品添加剂 活性炭.pdf_第3页
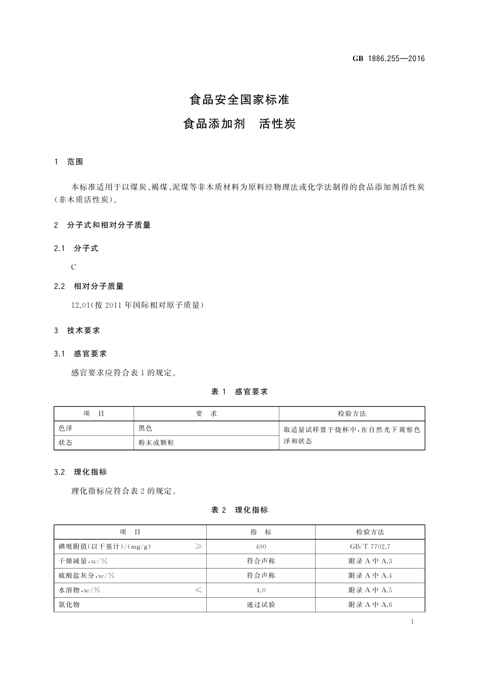
中华人民共和国国家标准GB1886.255—2016食品安全国家标准食品添加剂活性炭2016-08-31发布2017-01-01实施中华人民共和国国家卫生和计划生育委员会发布GB1886.255—20161食品安全国家标准食品添加剂活性炭1范围本标准适用于以煤炭、褐煤、泥煤等非木质材料为原料经物理法或化学法制得的食品添加剂活性炭(非木质活性炭)。2分子式和相对分子质量2.1分子式C2.2相对分子质量12.01(按2011年国际相对原子质量)3技术要求3.1感官要求感官要求应符合表1的规定。表1感官要求项目要求检验方法色泽黑色状态粉末或颗粒取适量试样置于烧杯中,在自然光下观察色泽和状态3.2理化指标理化指标应符合表2的规定。表2理化指标项目指标检验方法碘吸附值(以干基计)/(mg/g)≥400GB/T7702.7干燥减量,w/%符合声称附录A中A.3硫酸盐灰分,w/%符合声称附录A中A.4水溶物,w/%≤4.0附录A中A.5氰化物通过试验附录A中A.6GB1886.255—20162表2(续)项目指标检验方法高级芳香烃通过试验附录A中A.7砷(As)/(mg/kg)≤3.0附录A中A.8铅(Pb)/(mg/kg)≤5.0附录A中A.9重金属(以Pb计)/(mg/kg)≤40附录A中A.10GB1886.255—20163附录A检验方法A.1一般规定本标准所用试剂和水,在没有注明其他要求时,均指分析纯试剂和GB/T6682中规定的三级水。试验中所用标准滴定溶液、杂质测定用标准溶液、制剂及制品,在没有注明其他要求时,均按GB/T601、GB/T602、GB/T603的规定制备。试验中所用溶液在未注明用何种溶剂配制时,均指水溶液。A.2鉴别试验A.2.1试剂和材料A.2.1.1盐酸溶液:5+95。A.2.1.2碘溶液:在100mL水中溶解14.0g碘和36.0g碘化钾,加3滴盐酸,用水稀释至1000mL,摇匀。A.2.2鉴别方法称取约3.0g试样,置于盛有10mL盐酸溶液的碘量瓶中,煮沸并保持30s,冷却到室温,加100mL碘溶液,塞上瓶塞,剧烈振摇30s。用中速定性滤纸过滤,弃去初滤液20mL,滤液转移到50mL比色管中至刻度,与参比溶液比对,其颜色不应深于参比溶液。参比溶液:用移液管移取10mL碘溶液置于50mL比色管中,用水稀释至刻度,摇匀。A.3干燥减量的测定A.3.1仪器和设备称量瓶:Φ50mm×30mm。A.3.2分析步骤使用已于120℃±2℃下干燥至质量恒定的称量瓶称取1g~2g试样,精确至0.0002g,于120℃±2℃下干燥4h。在干燥器中放置至室温后称量。A.3.3结果计算干燥减量的质量分数w1,按式(A.1)计算:w1=m1-m2m×100%……………………(A.1)式中:m1———干燥前试样和称量瓶的质量,单位为克(g);m2———干燥后试样和称量瓶的质量,单位为克(g);m———试样的质量,单位为克(g)。G...

1、当您付费下载文档后,您只拥有了使用权限,并不意味着购买了版权,文档只能用于自身使用,不得用于其他商业用途(如 [转卖]进行直接盈利或[编辑后售卖]进行间接盈利)。
2、本站所有内容均由合作方或网友上传,本站不对文档的完整性、权威性及其观点立场正确性做任何保证或承诺!文档内容仅供研究参考,付费前请自行鉴别。
3、如文档内容存在违规,或者侵犯商业秘密、侵犯著作权等,请点击“违规举报”。

碎片内容

蜗牛文库的最新文档

二年级数学下册其中检测卷二年级数学下册其中检测卷附答案#期中测试卷.pdf
10.00金币
0下载
二年级数学下册期末质检卷(苏教版)二年级数学下册期末质检卷(苏教版)#期末复习 #期末测试卷 #二年级数学 #二年级数学下册#关注我持续更新小学知识.pdf
10.00金币
0下载
二年级数学下册期末混合运算专项练习二年级数学下册期末混合运算专项练习#二年级#二年级数学下册#关注我持续更新小学知识 #知识分享 #家长收藏孩子受益.pdf
10.00金币
1下载
二年级数学下册年月日三类周期问题解题方法二年级数学下册年月日三类周期问题解题方法#二年级#二年级数学下册#知识分享 #关注我持续更新小学知识 #家长收藏孩子受益.pdf
10.00金币
0下载
二年级数学下册解决问题专项训练二年级数学下册解决问题专项训练#专项训练#解决问题#二年级#二年级数学下册#知识分享.pdf
10.00金币
1下载
二年级数学下册还原问题二年级数学下册还原问题#二年级#二年级数学#关注我持续更新小学知识 #知识分享 #家长收藏孩子受益.pdf
10.00金币
1下载
二年级数学下册第六单元考试卷家长打印出来给孩子测试测试争取拿到高分!#小学二年级试卷分享 #二年级第六单考试数学 #第六单考试#二年级数学下册.pdf
10.00金币
0下载
二年级数学下册必背顺口溜口诀汇总二年级数学下册必背顺口溜口诀汇总#二年级#二年级数学下册 #知识分享 #家长收藏孩子受益 #关注我持续更新小学知识.pdf
10.00金币
0下载
二年级数学下册《重点难点思维题》两大问题解决技巧和方法巧算星期几解决周期问题还原问题强化思维训练老师精心整理家长可以打印出来给孩子练习#家长收藏孩子受益 #学霸秘籍 #思维训练 #二年级 #知识点总结.pdf
10.00金币
0下载
二年级数学下册 必背公式大全寒假提前背一背开学更轻松#二年级 #二年级数学 #二年级数学下册 #寒假充电计划 #公式.pdf
10.00金币
0下载
蜗牛文库+ 关注
实名认证
内容提供者

提供各种专业文档内容

确认删除?
QQ
  • QQ点击这里给我发消息
微信客服
  • 微信客服
回到顶部