电脑桌面
添加蜗牛文库到电脑桌面
安装后可以在桌面快捷访问

GB 1886.231-2016 食品安全国家标准 食品添加剂 乳酸链球菌素.pdfVIP免费

GB 1886.231-2016 食品安全国家标准 食品添加剂 乳酸链球菌素.pdf_第1页
GB 1886.231-2016 食品安全国家标准 食品添加剂 乳酸链球菌素.pdf_第2页
GB 1886.231-2016 食品安全国家标准 食品添加剂 乳酸链球菌素.pdf_第3页
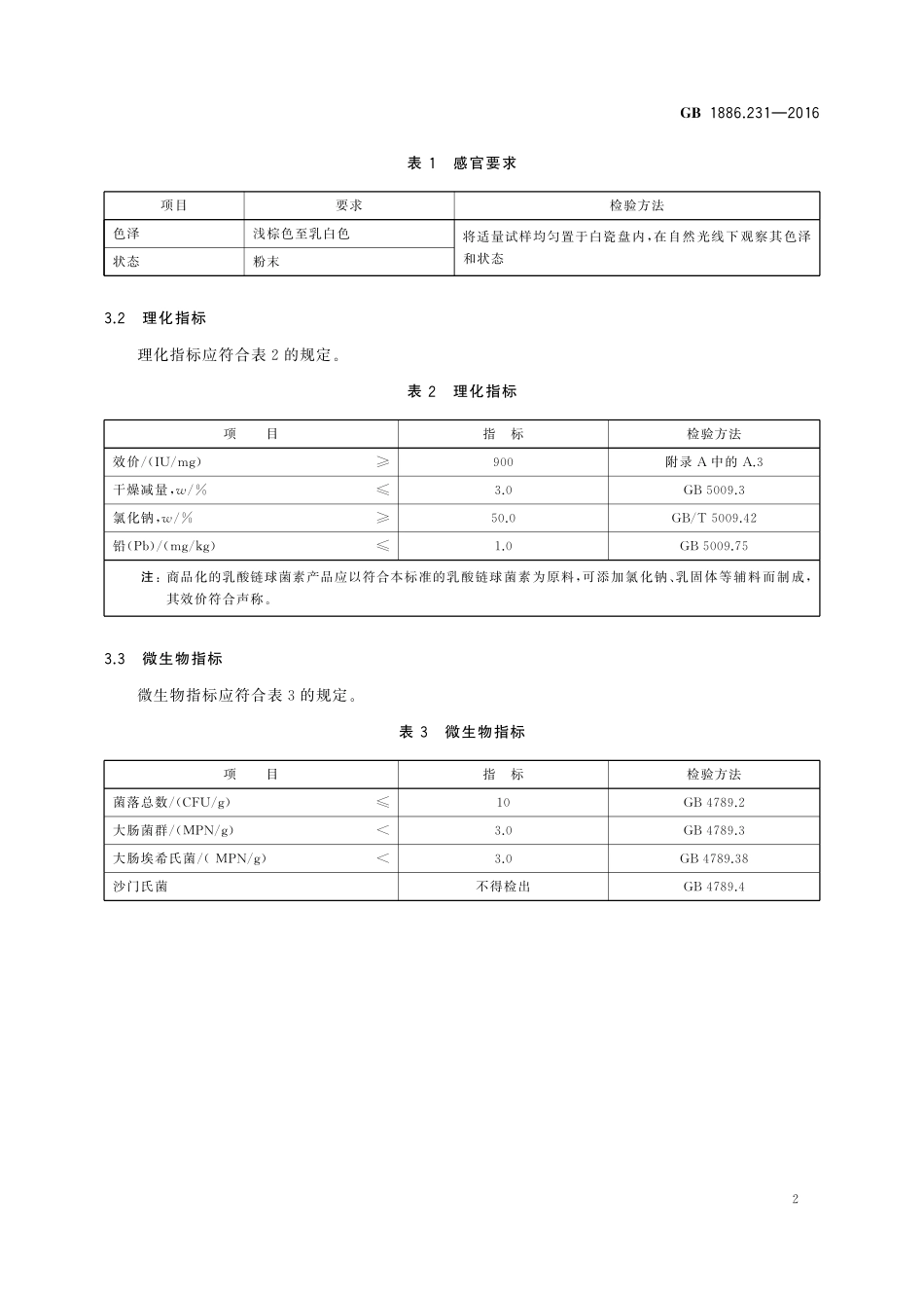
中华人民共和国国家标准GB1886.231—2016食品安全国家标准食品添加剂乳酸链球菌素2016-08-31发布2017-01-01实施中华人民共和国国家卫生和计划生育委员会发布GB1886.231—20161食品安全国家标准食品添加剂乳酸链球菌素1范围本标准适用于经乳酸乳球菌(Lactococcuslactissubsplactis)发酵后提取而制得的食品添加剂乳酸链球菌素。2分子式、结构式和相对分子质量2.1分子式C143H230O37N42S7(NisinA)C141H228O38N41S7(NisinZ)2.2结构式NisnA:第27位氨基酸为组氨酸(His);NisnZ:第27位氨基酸为天冬酰胺(Asn)2.3相对分子质量NisinA:3354.35(按2013年国际相对原子质量)NisinZ:3330.31(按2013年国际相对原子质量)3技术要求3.1感官要求感官要求应符合表1的规定。GB1886.231—20162表1感官要求项目要求检验方法色泽浅棕色至乳白色状态粉末将适量试样均匀置于白瓷盘内,在自然光线下观察其色泽和状态3.2理化指标理化指标应符合表2的规定。表2理化指标项目指标检验方法效价/(IU/mg)≥900附录A中的A.3干燥减量,w/%≤3.0GB5009.3氯化钠,w/%≥50.0GB/T5009.42铅(Pb)/(mg/kg)≤1.0GB5009.75注:商品化的乳酸链球菌素产品应以符合本标准的乳酸链球菌素为原料,可添加氯化钠、乳固体等辅料而制成,其效价符合声称。3.3微生物指标微生物指标应符合表3的规定。表3微生物指标项目指标检验方法菌落总数/(CFU/g)≤10GB4789.2大肠菌群/(MPN/g)<3.0GB4789.3大肠埃希氏菌/(MPN/g)<3.0GB4789.38沙门氏菌不得检出GB4789.4GB1886.231—20163附录A检验方法A.1一般规定本标准除另有规定外,所用试剂的纯度应为分析纯,所用标准滴定溶液、杂质测定用标准溶液、制剂及制品,应按GB/T601、GB/T602、GB/T603的规定制备,试验用水应符合GB/T6682中三级水的规定。试验中所用溶液在未注明用何种溶剂配制时,均指水溶液。A.2鉴别试验A.2.1试剂和材料A.2.1.1盐酸溶液:0.02mol/L。A.2.1.2氢氧化钠溶液:5mol/L。A.2.1.3脱脂牛奶:脂肪含量<1%。A.2.1.4石蕊牛奶培养基。A.2.1.5检测菌:乳酸乳球菌(ATCC11454,NCIMB8586)。A.2.2分析步骤A.2.2.1试样储备液制备取1g试样,溶于1L盐酸溶液中,溶液效价约为1000IU/mL。A.2.2.2对酸溶液的稳定性试验用盐酸溶液将试样储备液稀释至约50IU/mL,制成试样溶液。将该试样溶液煮沸5min,按效价测定方法测煮沸过的试样溶液中Nisin效价。计算煮沸过的试样中Nisin的效价,计算结果在其效价值的(100%±5%)内,表明无显著活性损失。A.2.2.3对碱溶液的稳定性试验用盐酸溶液将试样储备液稀...

1、当您付费下载文档后,您只拥有了使用权限,并不意味着购买了版权,文档只能用于自身使用,不得用于其他商业用途(如 [转卖]进行直接盈利或[编辑后售卖]进行间接盈利)。
2、本站所有内容均由合作方或网友上传,本站不对文档的完整性、权威性及其观点立场正确性做任何保证或承诺!文档内容仅供研究参考,付费前请自行鉴别。
3、如文档内容存在违规,或者侵犯商业秘密、侵犯著作权等,请点击“违规举报”。

碎片内容

蜗牛文库的最新文档

二年级数学下册其中检测卷二年级数学下册其中检测卷附答案#期中测试卷.pdf
10.00金币
0下载
二年级数学下册期末质检卷(苏教版)二年级数学下册期末质检卷(苏教版)#期末复习 #期末测试卷 #二年级数学 #二年级数学下册#关注我持续更新小学知识.pdf
10.00金币
0下载
二年级数学下册期末混合运算专项练习二年级数学下册期末混合运算专项练习#二年级#二年级数学下册#关注我持续更新小学知识 #知识分享 #家长收藏孩子受益.pdf
10.00金币
1下载
二年级数学下册年月日三类周期问题解题方法二年级数学下册年月日三类周期问题解题方法#二年级#二年级数学下册#知识分享 #关注我持续更新小学知识 #家长收藏孩子受益.pdf
10.00金币
0下载
二年级数学下册解决问题专项训练二年级数学下册解决问题专项训练#专项训练#解决问题#二年级#二年级数学下册#知识分享.pdf
10.00金币
1下载
二年级数学下册还原问题二年级数学下册还原问题#二年级#二年级数学#关注我持续更新小学知识 #知识分享 #家长收藏孩子受益.pdf
10.00金币
1下载
二年级数学下册第六单元考试卷家长打印出来给孩子测试测试争取拿到高分!#小学二年级试卷分享 #二年级第六单考试数学 #第六单考试#二年级数学下册.pdf
10.00金币
0下载
二年级数学下册必背顺口溜口诀汇总二年级数学下册必背顺口溜口诀汇总#二年级#二年级数学下册 #知识分享 #家长收藏孩子受益 #关注我持续更新小学知识.pdf
10.00金币
0下载
二年级数学下册《重点难点思维题》两大问题解决技巧和方法巧算星期几解决周期问题还原问题强化思维训练老师精心整理家长可以打印出来给孩子练习#家长收藏孩子受益 #学霸秘籍 #思维训练 #二年级 #知识点总结.pdf
10.00金币
0下载
二年级数学下册 必背公式大全寒假提前背一背开学更轻松#二年级 #二年级数学 #二年级数学下册 #寒假充电计划 #公式.pdf
10.00金币
0下载
蜗牛文库+ 关注
实名认证
内容提供者

提供各种专业文档内容

确认删除?
QQ
  • QQ点击这里给我发消息
微信客服
  • 微信客服
回到顶部