电脑桌面
添加蜗牛文库到电脑桌面
安装后可以在桌面快捷访问

GB 1886.141-2016 食品安全国家标准 食品添加剂 d-核糖.pdfVIP免费

GB 1886.141-2016 食品安全国家标准 食品添加剂 d-核糖.pdf_第1页
GB 1886.141-2016 食品安全国家标准 食品添加剂 d-核糖.pdf_第2页
GB 1886.141-2016 食品安全国家标准 食品添加剂 d-核糖.pdf_第3页
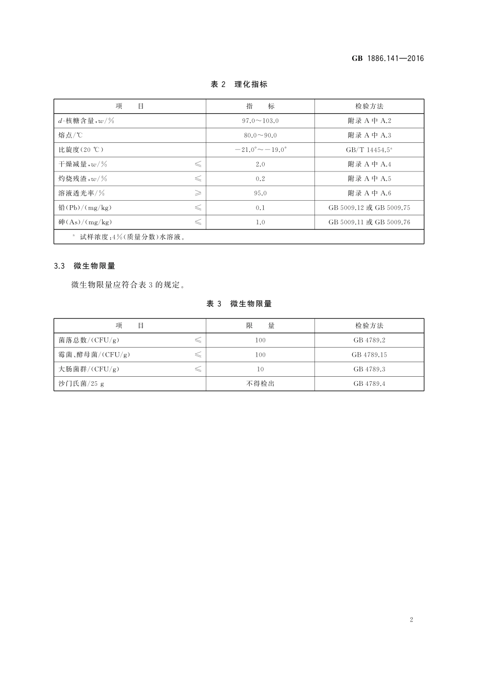
中华人民共和国国家标准GB1886.141—2016食品安全国家标准食品添加剂d-核糖2016-08-31发布2017-01-01实施中华人民共和国国家卫生和计划生育委员会发布GB1886.141—20161食品安全国家标准食品添加剂d-核糖1范围本标准适用于以葡萄糖为原料用发酵法制得的食品添加剂d-核糖。2化学名称、分子式、结构式和相对分子质量2.1化学名称(3R,4R,5R)-5-(羟甲基)四氢呋喃-2,3,4-三醇2.2分子式C5H10O52.3结构式2.4相对分子质量150.13(按2007年国际相对原子质量)3技术要求3.1感官要求感官要求应符合表1的规定。表1感官要求项目要求检验方法色泽白色至微黄色状态结晶性粉末将试样置于一洁净白纸上,用目测法观察3.2理化指标理化指标应符合表2的规定。GB1886.141—20162表2理化指标项目指标检验方法d-核糖含量,w/%97.0~103.0附录A中A.2熔点/℃80.0~90.0附录A中A.3比旋度(20℃)-21.0°~-19.0°GB/T14454.5a干燥减量,w/%≤2.0附录A中A.4灼烧残渣,w/%≤0.2附录A中A.5溶液透光率/%≥95.0附录A中A.6铅(Pb)/(mg/kg)≤0.1GB5009.12或GB5009.75砷(As)/(mg/kg)≤1.0GB5009.11或GB5009.76a试样浓度:4%(质量分数)水溶液。3.3微生物限量微生物限量应符合表3的规定。表3微生物限量项目限量检验方法菌落总数/(CFU/g)≤100GB4789.2霉菌、酵母菌/(CFU/g)≤100GB4789.15大肠菌群/(CFU/g)≤10GB4789.3沙门氏菌/25g不得检出GB4789.4GB1886.141—20163附录A检验方法A.1一般规定本标准所用试剂和水,在没有注明其他要求时,均指分析纯试剂和GB/T6682规定的三级水。试验中所用标准溶液、杂质标准溶液、制剂及制品,在没有注明其他要求时,均按GB/T601、GB/T602和GB/T603的规定制备。实验中所用溶液在未注明用何种溶剂配制时,均指水溶液。A.2d-核糖含量的测定A.2.1方法提要采用高压输液泵将规定的流动相泵入装有填充剂的色谱柱,对试样进行分离测定的色谱方法。注入的试样,由流动相带入柱内,各组分在柱内被分离,并依次进入检测器,由积分仪或数据处理系统记录和处理色谱信号。A.2.2仪器和设备A.2.2.1高效液相色谱仪。A.2.2.2ShodexKS-801或其他等效的色谱柱。A.2.2.310μL定量环。A.2.2.4电子分析天平(万分之一)。A.2.3分析要求A.2.3.1相关杂质:主峰前阿拉伯糖与d-核糖主峰达到完全分离。A.2.3.2鉴别:在含量测定项下记录色谱图,对照品溶液的主峰保留时间与试样溶液的主峰保留时间应一致。A.2.3.3系统适应性:分离度≥1.2、相对标准偏差≤0.5%、对称因子≤1.3、理论塔板数≥2500。A.2.4色谱条件A.2.4....

1、当您付费下载文档后,您只拥有了使用权限,并不意味着购买了版权,文档只能用于自身使用,不得用于其他商业用途(如 [转卖]进行直接盈利或[编辑后售卖]进行间接盈利)。
2、本站所有内容均由合作方或网友上传,本站不对文档的完整性、权威性及其观点立场正确性做任何保证或承诺!文档内容仅供研究参考,付费前请自行鉴别。
3、如文档内容存在违规,或者侵犯商业秘密、侵犯著作权等,请点击“违规举报”。

碎片内容

蜗牛文库的最新文档

二年级数学下册其中检测卷二年级数学下册其中检测卷附答案#期中测试卷.pdf
10.00金币
0下载
二年级数学下册期末质检卷(苏教版)二年级数学下册期末质检卷(苏教版)#期末复习 #期末测试卷 #二年级数学 #二年级数学下册#关注我持续更新小学知识.pdf
10.00金币
0下载
二年级数学下册期末混合运算专项练习二年级数学下册期末混合运算专项练习#二年级#二年级数学下册#关注我持续更新小学知识 #知识分享 #家长收藏孩子受益.pdf
10.00金币
1下载
二年级数学下册年月日三类周期问题解题方法二年级数学下册年月日三类周期问题解题方法#二年级#二年级数学下册#知识分享 #关注我持续更新小学知识 #家长收藏孩子受益.pdf
10.00金币
0下载
二年级数学下册解决问题专项训练二年级数学下册解决问题专项训练#专项训练#解决问题#二年级#二年级数学下册#知识分享.pdf
10.00金币
1下载
二年级数学下册还原问题二年级数学下册还原问题#二年级#二年级数学#关注我持续更新小学知识 #知识分享 #家长收藏孩子受益.pdf
10.00金币
1下载
二年级数学下册第六单元考试卷家长打印出来给孩子测试测试争取拿到高分!#小学二年级试卷分享 #二年级第六单考试数学 #第六单考试#二年级数学下册.pdf
10.00金币
0下载
二年级数学下册必背顺口溜口诀汇总二年级数学下册必背顺口溜口诀汇总#二年级#二年级数学下册 #知识分享 #家长收藏孩子受益 #关注我持续更新小学知识.pdf
10.00金币
0下载
二年级数学下册《重点难点思维题》两大问题解决技巧和方法巧算星期几解决周期问题还原问题强化思维训练老师精心整理家长可以打印出来给孩子练习#家长收藏孩子受益 #学霸秘籍 #思维训练 #二年级 #知识点总结.pdf
10.00金币
0下载
二年级数学下册 必背公式大全寒假提前背一背开学更轻松#二年级 #二年级数学 #二年级数学下册 #寒假充电计划 #公式.pdf
10.00金币
0下载
蜗牛文库+ 关注
实名认证
内容提供者

提供各种专业文档内容

确认删除?
QQ
  • QQ点击这里给我发消息
微信客服
  • 微信客服
回到顶部