电脑桌面
添加蜗牛文库到电脑桌面
安装后可以在桌面快捷访问

GB 1886.239-2016 食品安全国家标准 食品添加剂 琼脂.pdfVIP免费

GB 1886.239-2016 食品安全国家标准 食品添加剂 琼脂.pdf_第1页
GB 1886.239-2016 食品安全国家标准 食品添加剂 琼脂.pdf_第2页
GB 1886.239-2016 食品安全国家标准 食品添加剂 琼脂.pdf_第3页
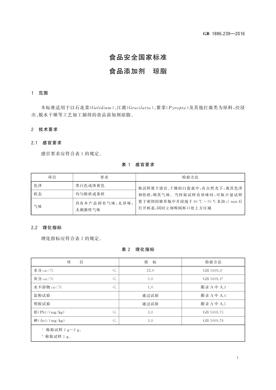
中华人民共和国国家标准GB1886.239—2016食品安全国家标准食品添加剂琼脂2016-08-31发布2017-01-01实施中华人民共和国国家卫生和计划生育委员会发布GB1886.239—2016Ⅰ前言本标准代替GB1975—2010《食品安全国家标准食品添加剂琼脂(琼胶)》。本标准与GB1975—2010相比,主要变化如下:———标准名称修改为“食品安全国家标准食品添加剂琼脂”;———修改了鉴别试验;———增加了明胶试验项目;———删除了凝胶强度项目;———删除了产品规格;———修改了铅指标。GB1886.239—20161食品安全国家标准食品添加剂琼脂1范围本标准适用于以石花菜(Gelidium)、江蓠(Gracilaria)、紫菜(Pyropia)及其他红藻类为原料,经浸出、脱水干燥等工艺加工制得的食品添加剂琼脂。2技术要求2.1感官要求感官要求应符合表1的规定。表1感官要求项目要求检验方法色泽类白色或淡黄色状态均匀粉状或条状气味具有本产品固有气味,无异味,无刺激性气味取试样置于清洁、干燥的白瓷盘中,在自然光下,观其色泽和性状,嗅其气味。当怀疑试样有异味时,可取少量试样置于密闭的锥形瓶中并浸泡于60℃~70℃水浴,5min后打开杯盖,同时立刻嗅闻杯口处上方区域2.2理化指标理化指标应符合表2的规定。表2理化指标项目指标检验方法水分,w/%≤22.0GB5009.3a灰分,w/%≤5.0GB5009.4b水不溶物,w/%≤1.0附录A中A.3淀粉试验通过试验附录A中A.4明胶试验通过试验附录A中A.5铅(Pb)/(mg/kg)≤3.0GB5009.75砷(As)/(mg/kg)≤3.0GB5009.76a称取试样1g~2g。b称取试样1g。GB1886.239—20162附录A检验方法A.1一般规定本标准除另有规定外,所用试剂的纯度应为分析纯,所用标准滴定溶液、杂质测定用标准溶液、制剂及制品,应按GB/T601、GB/T602、GB/T603的规定制备,试验用水应符合GB/T6682中三级水的规定。试验中所用溶液在未注明用何种溶剂配制时,均指水溶液。A.2鉴别试验A.2.1试剂和材料A.2.1.1盐酸。A.2.1.2碘溶液(0.01mol/L):称取1.3g碘及3.5g碘化钾溶于100mL水中,加水稀释至1000mL,摇匀,贮存于棕色瓶中,现用现配。A.2.1.3试样溶液(5g/L):称取1.0g试样于烧杯中,加入200mL水煮沸溶解,冷却至40℃~45℃备用。A.2.1.4硫酸铵溶液:400g/L。A.2.1.5碱式醋酸铅溶液(95g/L):取9.5g碱式醋酸铅晶体,溶解于100mL沸水中,冷却备用。A.2.1.6氢氧化钠溶液:40g/L。A.2.1.7酒石酸铜碱性溶液:本液分为甲液与乙液,临用时取等量混合使用。甲液:称取硫酸铜6.93g,溶解在适量的水中,定容至100mL。乙液:称取酒石酸钾钠34.6g、氢氧化钠10g,溶解在...

1、当您付费下载文档后,您只拥有了使用权限,并不意味着购买了版权,文档只能用于自身使用,不得用于其他商业用途(如 [转卖]进行直接盈利或[编辑后售卖]进行间接盈利)。
2、本站所有内容均由合作方或网友上传,本站不对文档的完整性、权威性及其观点立场正确性做任何保证或承诺!文档内容仅供研究参考,付费前请自行鉴别。
3、如文档内容存在违规,或者侵犯商业秘密、侵犯著作权等,请点击“违规举报”。

碎片内容

蜗牛文库的最新文档

二年级数学下册其中检测卷二年级数学下册其中检测卷附答案#期中测试卷.pdf
10.00金币
0下载
二年级数学下册期末质检卷(苏教版)二年级数学下册期末质检卷(苏教版)#期末复习 #期末测试卷 #二年级数学 #二年级数学下册#关注我持续更新小学知识.pdf
10.00金币
0下载
二年级数学下册期末混合运算专项练习二年级数学下册期末混合运算专项练习#二年级#二年级数学下册#关注我持续更新小学知识 #知识分享 #家长收藏孩子受益.pdf
10.00金币
1下载
二年级数学下册年月日三类周期问题解题方法二年级数学下册年月日三类周期问题解题方法#二年级#二年级数学下册#知识分享 #关注我持续更新小学知识 #家长收藏孩子受益.pdf
10.00金币
0下载
二年级数学下册解决问题专项训练二年级数学下册解决问题专项训练#专项训练#解决问题#二年级#二年级数学下册#知识分享.pdf
10.00金币
1下载
二年级数学下册还原问题二年级数学下册还原问题#二年级#二年级数学#关注我持续更新小学知识 #知识分享 #家长收藏孩子受益.pdf
10.00金币
1下载
二年级数学下册第六单元考试卷家长打印出来给孩子测试测试争取拿到高分!#小学二年级试卷分享 #二年级第六单考试数学 #第六单考试#二年级数学下册.pdf
10.00金币
0下载
二年级数学下册必背顺口溜口诀汇总二年级数学下册必背顺口溜口诀汇总#二年级#二年级数学下册 #知识分享 #家长收藏孩子受益 #关注我持续更新小学知识.pdf
10.00金币
0下载
二年级数学下册《重点难点思维题》两大问题解决技巧和方法巧算星期几解决周期问题还原问题强化思维训练老师精心整理家长可以打印出来给孩子练习#家长收藏孩子受益 #学霸秘籍 #思维训练 #二年级 #知识点总结.pdf
10.00金币
0下载
二年级数学下册 必背公式大全寒假提前背一背开学更轻松#二年级 #二年级数学 #二年级数学下册 #寒假充电计划 #公式.pdf
10.00金币
0下载
蜗牛文库+ 关注
实名认证
内容提供者

提供各种专业文档内容

确认删除?
QQ
  • QQ点击这里给我发消息
微信客服
  • 微信客服
回到顶部