电脑桌面
添加蜗牛文库到电脑桌面
安装后可以在桌面快捷访问

GB 1886.262-2016 食品安全国家标准 食品添加剂 柚苷(柚皮甙提取物).pdfVIP免费

GB 1886.262-2016 食品安全国家标准 食品添加剂 柚苷(柚皮甙提取物).pdf_第1页
GB 1886.262-2016 食品安全国家标准 食品添加剂 柚苷(柚皮甙提取物).pdf_第2页
GB 1886.262-2016 食品安全国家标准 食品添加剂 柚苷(柚皮甙提取物).pdf_第3页
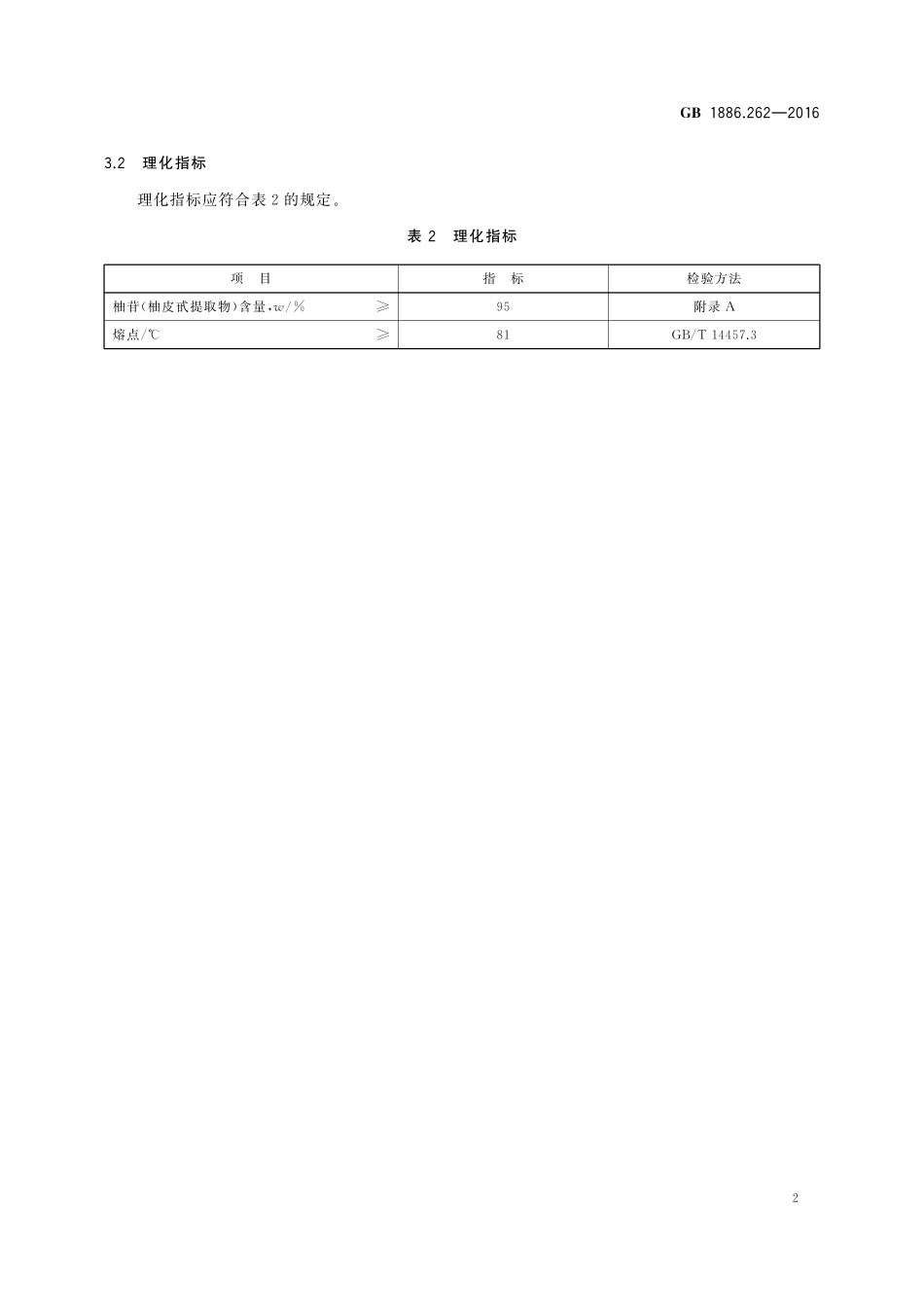
中华人民共和国国家标准GB1886.262—2016食品安全国家标准食品添加剂柚苷(柚皮甙提取物)2016-08-31发布2017-01-01实施中华人民共和国国家卫生和计划生育委员会发布GB1886.262—20161食品安全国家标准食品添加剂柚苷(柚皮甙提取物)1范围本标准适用于由柚皮、橙皮、柑橘皮等植物为原料制得的食品添加剂柚苷(柚皮甙提取物)。2化学名称、分子式、结构式和相对分子质量2.1化学名称5,7-二羟基-2-(4-羟基苯基)-苯并二氢吡喃-4-酮-7-鼠李葡糖苷2.2分子式C27H32O142.3结构式2.4相对分子质量580.24(按2007年国际相对原子质量)3技术要求3.1感官要求感官要求应符合表1的规定。表1感官要求项目要求检验方法色泽类白色或浅黄色状态粉末或固体将试样置于一洁净白纸上,用目测法观察香气微弱果香香气GB/T14454.2GB1886.262—201623.2理化指标理化指标应符合表2的规定。表2理化指标项目指标检验方法柚苷(柚皮甙提取物)含量,w/%≥95附录A熔点/℃≥81GB/T14457.3GB1886.262—20163附录A柚苷(柚皮甙提取物)含量的测定A.1试剂和材料A.1.1乙腈:色谱纯。A.1.2甲酸:色谱纯。A.1.3柚苷对照品:纯度至少为98%。A.1.4水:GB/T6682规定的一级水。A.2仪器和设备高效液相色谱仪:按GB/T27579—2011中第5章的规定,配备紫外检测器或其他等效的检测器。A.3参考色谱条件A.3.1色谱柱:C18液相色谱柱,长150mm,内径4.6mm,粒度5μm;或其他等效的色谱柱。A.3.2流动相:由体积分数为40%的乙腈和60%的甲酸水溶液(体积分数为0.5%)组成。A.3.3柱温:30℃。A.3.4泵:等度泵。A.3.5流速:1.0mL/min。A.3.6进样量:10μL。A.3.7检测波长:285nm。A.3.8运行时间:约为10min。A.4分析步骤A.4.1对照品溶液的制备准确称取0.01g柚苷对照品,精确至0.0001g,用流动相溶解,移入100mL容量瓶中,加流动相定容到100mL,所得溶液用0.45μm滤膜过滤,滤液备用。A.4.2试样溶液的制备准确称取0.01g试样,精确至0.0001g,用流动相溶解,移入100mL容量瓶中,加流动相定容到100mL,所得溶液用0.45μm滤膜过滤,滤液备用。A.4.3测定在A.3参考色谱条件下,分别对对照品溶液和试样溶液进行测定,记录其主峰面积。A.5结果计算柚苷含量的质量分数w1,按式(A.1)计算:GB1886.262—20164w1=A1×m2×w2A2×m1×100%…………………………(A.1)式中:A1———试样溶液色谱图中主峰的峰面积值;m2———对照品的质量,单位为克(g);w2———对照品中柚苷含量的质量分数,%;A2———对照品溶液色谱图中主峰的峰面积值;m1———试样的质量,单位为克(g)。

1、当您付费下载文档后,您只拥有了使用权限,并不意味着购买了版权,文档只能用于自身使用,不得用于其他商业用途(如 [转卖]进行直接盈利或[编辑后售卖]进行间接盈利)。
2、本站所有内容均由合作方或网友上传,本站不对文档的完整性、权威性及其观点立场正确性做任何保证或承诺!文档内容仅供研究参考,付费前请自行鉴别。
3、如文档内容存在违规,或者侵犯商业秘密、侵犯著作权等,请点击“违规举报”。

碎片内容

蜗牛文库的最新文档

二年级数学下册其中检测卷二年级数学下册其中检测卷附答案#期中测试卷.pdf
10.00金币
0下载
二年级数学下册期末质检卷(苏教版)二年级数学下册期末质检卷(苏教版)#期末复习 #期末测试卷 #二年级数学 #二年级数学下册#关注我持续更新小学知识.pdf
10.00金币
0下载
二年级数学下册期末混合运算专项练习二年级数学下册期末混合运算专项练习#二年级#二年级数学下册#关注我持续更新小学知识 #知识分享 #家长收藏孩子受益.pdf
10.00金币
1下载
二年级数学下册年月日三类周期问题解题方法二年级数学下册年月日三类周期问题解题方法#二年级#二年级数学下册#知识分享 #关注我持续更新小学知识 #家长收藏孩子受益.pdf
10.00金币
0下载
二年级数学下册解决问题专项训练二年级数学下册解决问题专项训练#专项训练#解决问题#二年级#二年级数学下册#知识分享.pdf
10.00金币
1下载
二年级数学下册还原问题二年级数学下册还原问题#二年级#二年级数学#关注我持续更新小学知识 #知识分享 #家长收藏孩子受益.pdf
10.00金币
1下载
二年级数学下册第六单元考试卷家长打印出来给孩子测试测试争取拿到高分!#小学二年级试卷分享 #二年级第六单考试数学 #第六单考试#二年级数学下册.pdf
10.00金币
0下载
二年级数学下册必背顺口溜口诀汇总二年级数学下册必背顺口溜口诀汇总#二年级#二年级数学下册 #知识分享 #家长收藏孩子受益 #关注我持续更新小学知识.pdf
10.00金币
0下载
二年级数学下册《重点难点思维题》两大问题解决技巧和方法巧算星期几解决周期问题还原问题强化思维训练老师精心整理家长可以打印出来给孩子练习#家长收藏孩子受益 #学霸秘籍 #思维训练 #二年级 #知识点总结.pdf
10.00金币
0下载
二年级数学下册 必背公式大全寒假提前背一背开学更轻松#二年级 #二年级数学 #二年级数学下册 #寒假充电计划 #公式.pdf
10.00金币
0下载
蜗牛文库+ 关注
实名认证
内容提供者

提供各种专业文档内容

确认删除?
QQ
  • QQ点击这里给我发消息
微信客服
  • 微信客服
回到顶部