电脑桌面
添加蜗牛文库到电脑桌面
安装后可以在桌面快捷访问

GB 30613-2014 食品安全国家标准 食品添加剂 磷酸氢二铵.pdfVIP免费

GB 30613-2014 食品安全国家标准 食品添加剂 磷酸氢二铵.pdf_第1页
GB 30613-2014 食品安全国家标准 食品添加剂 磷酸氢二铵.pdf_第2页
GB 30613-2014 食品安全国家标准 食品添加剂 磷酸氢二铵.pdf_第3页
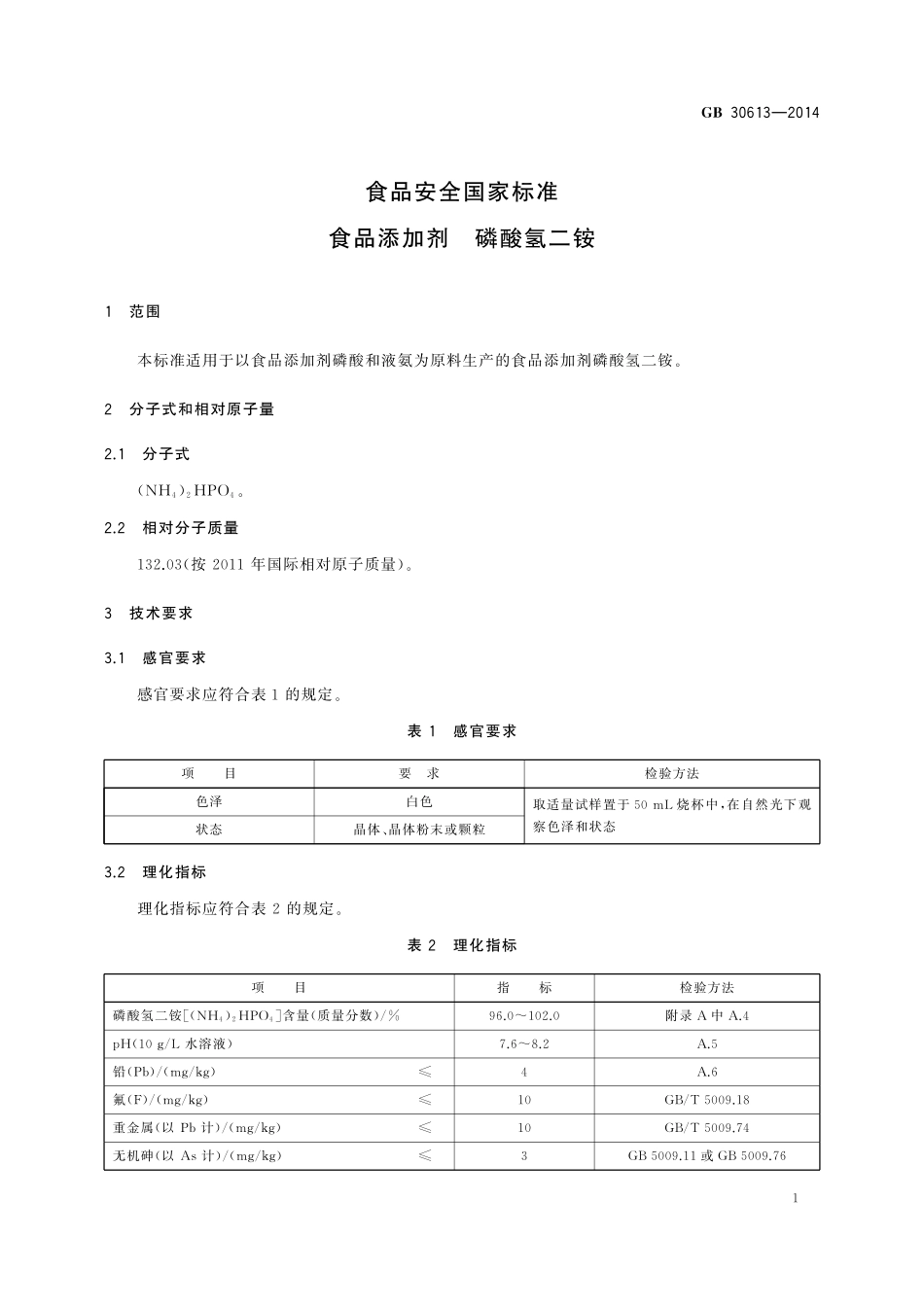
中华人民共和国国家标准GB30613—2014食品安全国家标准食品添加剂磷酸氢二铵2014-04-29发布2014-11-01实施中华人民共和国国家卫生和计划生育委员会发布GB30613—20141食品安全国家标准食品添加剂磷酸氢二铵1范围本标准适用于以食品添加剂磷酸和液氨为原料生产的食品添加剂磷酸氢二铵。2分子式和相对原子量2.1分子式(NH4)2HPO4。2.2相对分子质量132.03(按2011年国际相对原子质量)。3技术要求3.1感官要求感官要求应符合表1的规定。表1感官要求项目要求检验方法色泽白色状态晶体、晶体粉末或颗粒取适量试样置于50mL烧杯中,在自然光下观察色泽和状态3.2理化指标理化指标应符合表2的规定。表2理化指标项目指标检验方法磷酸氢二铵[(NH4)2HPO4]含量(质量分数)/%96.0~102.0附录A中A.4pH(10g/L水溶液)7.6~8.2A.5铅(Pb)/(mg/kg)≤4A.6氟(F)/(mg/kg)≤10GB/T5009.18重金属(以Pb计)/(mg/kg)≤10GB/T5009.74无机砷(以As计)/(mg/kg)≤3GB5009.11或GB5009.76GB30613—20142附录A检验方法A.1警示本标准的检验方法中使用的部分试剂具有毒性或腐蚀性,操作时应采取适当的安全和防护措施。必要时,需在通风橱中进行。如溅到皮肤上应立即用水冲洗,严重者应立即治疗。使用剧毒品时,应严格按照有关规定管理;使用时应避免吸入或与皮肤接触,必要时应在通风橱中进行。对于暴露部位有伤口的人员不能接触。A.2一般规定本标准所用试剂和水在没有注明其他要求时,均指分析纯试剂和GB/T6682中规定的三级水。试验中所用杂质测定用标准溶液、制剂及制品,在没有注明其他要求时,均按GB/T602、GB/T603之规定制备。所用溶液在未注明用何种溶剂配制时,均指水溶液。A.3鉴别试验A.3.1试剂和材料A.3.1.1硝酸溶液:1+8。A.3.1.2氨水溶液:1+1。A.3.1.3氢氧化钠溶液:40g/L。A.3.1.4硝酸银溶液:17g/L。A.3.1.5红色石蕊试纸。A.3.2鉴别方法A.3.2.1磷酸根离子的鉴别称取约1.0g试样,溶于20mL水中,用硝酸溶液调节至中性。加入硝酸银溶液,可生成黄色沉淀,此沉淀溶于氨水溶液或硝酸溶液。A.3.2.2铵根离子鉴别称取约1.0g试样,溶于20mL水中,加入氢氧化钠溶液,释放出的氨气可使湿润的红色石蕊试纸变蓝。加热可促进分解。A.4磷酸氢二铵[(NH4)2HPO4]含量的测定A.4.1方法提要在酸性条件下,以喹钼柠酮做沉淀剂使试样溶液中的磷酸根全部形成磷钼酸喹啉沉淀,沉淀经过滤、烘干、称重后确定试样中磷酸氢二铵含量。GB30613—20143A.4.2试剂和材料A.4.2.1硝酸溶液:1+1。A.4.2.2喹钼柠酮溶液:称取70g钼酸钠,溶于150mL水中...

1、当您付费下载文档后,您只拥有了使用权限,并不意味着购买了版权,文档只能用于自身使用,不得用于其他商业用途(如 [转卖]进行直接盈利或[编辑后售卖]进行间接盈利)。
2、本站所有内容均由合作方或网友上传,本站不对文档的完整性、权威性及其观点立场正确性做任何保证或承诺!文档内容仅供研究参考,付费前请自行鉴别。
3、如文档内容存在违规,或者侵犯商业秘密、侵犯著作权等,请点击“违规举报”。

碎片内容

蜗牛文库的最新文档

二年级数学下册其中检测卷二年级数学下册其中检测卷附答案#期中测试卷.pdf
10.00金币
0下载
二年级数学下册期末质检卷(苏教版)二年级数学下册期末质检卷(苏教版)#期末复习 #期末测试卷 #二年级数学 #二年级数学下册#关注我持续更新小学知识.pdf
10.00金币
0下载
二年级数学下册期末混合运算专项练习二年级数学下册期末混合运算专项练习#二年级#二年级数学下册#关注我持续更新小学知识 #知识分享 #家长收藏孩子受益.pdf
10.00金币
1下载
二年级数学下册年月日三类周期问题解题方法二年级数学下册年月日三类周期问题解题方法#二年级#二年级数学下册#知识分享 #关注我持续更新小学知识 #家长收藏孩子受益.pdf
10.00金币
0下载
二年级数学下册解决问题专项训练二年级数学下册解决问题专项训练#专项训练#解决问题#二年级#二年级数学下册#知识分享.pdf
10.00金币
1下载
二年级数学下册还原问题二年级数学下册还原问题#二年级#二年级数学#关注我持续更新小学知识 #知识分享 #家长收藏孩子受益.pdf
10.00金币
1下载
二年级数学下册第六单元考试卷家长打印出来给孩子测试测试争取拿到高分!#小学二年级试卷分享 #二年级第六单考试数学 #第六单考试#二年级数学下册.pdf
10.00金币
0下载
二年级数学下册必背顺口溜口诀汇总二年级数学下册必背顺口溜口诀汇总#二年级#二年级数学下册 #知识分享 #家长收藏孩子受益 #关注我持续更新小学知识.pdf
10.00金币
0下载
二年级数学下册《重点难点思维题》两大问题解决技巧和方法巧算星期几解决周期问题还原问题强化思维训练老师精心整理家长可以打印出来给孩子练习#家长收藏孩子受益 #学霸秘籍 #思维训练 #二年级 #知识点总结.pdf
10.00金币
0下载
二年级数学下册 必背公式大全寒假提前背一背开学更轻松#二年级 #二年级数学 #二年级数学下册 #寒假充电计划 #公式.pdf
10.00金币
0下载
蜗牛文库+ 关注
实名认证
内容提供者

提供各种专业文档内容

确认删除?
QQ
  • QQ点击这里给我发消息
微信客服
  • 微信客服
回到顶部