电脑桌面
添加蜗牛文库到电脑桌面
安装后可以在桌面快捷访问

GB 31637-2016 食品安全国家标准 食用淀粉.pdfVIP免费

GB 31637-2016 食品安全国家标准 食用淀粉.pdf_第1页
GB 31637-2016 食品安全国家标准 食用淀粉.pdf_第2页
GB 31637-2016 食品安全国家标准 食用淀粉.pdf_第3页
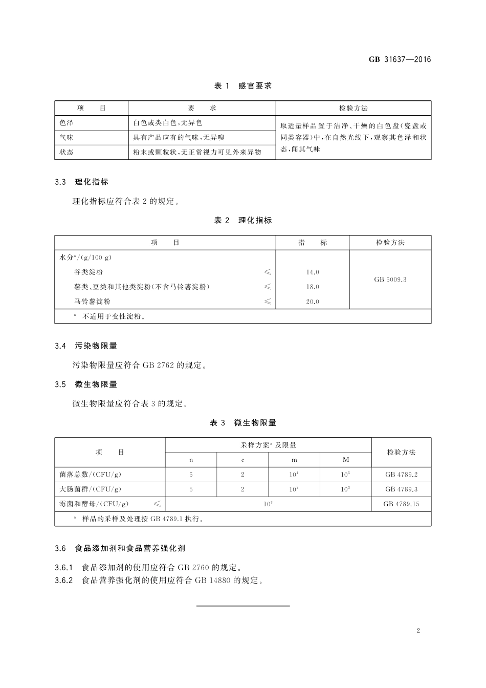
中华人民共和国国家标准GB31637—2016食品安全国家标准食用淀粉2016-12-23发布2017-06-23实施中华人民共和国国家卫生和计划生育委员会国家食品药品监督管理总局发布GB31637—20161食品安全国家标准食用淀粉1范围本标准适用于食用淀粉。2术语和定义2.1食用淀粉以谷类、薯类、豆类以及各种可食用植物为原料,通过物理方法提取且未经改性的淀粉,或者在淀粉分子上未引入新化学基团且未改变淀粉分子中的糖苷键类型的变性淀粉(包括预糊化淀粉、湿热处理淀粉、多孔淀粉和可溶性淀粉等)。2.1.1谷类淀粉以大米、玉米、高粱、小麦、荞麦等谷物为原料加工成的淀粉。2.1.2薯类淀粉以木薯、甘薯、马铃薯等薯类为原料加工成的淀粉。2.1.3豆类淀粉以绿豆、蚕豆、豌豆等豆类为原料加工成的淀粉。2.1.4其他类淀粉以菱、藕、荸荠等为原料加工成的淀粉。3技术要求3.1原料要求原料应符合相应的食品标准和有关规定。3.2感官要求感官要求应符合表1的规定。GB31637—20162表1感官要求项目要求检验方法色泽气味状态白色或类白色,无异色具有产品应有的气味,无异嗅粉末或颗粒状,无正常视力可见外来异物取适量样品置于洁净、干燥的白色盘(瓷盘或同类容器)中,在自然光线下,观察其色泽和状态,闻其气味3.3理化指标理化指标应符合表2的规定。表2理化指标项目指标检验方法水分a/(g/100g)谷类淀粉≤薯类、豆类和其他类淀粉(不含马铃薯淀粉)≤马铃薯淀粉≤14.018.020.0GB5009.3a不适用于变性淀粉。3.4污染物限量污染物限量应符合GB2762的规定。3.5微生物限量微生物限量应符合表3的规定。表3微生物限量项目采样方案a及限量ncmM检验方法菌落总数/(CFU/g)52104105GB4789.2大肠菌群/(CFU/g)52102103GB4789.3霉菌和酵母/(CFU/g)≤103GB4789.15a样品的采样及处理按GB4789.1执行。3.6食品添加剂和食品营养强化剂3.6.1食品添加剂的使用应符合GB2760的规定。3.6.2食品营养强化剂的使用应符合GB14880的规定。

1、当您付费下载文档后,您只拥有了使用权限,并不意味着购买了版权,文档只能用于自身使用,不得用于其他商业用途(如 [转卖]进行直接盈利或[编辑后售卖]进行间接盈利)。
2、本站所有内容均由合作方或网友上传,本站不对文档的完整性、权威性及其观点立场正确性做任何保证或承诺!文档内容仅供研究参考,付费前请自行鉴别。
3、如文档内容存在违规,或者侵犯商业秘密、侵犯著作权等,请点击“违规举报”。

碎片内容

蜗牛文库的最新文档

二年级数学下册其中检测卷二年级数学下册其中检测卷附答案#期中测试卷.pdf
10.00金币
0下载
二年级数学下册期末质检卷(苏教版)二年级数学下册期末质检卷(苏教版)#期末复习 #期末测试卷 #二年级数学 #二年级数学下册#关注我持续更新小学知识.pdf
10.00金币
0下载
二年级数学下册期末混合运算专项练习二年级数学下册期末混合运算专项练习#二年级#二年级数学下册#关注我持续更新小学知识 #知识分享 #家长收藏孩子受益.pdf
10.00金币
1下载
二年级数学下册年月日三类周期问题解题方法二年级数学下册年月日三类周期问题解题方法#二年级#二年级数学下册#知识分享 #关注我持续更新小学知识 #家长收藏孩子受益.pdf
10.00金币
0下载
二年级数学下册解决问题专项训练二年级数学下册解决问题专项训练#专项训练#解决问题#二年级#二年级数学下册#知识分享.pdf
10.00金币
1下载
二年级数学下册还原问题二年级数学下册还原问题#二年级#二年级数学#关注我持续更新小学知识 #知识分享 #家长收藏孩子受益.pdf
10.00金币
1下载
二年级数学下册第六单元考试卷家长打印出来给孩子测试测试争取拿到高分!#小学二年级试卷分享 #二年级第六单考试数学 #第六单考试#二年级数学下册.pdf
10.00金币
0下载
二年级数学下册必背顺口溜口诀汇总二年级数学下册必背顺口溜口诀汇总#二年级#二年级数学下册 #知识分享 #家长收藏孩子受益 #关注我持续更新小学知识.pdf
10.00金币
0下载
二年级数学下册《重点难点思维题》两大问题解决技巧和方法巧算星期几解决周期问题还原问题强化思维训练老师精心整理家长可以打印出来给孩子练习#家长收藏孩子受益 #学霸秘籍 #思维训练 #二年级 #知识点总结.pdf
10.00金币
0下载
二年级数学下册 必背公式大全寒假提前背一背开学更轻松#二年级 #二年级数学 #二年级数学下册 #寒假充电计划 #公式.pdf
10.00金币
0下载
蜗牛文库+ 关注
实名认证
内容提供者

提供各种专业文档内容

确认删除?
QQ
  • QQ点击这里给我发消息
微信客服
  • 微信客服
回到顶部