电脑桌面
添加蜗牛文库到电脑桌面
安装后可以在桌面快捷访问

GB 1886.321-2021 食品安全国家标准 食品添加剂 索马甜.pdfVIP免费

GB 1886.321-2021 食品安全国家标准 食品添加剂 索马甜.pdf_第1页
GB 1886.321-2021 食品安全国家标准 食品添加剂 索马甜.pdf_第2页
GB 1886.321-2021 食品安全国家标准 食品添加剂 索马甜.pdf_第3页
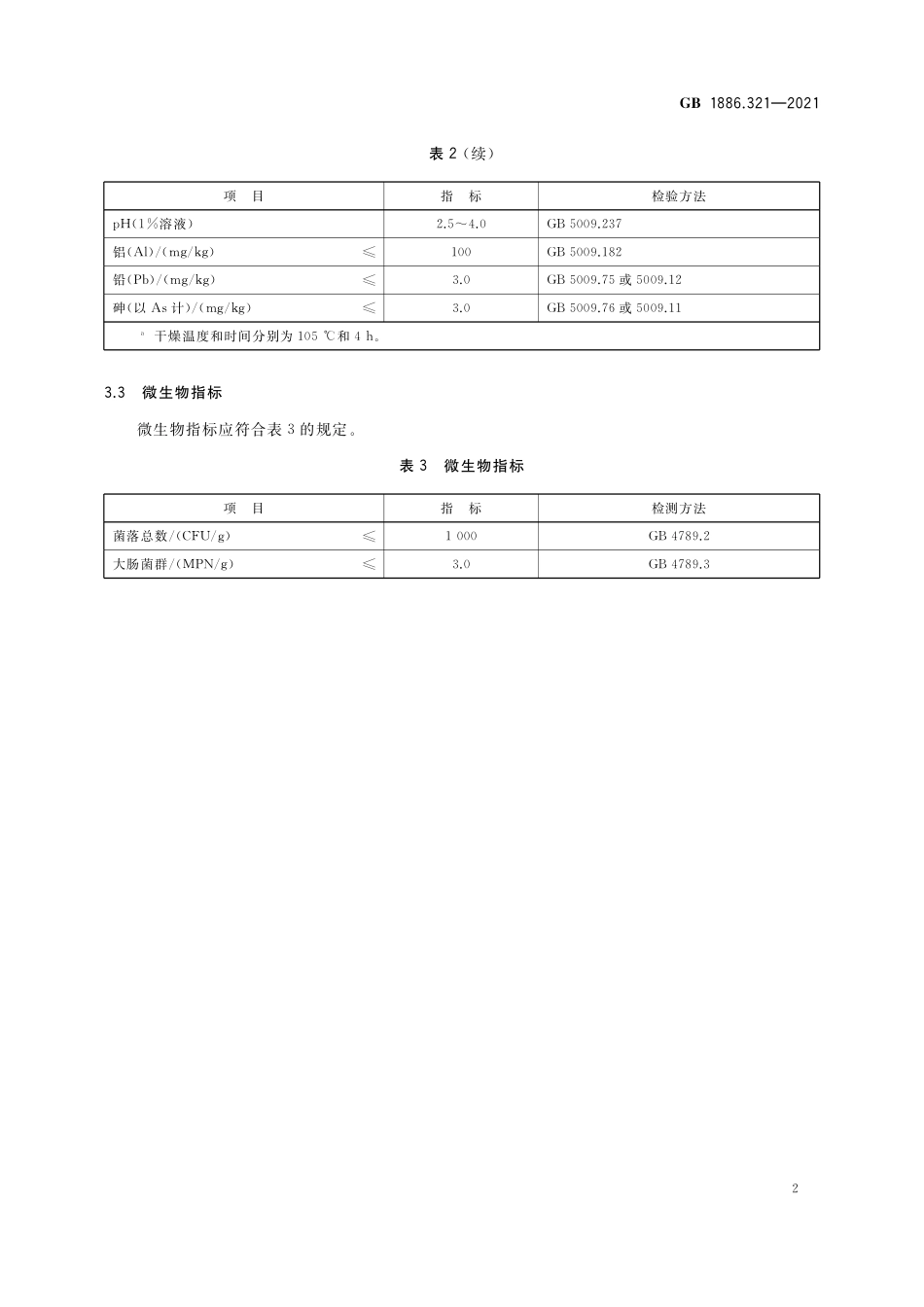
中华人民共和国国家标准犌犅18886.321—2021食品安全国家标准食品添加剂索马甜20210222发布20210822实施中华人民共和国国家卫生健康委员会国家市场监督管理总局发布犌犅1886.321—20211食品安全国家标准食品添加剂索马甜1范围本标准适用于利用水提取法从非洲竹竽(犜犺犪狌犿犪狋狅犮狅犮犮狌狊犱犪狀犻犲犾犾犻犻)成熟果实假种皮中分离获得的食品添加剂索马甜。2相对分子质量索马甜Ⅰ:22209(按2018年国际相对原子质量)索马甜Ⅱ:22293(按2018年国际相对原子质量)3技术要求3.1感官要求感官要求应符合表1的规定。表1感官要求项目要求检验方法色泽奶黄色至棕色滋味和气味具有强烈甜味以及典型气味状态粉状,无正常视力可见外来杂质取适量试样置于洁净、干燥的白瓷盘中,在自然光线下观察其色泽和状态3.2理化指标理化指标应符合表2的规定。表2理化指标项目指标检验方法含量(以干基计),狑/%≥93.0附录A中A.3总氮(以干基计),狑/%≥15.1GB5009.5干燥减量,狑/%≤9.0GB5009.3直接干燥法a比吸收率11.5~13.0附录A中A.4吸光度≤0.2附录A中A.5碳水化合物(以干基计),狑/%≤3.0附录A中A.6硫酸盐灰分(以干基计),狑/%≤2.0附录A中A.7犌犅1886.321—20212表2(续)项目指标检验方法pH(1%溶液)2.5~4.0GB5009.237铝(Al)/(mg/kg)≤100GB5009.182铅(Pb)/(mg/kg)≤3.0GB5009.75或5009.12砷(以As计)/(mg/kg)≤3.0GB5009.76或5009.11a干燥温度和时间分别为105℃和4h。3.3微生物指标微生物指标应符合表3的规定。表3微生物指标项目指标检测方法菌落总数/(CFU/g)≤1000GB4789.2大肠菌群/(MPN/g)≤3.0GB4789.3犌犅1886.321—20213附录犃检验方法犃.1一般规定本标准所用试剂和水在未注明其他要求时,均指分析纯试剂和GB/T6682规定的三级水。试验中所用标准溶液、杂质测定用标准溶液、制剂和制品在未注明其他要求时,均按GB/T601、GB/T602、GB/T603的规定制备。试验中所用溶液在未注明用何种溶剂配制时,均指水溶液。犃.2鉴别试验犃.2.1可溶性鉴定易...

1、当您付费下载文档后,您只拥有了使用权限,并不意味着购买了版权,文档只能用于自身使用,不得用于其他商业用途(如 [转卖]进行直接盈利或[编辑后售卖]进行间接盈利)。
2、本站所有内容均由合作方或网友上传,本站不对文档的完整性、权威性及其观点立场正确性做任何保证或承诺!文档内容仅供研究参考,付费前请自行鉴别。
3、如文档内容存在违规,或者侵犯商业秘密、侵犯著作权等,请点击“违规举报”。

碎片内容

蜗牛文库的最新文档

二年级数学下册其中检测卷二年级数学下册其中检测卷附答案#期中测试卷.pdf
10.00金币
0下载
二年级数学下册期末质检卷(苏教版)二年级数学下册期末质检卷(苏教版)#期末复习 #期末测试卷 #二年级数学 #二年级数学下册#关注我持续更新小学知识.pdf
10.00金币
0下载
二年级数学下册期末混合运算专项练习二年级数学下册期末混合运算专项练习#二年级#二年级数学下册#关注我持续更新小学知识 #知识分享 #家长收藏孩子受益.pdf
10.00金币
1下载
二年级数学下册年月日三类周期问题解题方法二年级数学下册年月日三类周期问题解题方法#二年级#二年级数学下册#知识分享 #关注我持续更新小学知识 #家长收藏孩子受益.pdf
10.00金币
0下载
二年级数学下册解决问题专项训练二年级数学下册解决问题专项训练#专项训练#解决问题#二年级#二年级数学下册#知识分享.pdf
10.00金币
1下载
二年级数学下册还原问题二年级数学下册还原问题#二年级#二年级数学#关注我持续更新小学知识 #知识分享 #家长收藏孩子受益.pdf
10.00金币
1下载
二年级数学下册第六单元考试卷家长打印出来给孩子测试测试争取拿到高分!#小学二年级试卷分享 #二年级第六单考试数学 #第六单考试#二年级数学下册.pdf
10.00金币
0下载
二年级数学下册必背顺口溜口诀汇总二年级数学下册必背顺口溜口诀汇总#二年级#二年级数学下册 #知识分享 #家长收藏孩子受益 #关注我持续更新小学知识.pdf
10.00金币
0下载
二年级数学下册《重点难点思维题》两大问题解决技巧和方法巧算星期几解决周期问题还原问题强化思维训练老师精心整理家长可以打印出来给孩子练习#家长收藏孩子受益 #学霸秘籍 #思维训练 #二年级 #知识点总结.pdf
10.00金币
0下载
二年级数学下册 必背公式大全寒假提前背一背开学更轻松#二年级 #二年级数学 #二年级数学下册 #寒假充电计划 #公式.pdf
10.00金币
0下载
蜗牛文库+ 关注
实名认证
内容提供者

提供各种专业文档内容

确认删除?
QQ
  • QQ点击这里给我发消息
微信客服
  • 微信客服
回到顶部