电脑桌面
添加蜗牛文库到电脑桌面
安装后可以在桌面快捷访问

变压器差动保护试验公式详解.xlsVIP免费

变压器差动保护试验公式详解.xls_第1页
变压器差动保护试验公式详解.xls_第2页
变压器差动保护试验公式详解.xls_第3页
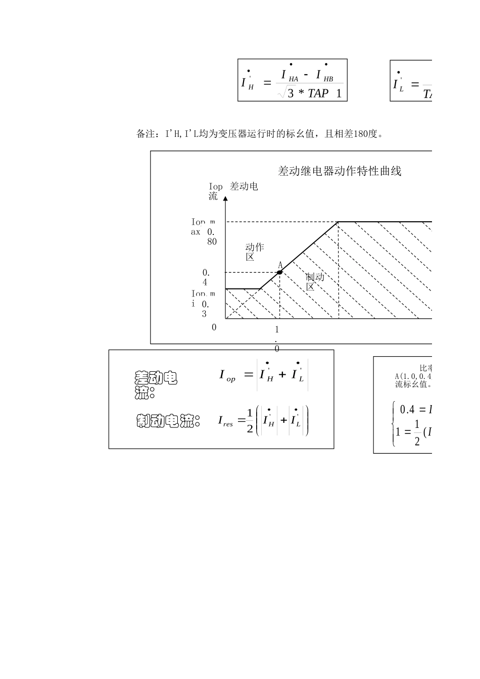
变压器差动保护计算模型变压器容量6.3110kV10kV额定运行情况33.07A363.73A508000.6610.455差动保护整定保护起动门槛值试验比率制动启动值0.23门槛值0.263A0.105A计算方法:比率斜率0.40制动系数1.00制动电流Iop0.40差动电流IH'1.20IL'0.801.375A0.3640.546计算方法:差动速断试验差动速断值7.00Iop.max8.018A3.183A计算方法:MVAY/△-11一次侧电压(UAB)二次侧电压(Uab)一次侧电流值(IA)二次侧电流值(Ia)一次侧CT变比二次侧CT变比一次侧CT电流(IA')ATAP1高压侧基准值二次侧CT电流(Ia')ATAP2低压侧基准值高压侧CT电流低压侧CT电流绕组1=比率制动差动保护启动值*H侧电流基准值*1.732绕组2=比率制动差动保护启动值*L侧电流基准值比率制动折线1百分比试验选取试验点Ires高压侧CT电流(IA)低压侧CT电流(Ia)A与IA反相补偿电流(Ic)A与IA同相差动电流:Ih-IL=0.4,制动电流:(Ih+IL)/2=1;Ih=1.2,IL=0.8绕组1=制动元件动作电流启动值*H侧电流基准值*1.732绕组2=制动元件动作电流启动值*L侧电流基准值补偿电流=绕组1制动元件动作电流启动值*L侧电流基准值高压侧CT电流低压侧CT电流绕组1=差动速断值*H侧电流基准值*1.732绕组2=差动速断值*L侧电流基准值备注:I'H,I'L均为变压器运行时的标幺值,且相差180度。1*3'TAPIIIHBHAH2'TAPIILL''LHopIII''21LHresIII差动电流:制动电流:Iop差动电流Iop.maxIop.min动作区制动区00.40.801.0A差动继电器动作特性曲线0.3)(2114.0''''LHLHIIII比率制动试验时,A(1.0,0.4)点作为试验点流标幺值。2'TAPIILLIres制动电流)(2114.0''''LHLHIIII8.02.1''LHII比率制动试验时,选取特性图中的A(1.0,0.4)点作为试验点,计算高低压侧电流标幺值。

1、当您付费下载文档后,您只拥有了使用权限,并不意味着购买了版权,文档只能用于自身使用,不得用于其他商业用途(如 [转卖]进行直接盈利或[编辑后售卖]进行间接盈利)。
2、本站所有内容均由合作方或网友上传,本站不对文档的完整性、权威性及其观点立场正确性做任何保证或承诺!文档内容仅供研究参考,付费前请自行鉴别。
3、如文档内容存在违规,或者侵犯商业秘密、侵犯著作权等,请点击“违规举报”。

碎片内容

蜗牛文库的最新文档

二年级数学下册其中检测卷二年级数学下册其中检测卷附答案#期中测试卷.pdf
10.00金币
0下载
二年级数学下册期末质检卷(苏教版)二年级数学下册期末质检卷(苏教版)#期末复习 #期末测试卷 #二年级数学 #二年级数学下册#关注我持续更新小学知识.pdf
10.00金币
0下载
二年级数学下册期末混合运算专项练习二年级数学下册期末混合运算专项练习#二年级#二年级数学下册#关注我持续更新小学知识 #知识分享 #家长收藏孩子受益.pdf
10.00金币
1下载
二年级数学下册年月日三类周期问题解题方法二年级数学下册年月日三类周期问题解题方法#二年级#二年级数学下册#知识分享 #关注我持续更新小学知识 #家长收藏孩子受益.pdf
10.00金币
0下载
二年级数学下册解决问题专项训练二年级数学下册解决问题专项训练#专项训练#解决问题#二年级#二年级数学下册#知识分享.pdf
10.00金币
1下载
二年级数学下册还原问题二年级数学下册还原问题#二年级#二年级数学#关注我持续更新小学知识 #知识分享 #家长收藏孩子受益.pdf
10.00金币
1下载
二年级数学下册第六单元考试卷家长打印出来给孩子测试测试争取拿到高分!#小学二年级试卷分享 #二年级第六单考试数学 #第六单考试#二年级数学下册.pdf
10.00金币
0下载
二年级数学下册必背顺口溜口诀汇总二年级数学下册必背顺口溜口诀汇总#二年级#二年级数学下册 #知识分享 #家长收藏孩子受益 #关注我持续更新小学知识.pdf
10.00金币
0下载
二年级数学下册《重点难点思维题》两大问题解决技巧和方法巧算星期几解决周期问题还原问题强化思维训练老师精心整理家长可以打印出来给孩子练习#家长收藏孩子受益 #学霸秘籍 #思维训练 #二年级 #知识点总结.pdf
10.00金币
0下载
二年级数学下册 必背公式大全寒假提前背一背开学更轻松#二年级 #二年级数学 #二年级数学下册 #寒假充电计划 #公式.pdf
10.00金币
0下载
蜗牛文库+ 关注
实名认证
内容提供者

提供各种专业文档内容

确认删除?
QQ
  • QQ点击这里给我发消息
微信客服
  • 微信客服
回到顶部