电脑桌面
添加蜗牛文库到电脑桌面
安装后可以在桌面快捷访问

低真空的获得和测量 (3).docVIP免费

低真空的获得和测量 (3).doc_第1页
低真空的获得和测量 (3).doc_第2页
低真空的获得和测量 (3).doc_第3页
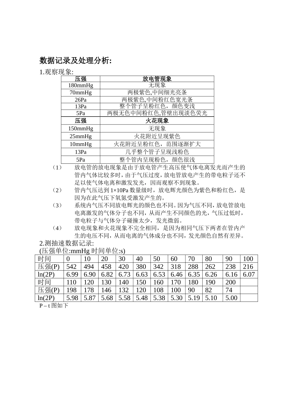
低真空的获得和测量26赵媛PB0621026310系实验目的:1.了解最基本的真空系统的结构2.掌握低真空获得和测量的方法实验原理:(见预习报告)实验内容:(1)启动真空系统,用U型压力计和热偶真空计测量系统真空度。观察不同真空度时放电现象,与U形管水银柱高度差和热偶计示数比较,对照;(2)机械泵继续工作,直至热偶计示数不再改变,即得到本次实验的最高真空度,记录。(3)研究放电对真空度及热偶计的影响。(4)真空系统中进入大气,再一次抽真空。测量P-t关系曲线并求粗真空下的机械泵的抽速。实验注意事项:(1)实验用的真空系统原已保持一定真空真,开动机械泵(接通马达电源)前,应缓慢地将大气放入系统。(2)开泵之前一定要关闭放气阀5,关泵之前一定要先关闭阀门4,然后停泵并立即打开放气阀5放大气入泵。转动活塞要缓慢。(3)开动机械泵后,气压由大气压降至几百帕变化很快,要抓紧时间用U形管和放电管作对比观测。(4)应预先按实验中说明将热偶真空计调整好,以免巳经抽气需要测量时,才发现尚未调整而浪费时间。(5)高频火花仪的探头不要长时间放火花在玻璃管子的一个位置,以免烧坏玻璃。数据记录及处理分析:1.观察现象:压强火花现象150mmHg无现象25mmHg火花附近呈现紫色10mmHg火花附近呈粉红色,范围逐渐扩大13Pa几乎整个管子呈现浅粉色5Pa整个管内呈现粉色,颜色很浅(1)放电管的放电现象是由于放电管产生高压使气体电离发光而产生的管内气体比较多时,由于气压过度,放电管放电产生的带电粒子还不足以使气体电离和激发发光,因而观察不到现象。(2)管内气压达到1×10Pa数量级时,放电辉光颜色为紫色和粉红色,是因为在此气压下氧氮受激发产生的。(3)系统内气压不同放电辉光的颜色也不同。因为气压不同,放电管放电电离激发的气体分子也不同,从而产生不同颜色的光,气压过低时,带电粒子与气体分子碰撞太少,发光微弱。(4)放电现象和火花现象不完全相同,是因为相同气压下两者在管内产生的电压不同,从而电离的气体成分也不同,发光颜色自然有差异。2.测抽速数据记录:(压强单位:mmHg时间单位:s)时间0102030405060708090100压强(P)542494458420380342318288262238216ln(2P)6.996.906.826.736.636.536.466.356.266.166.07时间110120130140150160170180190200压强(P)198178146132120108100908274ln(2P)5.985.875.685.585.485.385.305.195.105.00P–t图如下压强放电管现象180mmHg无现象70mmHg两极紫色,中间细光亮条26Pa两极紫色,中间粉...

1、当您付费下载文档后,您只拥有了使用权限,并不意味着购买了版权,文档只能用于自身使用,不得用于其他商业用途(如 [转卖]进行直接盈利或[编辑后售卖]进行间接盈利)。
2、本站所有内容均由合作方或网友上传,本站不对文档的完整性、权威性及其观点立场正确性做任何保证或承诺!文档内容仅供研究参考,付费前请自行鉴别。
3、如文档内容存在违规,或者侵犯商业秘密、侵犯著作权等,请点击“违规举报”。

碎片内容

蜗牛文库的最新文档

二年级数学下册其中检测卷二年级数学下册其中检测卷附答案#期中测试卷.pdf
10.00金币
0下载
二年级数学下册期末质检卷(苏教版)二年级数学下册期末质检卷(苏教版)#期末复习 #期末测试卷 #二年级数学 #二年级数学下册#关注我持续更新小学知识.pdf
10.00金币
0下载
二年级数学下册期末混合运算专项练习二年级数学下册期末混合运算专项练习#二年级#二年级数学下册#关注我持续更新小学知识 #知识分享 #家长收藏孩子受益.pdf
10.00金币
1下载
二年级数学下册年月日三类周期问题解题方法二年级数学下册年月日三类周期问题解题方法#二年级#二年级数学下册#知识分享 #关注我持续更新小学知识 #家长收藏孩子受益.pdf
10.00金币
0下载
二年级数学下册解决问题专项训练二年级数学下册解决问题专项训练#专项训练#解决问题#二年级#二年级数学下册#知识分享.pdf
10.00金币
1下载
二年级数学下册还原问题二年级数学下册还原问题#二年级#二年级数学#关注我持续更新小学知识 #知识分享 #家长收藏孩子受益.pdf
10.00金币
1下载
二年级数学下册第六单元考试卷家长打印出来给孩子测试测试争取拿到高分!#小学二年级试卷分享 #二年级第六单考试数学 #第六单考试#二年级数学下册.pdf
10.00金币
0下载
二年级数学下册必背顺口溜口诀汇总二年级数学下册必背顺口溜口诀汇总#二年级#二年级数学下册 #知识分享 #家长收藏孩子受益 #关注我持续更新小学知识.pdf
10.00金币
0下载
二年级数学下册《重点难点思维题》两大问题解决技巧和方法巧算星期几解决周期问题还原问题强化思维训练老师精心整理家长可以打印出来给孩子练习#家长收藏孩子受益 #学霸秘籍 #思维训练 #二年级 #知识点总结.pdf
10.00金币
0下载
二年级数学下册 必背公式大全寒假提前背一背开学更轻松#二年级 #二年级数学 #二年级数学下册 #寒假充电计划 #公式.pdf
10.00金币
0下载
蜗牛文库+ 关注
实名认证
内容提供者

提供各种专业文档内容

确认删除?
QQ
  • QQ点击这里给我发消息
微信客服
  • 微信客服
回到顶部