电脑桌面
添加蜗牛文库到电脑桌面
安装后可以在桌面快捷访问

鲁JJ-126钢筋安装工程检验批质量验收记录表(Ⅱ).DOCVIP免费

鲁JJ-126钢筋安装工程检验批质量验收记录表(Ⅱ).DOC_第1页
鲁JJ-126钢筋安装工程检验批质量验收记录表(Ⅱ).DOC_第2页
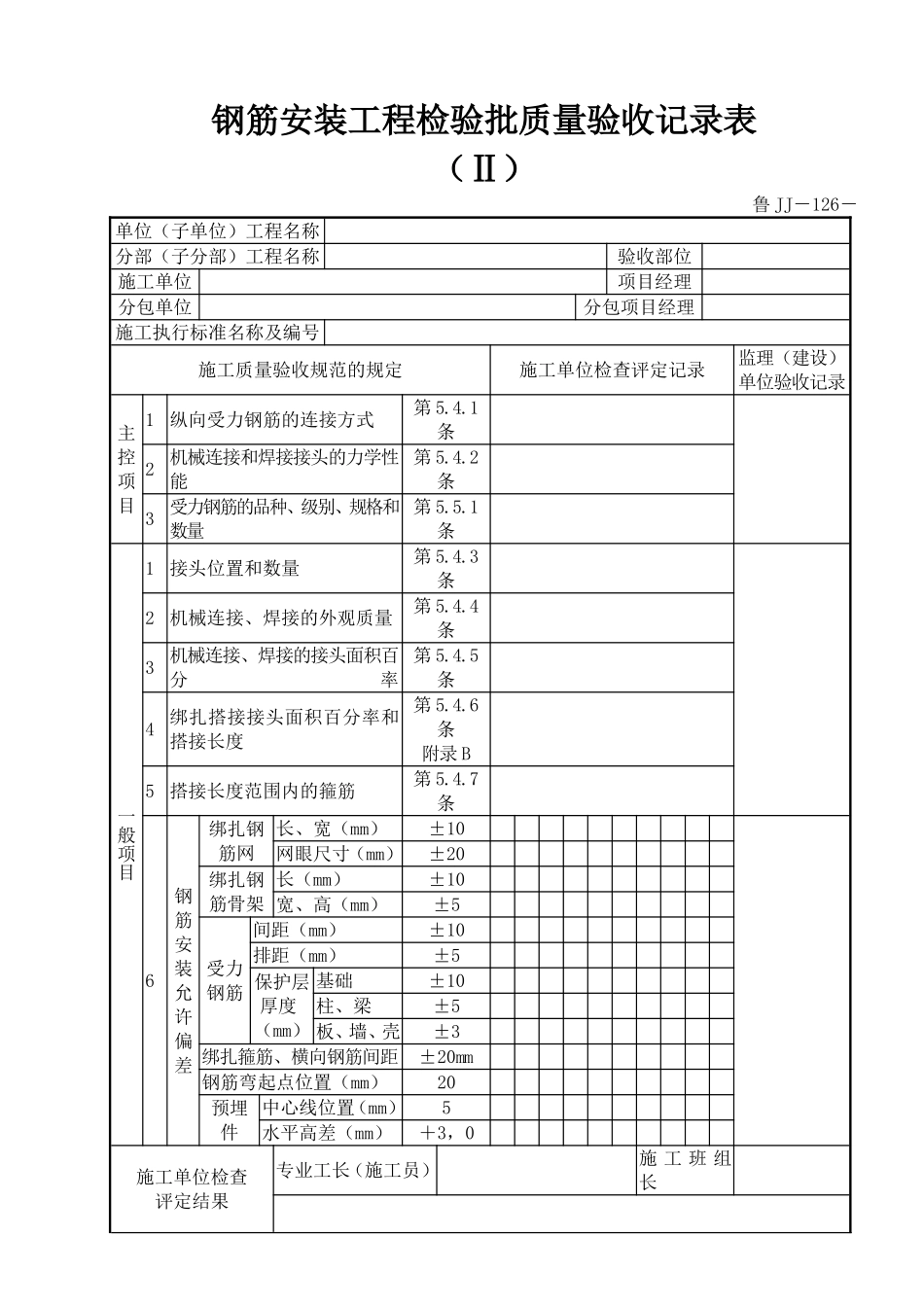
钢筋安装工程检验批质量验收记录表(Ⅱ)鲁JJ-126-单位(子单位)工程名称分部(子分部)工程名称验收部位施工单位项目经理分包单位分包项目经理施工执行标准名称及编号施工质量验收规范的规定施工单位检查评定记录监理(建设)单位验收记录主控项目1纵向受力钢筋的连接方式第5.4.1条2机械连接和焊接接头的力学性能第5.4.2条3受力钢筋的品种、级别、规格和数量第5.5.1条一般项目1接头位置和数量第5.4.3条2机械连接、焊接的外观质量第5.4.4条3机械连接、焊接的接头面积百分率第5.4.5条4绑扎搭接接头面积百分率和搭接长度第5.4.6条附录B5搭接长度范围内的箍筋第5.4.7条6钢筋安装允许偏差绑扎钢筋网长、宽(mm)±10网眼尺寸(mm)±20绑扎钢筋骨架长(mm)±10宽、高(mm)±5受力钢筋间距(mm)±10排距(mm)±5保护层厚度(mm)基础±10柱、梁±5板、墙、壳±3绑扎箍筋、横向钢筋间距±20mm钢筋弯起点位置(mm)20预埋件中心线位置(mm)5水平高差(mm)+3,0施工单位检查评定结果专业工长(施工员)施工班组长项目专业质量检查员:年月日监理(建设)单位验收结论专业监理工程师:(建设单位项目专业技术负责人)年月日山东省建设工程质量监督总站监制

1、当您付费下载文档后,您只拥有了使用权限,并不意味着购买了版权,文档只能用于自身使用,不得用于其他商业用途(如 [转卖]进行直接盈利或[编辑后售卖]进行间接盈利)。
2、本站所有内容均由合作方或网友上传,本站不对文档的完整性、权威性及其观点立场正确性做任何保证或承诺!文档内容仅供研究参考,付费前请自行鉴别。
3、如文档内容存在违规,或者侵犯商业秘密、侵犯著作权等,请点击“违规举报”。

碎片内容

蜗牛文库的最新文档

二年级数学下册其中检测卷二年级数学下册其中检测卷附答案#期中测试卷.pdf
10.00金币
0下载
二年级数学下册期末质检卷(苏教版)二年级数学下册期末质检卷(苏教版)#期末复习 #期末测试卷 #二年级数学 #二年级数学下册#关注我持续更新小学知识.pdf
10.00金币
0下载
二年级数学下册期末混合运算专项练习二年级数学下册期末混合运算专项练习#二年级#二年级数学下册#关注我持续更新小学知识 #知识分享 #家长收藏孩子受益.pdf
10.00金币
1下载
二年级数学下册年月日三类周期问题解题方法二年级数学下册年月日三类周期问题解题方法#二年级#二年级数学下册#知识分享 #关注我持续更新小学知识 #家长收藏孩子受益.pdf
10.00金币
0下载
二年级数学下册解决问题专项训练二年级数学下册解决问题专项训练#专项训练#解决问题#二年级#二年级数学下册#知识分享.pdf
10.00金币
1下载
二年级数学下册还原问题二年级数学下册还原问题#二年级#二年级数学#关注我持续更新小学知识 #知识分享 #家长收藏孩子受益.pdf
10.00金币
1下载
二年级数学下册第六单元考试卷家长打印出来给孩子测试测试争取拿到高分!#小学二年级试卷分享 #二年级第六单考试数学 #第六单考试#二年级数学下册.pdf
10.00金币
0下载
二年级数学下册必背顺口溜口诀汇总二年级数学下册必背顺口溜口诀汇总#二年级#二年级数学下册 #知识分享 #家长收藏孩子受益 #关注我持续更新小学知识.pdf
10.00金币
0下载
二年级数学下册《重点难点思维题》两大问题解决技巧和方法巧算星期几解决周期问题还原问题强化思维训练老师精心整理家长可以打印出来给孩子练习#家长收藏孩子受益 #学霸秘籍 #思维训练 #二年级 #知识点总结.pdf
10.00金币
0下载
二年级数学下册 必背公式大全寒假提前背一背开学更轻松#二年级 #二年级数学 #二年级数学下册 #寒假充电计划 #公式.pdf
10.00金币
0下载
蜗牛文库+ 关注
实名认证
内容提供者

提供各种专业文档内容

确认删除?
QQ
  • QQ点击这里给我发消息
微信客服
  • 微信客服
回到顶部