电脑桌面
添加蜗牛文库到电脑桌面
安装后可以在桌面快捷访问

091 模板分项工程(预制构件模板安装)检验批质量验收记录 TJ4-2-02.docVIP免费

091 模板分项工程(预制构件模板安装)检验批质量验收记录 TJ4-2-02.doc_第1页
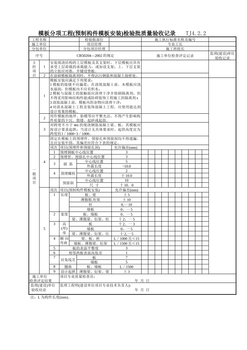
模板分项工程(预制构件模板安装)检验批质量验收记录TJ4.2.2工程名称检验批部位施工执行标准名称及编号施工单位项目经理专业工长分包单位分包项目经理施工班组长序号CB50204—2002的规定施工单位检查评定记录监理(建设)单位验收记录主控项目1安装现浇结构的上层模板及其支架时,下层楼板应具有承受上层荷载的承载能力,或加设支架;上、下层支架的立按应对准,并铺设垫板。2在涂刷模板隔离剂时,不得沾污钢筋和混凝土接槎处。一般项目1模板安装应满足下列要求:1模板的接缝不应漏浆;在浇筑混凝土前,木模板应浇水湿润,但模板内不应有积水;2模板与混凝土的接触面应清理干净并徐刷隔离剂,但不得采用影响结构性能或防碍装饰工程施工的隔离剂s3浇筑混凝土前,模板内的杂物应清理干净;4对清水混凝土工程及装饰混凝土工程,应使用能达到设计效果的模板。2用作模板的地坪、胎模等应平整光洁,不得产生影响构件质量的下沉、裂缝、起砂或起鼓。3对跨度不小于4m的现浇钢筋混凝土梁、板,其模板应按设计要求起拱;当设计无具体要求时,起供高度宜为跨度的l/1000~3/1000。4固定在模板上的预埋件、预留孔和预留洞均不得遗漏,且应安装牢固,其偏差应符合下表的规定。项次项目(预埋件和预留孔洞)允许偏差(mm)1预埋钢板中心线位置32预埋管、预留孔中心线位置33插筋中心线位置5外露长度+10.04预埋螺桂中心线位置2外露长度十10.0预留洞中心线位置10尺寸十10.05项次项目(预制构件模板安装)允许偏差(mm)1长度板、梁土5薄腹眼.珩架土10柱0,一10墙板0,一52宽度板、墙板0。一5梁、薄腹梁、衍架、柱十2,一53高(厚)度板十2.一3墙板0,一5梁、薄腹粱、衍架、往十2,一54侧向弯曲梁、板、桩L/1000且≤15墙板、薄腹梁、衍架L/1500且≤155板的表面平整度36相邻两板表面高低差17对角线差板7墙板58翘曲板、墙板L/15009设计起拱薄腹梁、衍架、梁土3施工单位检查评定结果项目专业质量检查员:年月日监理(建设)单位验收结论监理工程师(建设单位项目专业技术负责人):年月日注:L为构件长度(mm)。

1、当您付费下载文档后,您只拥有了使用权限,并不意味着购买了版权,文档只能用于自身使用,不得用于其他商业用途(如 [转卖]进行直接盈利或[编辑后售卖]进行间接盈利)。
2、本站所有内容均由合作方或网友上传,本站不对文档的完整性、权威性及其观点立场正确性做任何保证或承诺!文档内容仅供研究参考,付费前请自行鉴别。
3、如文档内容存在违规,或者侵犯商业秘密、侵犯著作权等,请点击“违规举报”。

碎片内容

蜗牛文库的最新文档

二年级数学下册其中检测卷二年级数学下册其中检测卷附答案#期中测试卷.pdf
10.00金币
0下载
二年级数学下册期末质检卷(苏教版)二年级数学下册期末质检卷(苏教版)#期末复习 #期末测试卷 #二年级数学 #二年级数学下册#关注我持续更新小学知识.pdf
10.00金币
0下载
二年级数学下册期末混合运算专项练习二年级数学下册期末混合运算专项练习#二年级#二年级数学下册#关注我持续更新小学知识 #知识分享 #家长收藏孩子受益.pdf
10.00金币
1下载
二年级数学下册年月日三类周期问题解题方法二年级数学下册年月日三类周期问题解题方法#二年级#二年级数学下册#知识分享 #关注我持续更新小学知识 #家长收藏孩子受益.pdf
10.00金币
0下载
二年级数学下册解决问题专项训练二年级数学下册解决问题专项训练#专项训练#解决问题#二年级#二年级数学下册#知识分享.pdf
10.00金币
1下载
二年级数学下册还原问题二年级数学下册还原问题#二年级#二年级数学#关注我持续更新小学知识 #知识分享 #家长收藏孩子受益.pdf
10.00金币
1下载
二年级数学下册第六单元考试卷家长打印出来给孩子测试测试争取拿到高分!#小学二年级试卷分享 #二年级第六单考试数学 #第六单考试#二年级数学下册.pdf
10.00金币
0下载
二年级数学下册必背顺口溜口诀汇总二年级数学下册必背顺口溜口诀汇总#二年级#二年级数学下册 #知识分享 #家长收藏孩子受益 #关注我持续更新小学知识.pdf
10.00金币
0下载
二年级数学下册《重点难点思维题》两大问题解决技巧和方法巧算星期几解决周期问题还原问题强化思维训练老师精心整理家长可以打印出来给孩子练习#家长收藏孩子受益 #学霸秘籍 #思维训练 #二年级 #知识点总结.pdf
10.00金币
0下载
二年级数学下册 必背公式大全寒假提前背一背开学更轻松#二年级 #二年级数学 #二年级数学下册 #寒假充电计划 #公式.pdf
10.00金币
0下载
蜗牛文库+ 关注
实名认证
内容提供者

提供各种专业文档内容

确认删除?
QQ
  • QQ点击这里给我发消息
微信客服
  • 微信客服
回到顶部