电脑桌面
添加蜗牛文库到电脑桌面
安装后可以在桌面快捷访问

切片机张刀对切片质量的影响-45所.docVIP免费

切片机张刀对切片质量的影响-45所.doc_第1页
切片机张刀对切片质量的影响-45所.doc_第2页
切片机张刀对切片质量的影响-45所.doc_第3页
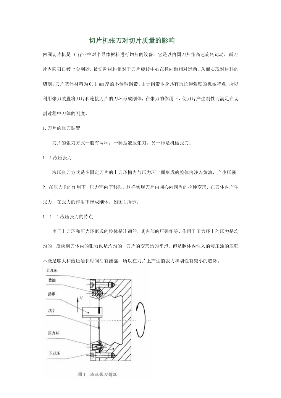
切片机张刀对切片质量的影响内圆切片机是IC行业中对半导体材料进行切片的设备,它是以内圆刀片作高速旋转运动,而刀片内圆刃口镀上金刚砂,被切割材料相对于刀片旋转中心在径向做相对运动,从而实现对材料的切割。刀片基体材料为0.1mm厚的不锈钢钢带。由于钢带本身具有抗拉伸强度的机械特点,所以利用张刀装置将刀片和连接刀片的刀环形成刚体,在张力的作用下,使刀片产生刚性而满足在切割过程中刀体的刚度。1.刀片的张刀装置刀片的张刀方式一般有两种,一种是液压张刀,另一种是机械张刀。1.1液压张刀液压张刀方式是在固定刀片的上刀环槽内与压力环上面形成的腔体内注入黄油,产生压强P,在压力F的作用下,压力环向下移动,这样实现刀片由圆心向四周的拉伸变形,在刀体内产生张力,在张力的作用下形成刚体。如图1所示。1.1.1液压张刀的特点由于上刀环和压力环形成的腔体是连通的,其内部的压强相等,作用于压力环上的压力是均匀的,反映到刀体内的张力也是均匀的,刀片的变形均匀平坦。但是腔体内注入的液压油的压强不能足够大和液压油长时间后有泄漏,所以在刀片上产生的张力和刚性有减小的趋势。1.1.2液压张刀的检测通过刀片刃口处径向的变形量可以判断出刀体内的张力和刚性,采用液压张刀方式,刃口处径向变形量可用刀片张力规检测,如图2所示。将刀片张力规安放于刀片刃口处,通过上刀环上的压注油杯,向刀环腔体内压入黄油,压力环产生位移,刀片由圆心向四周被拉伸变形,张力规上的百分表即可显示出变形量Δ,据此可以判断出刀片的刚性。一般刀片的规格不同变形量Δ也不同。变形量Δ一般为经验值。1.2机械张刀机械张刀方式是在上刀环上安装若干个紧定螺钉,在紧定螺钉的顶压下,压力环产生位移,以实现刀片由圆心向四周被拉伸变形,在刀体内产生张力使其形成刚体。如图3所示。1.2.1机械张刀的特点机械张刀方式具有张力大,刚性强的特点。所以目前内圆切片机大部分采用此种方式。但是机械张刀方式,刀体内的张力和变形没有液压张刀方式刀体的张力和变形均匀。1.2.2机械张刀的检测采用机械张刀方式刀片刃口处的变形量可由对刀滚轮检测,如图4所示,拧紧张刀螺钉,压力环产生位移,这时刀片由圆心向四周被拉伸变形。通过对刀滚轮上的百分表能够看出变形量Δ和刀片刃口中心相对于刀环旋转中心的偏差δ,偏差δ越小越好,刀片径向变形量Δ由刀片的规格不同而不同,一般为经验值。1.3张刀和刀片的变形刀体由圆心向四周产生拉伸变形,...

1、当您付费下载文档后,您只拥有了使用权限,并不意味着购买了版权,文档只能用于自身使用,不得用于其他商业用途(如 [转卖]进行直接盈利或[编辑后售卖]进行间接盈利)。
2、本站所有内容均由合作方或网友上传,本站不对文档的完整性、权威性及其观点立场正确性做任何保证或承诺!文档内容仅供研究参考,付费前请自行鉴别。
3、如文档内容存在违规,或者侵犯商业秘密、侵犯著作权等,请点击“违规举报”。

碎片内容

蜗牛文库的最新文档

二年级数学下册其中检测卷二年级数学下册其中检测卷附答案#期中测试卷.pdf
10.00金币
0下载
二年级数学下册期末质检卷(苏教版)二年级数学下册期末质检卷(苏教版)#期末复习 #期末测试卷 #二年级数学 #二年级数学下册#关注我持续更新小学知识.pdf
10.00金币
0下载
二年级数学下册期末混合运算专项练习二年级数学下册期末混合运算专项练习#二年级#二年级数学下册#关注我持续更新小学知识 #知识分享 #家长收藏孩子受益.pdf
10.00金币
1下载
二年级数学下册年月日三类周期问题解题方法二年级数学下册年月日三类周期问题解题方法#二年级#二年级数学下册#知识分享 #关注我持续更新小学知识 #家长收藏孩子受益.pdf
10.00金币
0下载
二年级数学下册解决问题专项训练二年级数学下册解决问题专项训练#专项训练#解决问题#二年级#二年级数学下册#知识分享.pdf
10.00金币
1下载
二年级数学下册还原问题二年级数学下册还原问题#二年级#二年级数学#关注我持续更新小学知识 #知识分享 #家长收藏孩子受益.pdf
10.00金币
1下载
二年级数学下册第六单元考试卷家长打印出来给孩子测试测试争取拿到高分!#小学二年级试卷分享 #二年级第六单考试数学 #第六单考试#二年级数学下册.pdf
10.00金币
0下载
二年级数学下册必背顺口溜口诀汇总二年级数学下册必背顺口溜口诀汇总#二年级#二年级数学下册 #知识分享 #家长收藏孩子受益 #关注我持续更新小学知识.pdf
10.00金币
0下载
二年级数学下册《重点难点思维题》两大问题解决技巧和方法巧算星期几解决周期问题还原问题强化思维训练老师精心整理家长可以打印出来给孩子练习#家长收藏孩子受益 #学霸秘籍 #思维训练 #二年级 #知识点总结.pdf
10.00金币
0下载
二年级数学下册 必背公式大全寒假提前背一背开学更轻松#二年级 #二年级数学 #二年级数学下册 #寒假充电计划 #公式.pdf
10.00金币
0下载
蜗牛文库+ 关注
实名认证
内容提供者

提供各种专业文档内容

确认删除?
QQ
  • QQ点击这里给我发消息
微信客服
  • 微信客服
回到顶部