电脑桌面
添加蜗牛文库到电脑桌面
安装后可以在桌面快捷访问

数控技术各章节习题.docVIP免费

数控技术各章节习题.doc_第1页
数控技术各章节习题.doc_第2页
数控技术各章节习题.doc_第3页
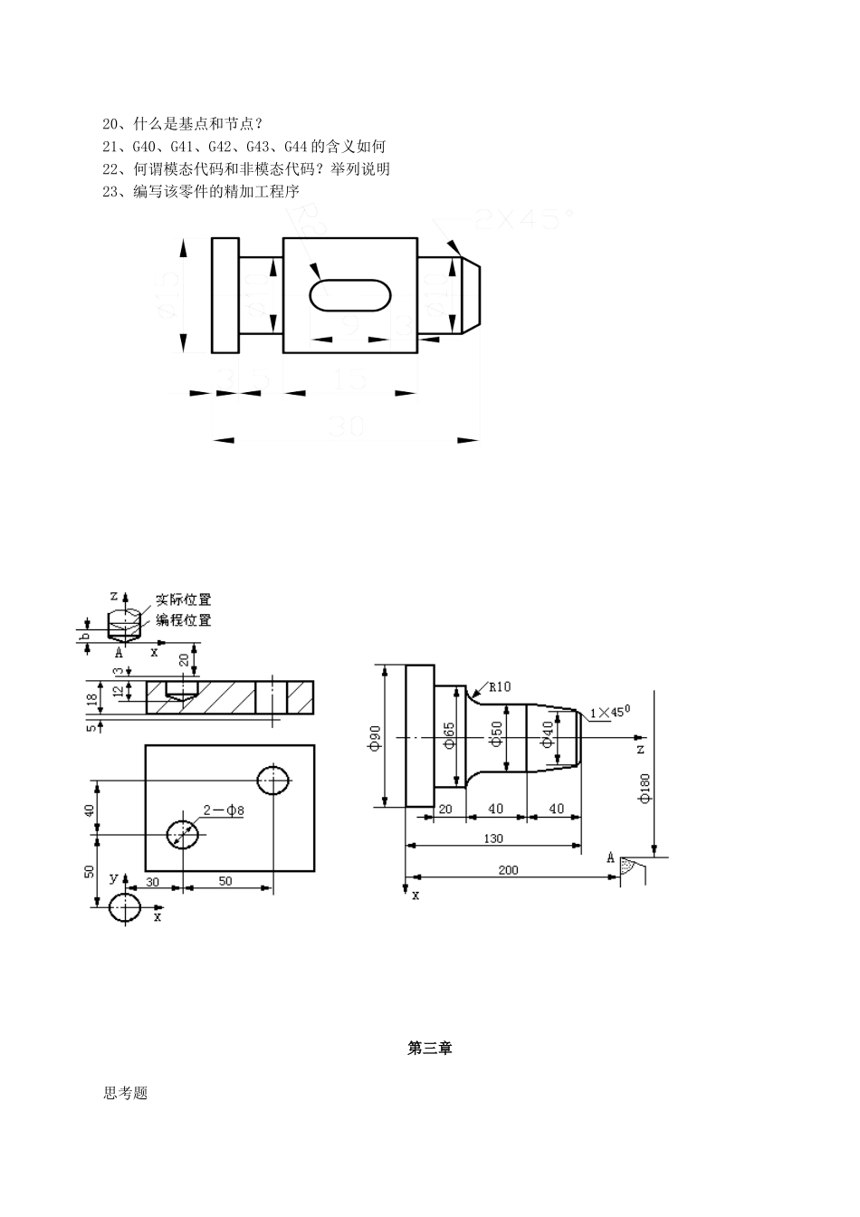
数控技术各章节习题集机械制造系数控技术各章节习题第一章思考题:1、数控机床、数控技术的基本概念2、数控机床的特点、组成、各部分作用、分类3、数控机床的加工原理、使用范围4、数控技术的发展趋势5、什么是点位控制、直线控制、轮廓控制数控机床?6、按伺服系统的控制原理数控机床分哪几类?7、数控机床的发展趋势主要有哪些?8、如何提高数控机床的精度、速度和可靠性9.CNC装置的主要技术指标有哪些?第二章思考题一、判断题1.()立铣刀的刀位点是刀具中心线与刀具底面的交点。2.()球头铣刀的刀位点是刀具中心线与球头球面交点。3.()由于数控机床的先进性,因此任何零件均适合在数控机床上加工。4.()换刀点应设置在被加工零件的轮廓之外,并要求有一定的余量。5.()为保证工件轮廓表面粗糙度,最终轮廓应在一次走刀中连续加工出来。二、简答题1、何谓对刀点?2、何谓刀位点?3、何谓换刀点?4、数控工艺与传统工艺相比有哪些特点?5、数控编程开始前,进行工艺分析的目的是什么?6、如何从经济观点出发来分析何种零件在数控机床上加工合适?7、确定对刀点时应考虑哪些因素?8、指出立铣刀、球头铣刀和钻头、车刀和镗刀的刀位点。9、什么是数控编程?简要说明数控编程的内容与步骤10、准备功能(G)与辅助功能(M)在数控编程中的作用如何?11、M00、M01、M02、M30的区别在哪里?12、编程中如何选择对刀点、换刀点?13、简述数控机床的坐标系及编程特点。14、什么是“字地址程序段各式”有何特点?15、数控机床的X、Y、Z坐标轴及其方向如何确定?16、数控机床坐标系和工件坐标系之间的关系如何?17、F、S、T功能指令各自的作用?18、G00、G01、G02、G03的不同点在哪里?19、什么是零件的加工路线?确定加工路线应遵循的原则?20、什么是基点和节点?21、G40、G41、G42、G43、G44的含义如何22、何谓模态代码和非模态代码?举列说明23、编写该零件的精加工程序第三章思考题1、数控机床对位置检测装置的要求有哪些?2、位置检测装置可按哪些方式分类?3、分析感应同步器与旋转变压器的结构特点。4、旋转变压器作为位置检测元件,有哪两种应用方法5、叙述鉴相方式和鉴幅方式工作的感应同步器的工作原理。签相型和签幅型感应同步器对滑尺的正余弦绕组的激磁电压各有何要求?6、试述绝对值编码器和光电式脉冲编码器的工作原理。为什么绝对式码盘一般采用葛莱码而不采用二进制码?7、莫尔条纹特性有哪些?8、光栅位移—数字变换电路包括...

1、当您付费下载文档后,您只拥有了使用权限,并不意味着购买了版权,文档只能用于自身使用,不得用于其他商业用途(如 [转卖]进行直接盈利或[编辑后售卖]进行间接盈利)。
2、本站所有内容均由合作方或网友上传,本站不对文档的完整性、权威性及其观点立场正确性做任何保证或承诺!文档内容仅供研究参考,付费前请自行鉴别。
3、如文档内容存在违规,或者侵犯商业秘密、侵犯著作权等,请点击“违规举报”。

碎片内容

蜗牛文库的最新文档

二年级数学下册其中检测卷二年级数学下册其中检测卷附答案#期中测试卷.pdf
10.00金币
0下载
二年级数学下册期末质检卷(苏教版)二年级数学下册期末质检卷(苏教版)#期末复习 #期末测试卷 #二年级数学 #二年级数学下册#关注我持续更新小学知识.pdf
10.00金币
0下载
二年级数学下册期末混合运算专项练习二年级数学下册期末混合运算专项练习#二年级#二年级数学下册#关注我持续更新小学知识 #知识分享 #家长收藏孩子受益.pdf
10.00金币
1下载
二年级数学下册年月日三类周期问题解题方法二年级数学下册年月日三类周期问题解题方法#二年级#二年级数学下册#知识分享 #关注我持续更新小学知识 #家长收藏孩子受益.pdf
10.00金币
0下载
二年级数学下册解决问题专项训练二年级数学下册解决问题专项训练#专项训练#解决问题#二年级#二年级数学下册#知识分享.pdf
10.00金币
1下载
二年级数学下册还原问题二年级数学下册还原问题#二年级#二年级数学#关注我持续更新小学知识 #知识分享 #家长收藏孩子受益.pdf
10.00金币
1下载
二年级数学下册第六单元考试卷家长打印出来给孩子测试测试争取拿到高分!#小学二年级试卷分享 #二年级第六单考试数学 #第六单考试#二年级数学下册.pdf
10.00金币
0下载
二年级数学下册必背顺口溜口诀汇总二年级数学下册必背顺口溜口诀汇总#二年级#二年级数学下册 #知识分享 #家长收藏孩子受益 #关注我持续更新小学知识.pdf
10.00金币
0下载
二年级数学下册《重点难点思维题》两大问题解决技巧和方法巧算星期几解决周期问题还原问题强化思维训练老师精心整理家长可以打印出来给孩子练习#家长收藏孩子受益 #学霸秘籍 #思维训练 #二年级 #知识点总结.pdf
10.00金币
0下载
二年级数学下册 必背公式大全寒假提前背一背开学更轻松#二年级 #二年级数学 #二年级数学下册 #寒假充电计划 #公式.pdf
10.00金币
0下载
蜗牛文库+ 关注
实名认证
内容提供者

提供各种专业文档内容

确认删除?
QQ
  • QQ点击这里给我发消息
微信客服
  • 微信客服
回到顶部