电脑桌面
添加蜗牛文库到电脑桌面
安装后可以在桌面快捷访问

PLC教案1[1].2.docVIP免费

PLC教案1[1].2.doc_第1页
PLC教案1[1].2.doc_第2页
PLC教案1[1].2.doc_第3页
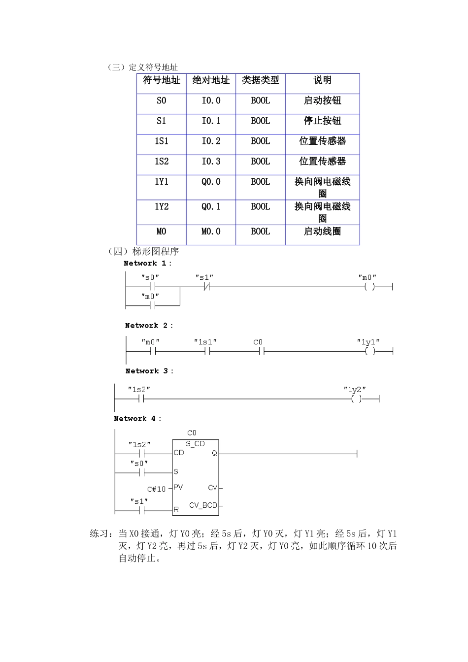
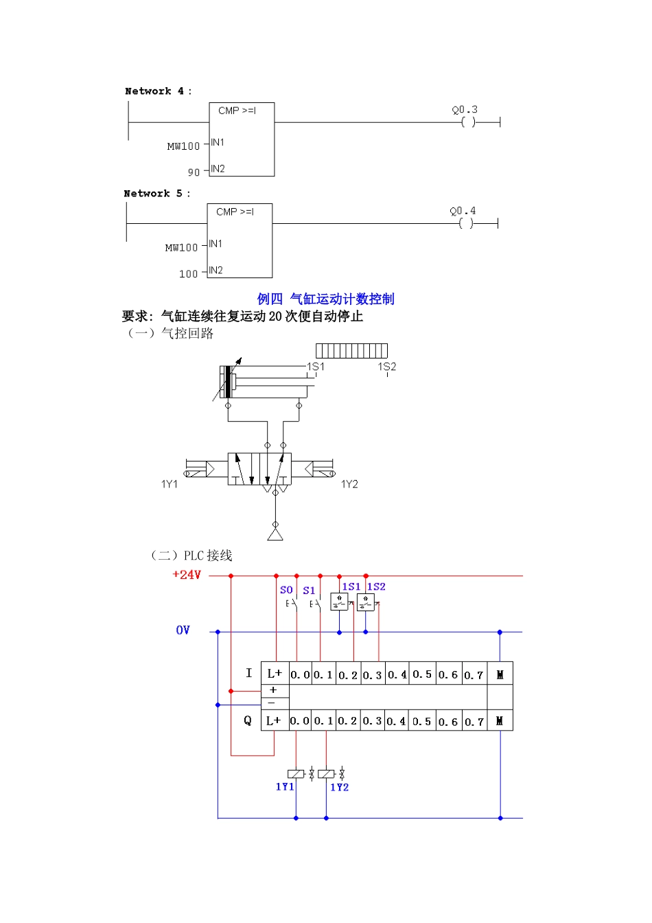
例三货仓区的控制如下图,装有两台传送带的系统,在两台传送带之间有一个仓库区。传送带1将包裹运送至临时仓库区。传送带1靠近仓库区一端安装的光电传感器确定已有多少包裹运送至仓库区。传送带2将临时库区中的包裹运送至装货场,在这里货物由卡车运送至顾客。传送带2靠近仓库区一端安装的光电传感器确定已有多少包裹从库区运送至装货场。梯形图程序:例四气缸运动计数控制要求:气缸连续往复运动20次便自动停止(一)气控回路(二)PLC接线(三)定义符号地址符号地址绝对地址类据类型说明S0I0.0BOOL启动按钮S1I0.1BOOL停止按钮1S1I0.2BOOL位置传感器1S2I0.3BOOL位置传感器1Y1Q0.0BOOL换向阀电磁线圈1Y2Q0.1BOOL换向阀电磁线圈M0M0.0BOOL启动线圈(四)梯形图程序练习:当X0接通,灯Y0亮;经5s后,灯Y0灭,灯Y1亮;经5s后,灯Y1灭,灯Y2亮,再过5s后,灯Y2灭,灯Y0亮,如此顺序循环10次后自动停止。(6)PLC控制的气缸延时控制回路,当气缸的活塞伸出到位

1、当您付费下载文档后,您只拥有了使用权限,并不意味着购买了版权,文档只能用于自身使用,不得用于其他商业用途(如 [转卖]进行直接盈利或[编辑后售卖]进行间接盈利)。
2、本站所有内容均由合作方或网友上传,本站不对文档的完整性、权威性及其观点立场正确性做任何保证或承诺!文档内容仅供研究参考,付费前请自行鉴别。
3、如文档内容存在违规,或者侵犯商业秘密、侵犯著作权等,请点击“违规举报”。

碎片内容

蜗牛文库的最新文档

二年级数学下册其中检测卷二年级数学下册其中检测卷附答案#期中测试卷.pdf
10.00金币
0下载
二年级数学下册期末质检卷(苏教版)二年级数学下册期末质检卷(苏教版)#期末复习 #期末测试卷 #二年级数学 #二年级数学下册#关注我持续更新小学知识.pdf
10.00金币
0下载
二年级数学下册期末混合运算专项练习二年级数学下册期末混合运算专项练习#二年级#二年级数学下册#关注我持续更新小学知识 #知识分享 #家长收藏孩子受益.pdf
10.00金币
1下载
二年级数学下册年月日三类周期问题解题方法二年级数学下册年月日三类周期问题解题方法#二年级#二年级数学下册#知识分享 #关注我持续更新小学知识 #家长收藏孩子受益.pdf
10.00金币
0下载
二年级数学下册解决问题专项训练二年级数学下册解决问题专项训练#专项训练#解决问题#二年级#二年级数学下册#知识分享.pdf
10.00金币
1下载
二年级数学下册还原问题二年级数学下册还原问题#二年级#二年级数学#关注我持续更新小学知识 #知识分享 #家长收藏孩子受益.pdf
10.00金币
1下载
二年级数学下册第六单元考试卷家长打印出来给孩子测试测试争取拿到高分!#小学二年级试卷分享 #二年级第六单考试数学 #第六单考试#二年级数学下册.pdf
10.00金币
0下载
二年级数学下册必背顺口溜口诀汇总二年级数学下册必背顺口溜口诀汇总#二年级#二年级数学下册 #知识分享 #家长收藏孩子受益 #关注我持续更新小学知识.pdf
10.00金币
0下载
二年级数学下册《重点难点思维题》两大问题解决技巧和方法巧算星期几解决周期问题还原问题强化思维训练老师精心整理家长可以打印出来给孩子练习#家长收藏孩子受益 #学霸秘籍 #思维训练 #二年级 #知识点总结.pdf
10.00金币
0下载
二年级数学下册 必背公式大全寒假提前背一背开学更轻松#二年级 #二年级数学 #二年级数学下册 #寒假充电计划 #公式.pdf
10.00金币
0下载
蜗牛文库+ 关注
实名认证
内容提供者

提供各种专业文档内容

确认删除?
QQ
  • QQ点击这里给我发消息
微信客服
  • 微信客服
回到顶部