电脑桌面
添加蜗牛文库到电脑桌面
安装后可以在桌面快捷访问

[www.staffempire.com]-GB-T 9125-2003 管法兰连接用紧固件.pdfVIP免费

[www.staffempire.com]-GB-T 9125-2003 管法兰连接用紧固件.pdf_第1页
[www.staffempire.com]-GB-T 9125-2003 管法兰连接用紧固件.pdf_第2页
[www.staffempire.com]-GB-T 9125-2003 管法兰连接用紧固件.pdf_第3页
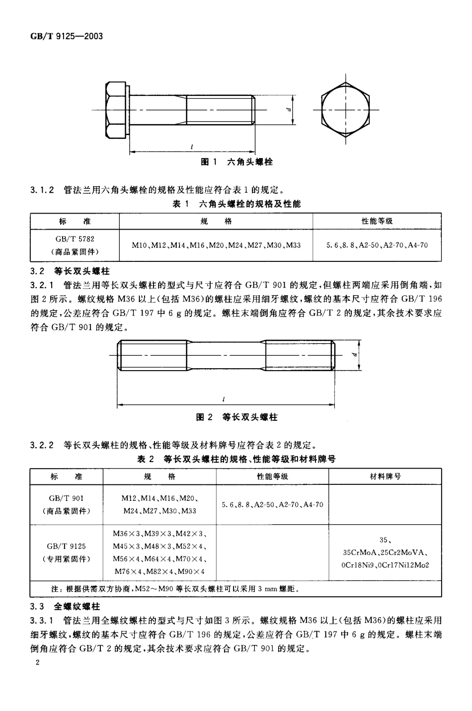
GB/T9125-2003前言本标准是与管法兰标准配套使用的连接件标准,是管法兰系列标准之一。本标准使用GB/T9125-2003的编号意在体现管法兰标准的系列性,但本标准并不替代原GB/T9125-1988((钢制管法兰技术条件》。原GB/T9125-1988已经被GB/T9124-2000所替代。为便于管道工程中对法兰、垫片以及紧固件的统一设计和使用,本标准在附录A中推荐了管法兰连接用紧固件的长度计算方法;附录B中推荐了管法兰连接用紧固件使用指南。本标准的附录A和附录B是资料性附录。本标准由中国机械工业联合会提出。本标准由全国管路附件标准化技术委员会归口。本标准起草单位:机械科学研究院、全国化工设备设计技术中心站、山东诸城市高强紧固件有限公司、绍兴县高强度紧固件厂、浙江省舟山市正源标准件有限公司。本标准主要起草人:李俊英、丁宝平、应道宴、马乃广、葛海泉、林仲岳、黄正林。本标准于2003年首次发布。GB/T9125-2003管法兰连接用紧固件范围本标准规定了管法兰连接用紧固件的型式与尺寸、材料及机械性能、技术要求和标记与标志。本标准适用于钢法兰、铸铁法兰、铜合金及复合法兰等不同材料的管法兰连接用紧固件。本标准中规定的紧固件包括六角头螺栓、等长双头螺柱、全螺纹螺柱和六角螺母。2规范性引用文件下列文件中的条款通过本标准的引用而成为本标准的条款。凡是注日期的引用文件.其随后所有的修改单(不包括勘误的内容)或修订版均不适用于本标准,然而,鼓励根据本标准达成协议的各方研究是否可使用这些文件的最新版本。凡是不注日期的引用文件,其最新版本适用于本标准。GB/T2紧固件外螺纹零件的末端GB/T90.l紧固件验收检查GB/T90.2紧固件标志与包装GB/T196普通螺纹基本尺寸(ISO724:1993,MOD)GB/T19?普通螺纹公差(ISO965-1,1998,MOD)GB/T901等长双头螺柱B级GB/T1220不锈钢棒GB/T1229钢结构用高强度大六角螺母GB/T1237紧固件标记方法(egvISO8991:1986)GB/T3077合金结构钢GB/T3098.1紧固件机械性能螺栓、螺钉和螺柱(idtISO898-1:1999)GB/T3098.2紧固件机械性能螺母粗牙螺纹(idtISO898-2:1992)GB/T3098.4紧固件机械性能螺母细牙螺纹(idtISO898-6:1994)GB/T3098.6紧固件机械性能不锈钢螺栓、螺钉和螺柱(idtISO3506-1:1997)GB/T5782六角头螺栓(eqvISO4014:1999)GB/T5785六角头螺栓细牙(eqvISO8765:1999)GB/T61701型六角螺母(eqvISO4032:1999)GB/T61711型六角螺母细牙(eqvISO8673:1999)JB4730-1994压力容器无损检测3型式与尺寸3.1六角头蛆栓3.1.1管法兰用六角头...

1、当您付费下载文档后,您只拥有了使用权限,并不意味着购买了版权,文档只能用于自身使用,不得用于其他商业用途(如 [转卖]进行直接盈利或[编辑后售卖]进行间接盈利)。
2、本站所有内容均由合作方或网友上传,本站不对文档的完整性、权威性及其观点立场正确性做任何保证或承诺!文档内容仅供研究参考,付费前请自行鉴别。
3、如文档内容存在违规,或者侵犯商业秘密、侵犯著作权等,请点击“违规举报”。

碎片内容

蜗牛文库的最新文档

二年级数学下册其中检测卷二年级数学下册其中检测卷附答案#期中测试卷.pdf
10.00金币
0下载
二年级数学下册期末质检卷(苏教版)二年级数学下册期末质检卷(苏教版)#期末复习 #期末测试卷 #二年级数学 #二年级数学下册#关注我持续更新小学知识.pdf
10.00金币
0下载
二年级数学下册期末混合运算专项练习二年级数学下册期末混合运算专项练习#二年级#二年级数学下册#关注我持续更新小学知识 #知识分享 #家长收藏孩子受益.pdf
10.00金币
1下载
二年级数学下册年月日三类周期问题解题方法二年级数学下册年月日三类周期问题解题方法#二年级#二年级数学下册#知识分享 #关注我持续更新小学知识 #家长收藏孩子受益.pdf
10.00金币
0下载
二年级数学下册解决问题专项训练二年级数学下册解决问题专项训练#专项训练#解决问题#二年级#二年级数学下册#知识分享.pdf
10.00金币
1下载
二年级数学下册还原问题二年级数学下册还原问题#二年级#二年级数学#关注我持续更新小学知识 #知识分享 #家长收藏孩子受益.pdf
10.00金币
1下载
二年级数学下册第六单元考试卷家长打印出来给孩子测试测试争取拿到高分!#小学二年级试卷分享 #二年级第六单考试数学 #第六单考试#二年级数学下册.pdf
10.00金币
0下载
二年级数学下册必背顺口溜口诀汇总二年级数学下册必背顺口溜口诀汇总#二年级#二年级数学下册 #知识分享 #家长收藏孩子受益 #关注我持续更新小学知识.pdf
10.00金币
0下载
二年级数学下册《重点难点思维题》两大问题解决技巧和方法巧算星期几解决周期问题还原问题强化思维训练老师精心整理家长可以打印出来给孩子练习#家长收藏孩子受益 #学霸秘籍 #思维训练 #二年级 #知识点总结.pdf
10.00金币
0下载
二年级数学下册 必背公式大全寒假提前背一背开学更轻松#二年级 #二年级数学 #二年级数学下册 #寒假充电计划 #公式.pdf
10.00金币
0下载
蜗牛文库+ 关注
实名认证
内容提供者

提供各种专业文档内容

确认删除?
QQ
  • QQ点击这里给我发消息
微信客服
  • 微信客服
回到顶部