电脑桌面
添加蜗牛文库到电脑桌面
安装后可以在桌面快捷访问

[www.staffempire.com]-GB 4213-1992《气动调节阀通用技术条件》.pdfVIP免费

[www.staffempire.com]-GB 4213-1992《气动调节阀通用技术条件》.pdf_第1页
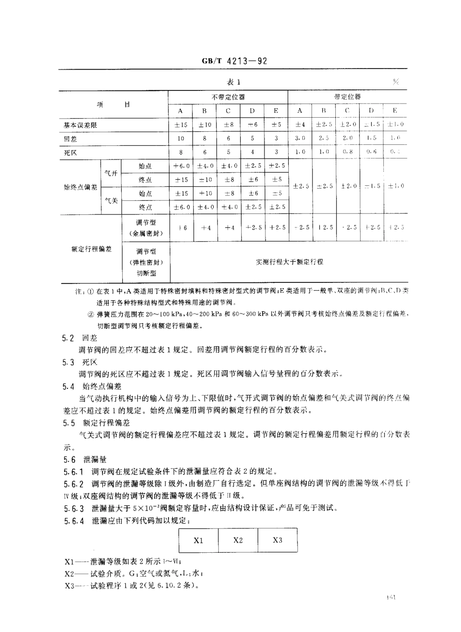
[www.staffempire.com]-GB 4213-1992《气动调节阀通用技术条件》.pdf_第2页
[www.staffempire.com]-GB 4213-1992《气动调节阀通用技术条件》.pdf_第3页
中华人民共和国国家标准GB/T4213一92气动调节阀代替G1421384Pneumaticindustrialprocesscontrolvalves1主题内容与适用范围本标准规定了工业过程控制系统用气动调节阀(亦称控制阀)的产品分类,技术要求、试验方法、检验规则等本标准适用J二气动执行机构与阀组成的各类气动调节阀(以下简称调节阀)本标准巾有关内容也适用于独立的气动执行机构和阀组件。本标准不适用于承受放射性工作条件及其他危险工作条件的调节阀2引用标准GB9223执行器术语ZBYO03仪器仪表包装通用技术条件3术语本标准采用GB9223规定的术语。4产品分类4门按调节阀动作方式分类a.直行程调节阀;b.角行程调节阀。4.2按调节阀调节方式分类调节型;b,切断型。4.3按调节阀作用方式分类a.气关式;b.气开式。4.4按调节阀执行机构型式分类a.气动薄膜调节阀;b.气动活塞调节阀。注:盯D气动执行机构按结构分为a.气动薄膜式执行机构;b.气动活塞式执行机构②气动执行机构按输出方式分为直行程气动执行机构;b,角行程气动执行机构。国家技术监督局1992一08一29批准1993一04一01实施GB/T4213一924.5公称通径调节阀的公称通径应自下列数系中选取:6,10,15,20,25,(32),40,50,(65),80,100,(125),150,200,250,300,350,400,450,500,600.700.800.900.1000,1200,1400,1600,1800,2000mm注括号中数值不推荐使用巴4.6公称压力调节阀的公称压力应自下列数值中选取:().1.0.4,0.6,1.1.6,2.5,4.6.4.10,16,25,32,40,160,250MP.4.7输入信号范围a.调节阀的标准输入压力信号范围20^-100kPa;b.切断型调节阀,输入信号范围可在气源压力额定值内任意选取;。.带有电一气阀门定位器的调节阀,标准输人电信号范围为直流。^10mA或4-20mA4.8气源48门气源压力的最大值a.气动薄膜调节阀:5ookPa:b.气动活塞调节阀:700kP。4.8.2气源的湿度操作爪力「的气源其露点应比调节阀工作环境温度至少低10C.4.8.3气源的质墩:.气源应无明显的油蒸汽、油和其他液体;b.气I'll,应无明显的腐蚀性气休、蒸汽和溶剂;。.带定位器的调节阀气源中所含固体微粒数量应小于o.1g/m',且微粒直径应小于601-.含油it应小于10mg/m'4.9正常工作条件a温度:一25-+55C或一40~十70'C;b.相对湿度:5片-100X注:允许采用特殊的温度等级,但温度值应为川C的倍数4门0信号接管螺纹气动执行机构与信号传送管道连接的螺纹尺」1为M10X1或M16X1.5,按照用户要求也可采用其他尺寸4门1连接端型式和尺寸a.调节阀连接端型式为法兰、焊接或螺纹;b.调节阀连接端的型式和尺寸应符合相应国...

1、当您付费下载文档后,您只拥有了使用权限,并不意味着购买了版权,文档只能用于自身使用,不得用于其他商业用途(如 [转卖]进行直接盈利或[编辑后售卖]进行间接盈利)。
2、本站所有内容均由合作方或网友上传,本站不对文档的完整性、权威性及其观点立场正确性做任何保证或承诺!文档内容仅供研究参考,付费前请自行鉴别。
3、如文档内容存在违规,或者侵犯商业秘密、侵犯著作权等,请点击“违规举报”。

碎片内容

蜗牛文库的最新文档

二年级数学下册其中检测卷二年级数学下册其中检测卷附答案#期中测试卷.pdf
10.00金币
0下载
二年级数学下册期末质检卷(苏教版)二年级数学下册期末质检卷(苏教版)#期末复习 #期末测试卷 #二年级数学 #二年级数学下册#关注我持续更新小学知识.pdf
10.00金币
0下载
二年级数学下册期末混合运算专项练习二年级数学下册期末混合运算专项练习#二年级#二年级数学下册#关注我持续更新小学知识 #知识分享 #家长收藏孩子受益.pdf
10.00金币
1下载
二年级数学下册年月日三类周期问题解题方法二年级数学下册年月日三类周期问题解题方法#二年级#二年级数学下册#知识分享 #关注我持续更新小学知识 #家长收藏孩子受益.pdf
10.00金币
0下载
二年级数学下册解决问题专项训练二年级数学下册解决问题专项训练#专项训练#解决问题#二年级#二年级数学下册#知识分享.pdf
10.00金币
1下载
二年级数学下册还原问题二年级数学下册还原问题#二年级#二年级数学#关注我持续更新小学知识 #知识分享 #家长收藏孩子受益.pdf
10.00金币
1下载
二年级数学下册第六单元考试卷家长打印出来给孩子测试测试争取拿到高分!#小学二年级试卷分享 #二年级第六单考试数学 #第六单考试#二年级数学下册.pdf
10.00金币
0下载
二年级数学下册必背顺口溜口诀汇总二年级数学下册必背顺口溜口诀汇总#二年级#二年级数学下册 #知识分享 #家长收藏孩子受益 #关注我持续更新小学知识.pdf
10.00金币
0下载
二年级数学下册《重点难点思维题》两大问题解决技巧和方法巧算星期几解决周期问题还原问题强化思维训练老师精心整理家长可以打印出来给孩子练习#家长收藏孩子受益 #学霸秘籍 #思维训练 #二年级 #知识点总结.pdf
10.00金币
0下载
二年级数学下册 必背公式大全寒假提前背一背开学更轻松#二年级 #二年级数学 #二年级数学下册 #寒假充电计划 #公式.pdf
10.00金币
0下载
蜗牛文库+ 关注
实名认证
内容提供者

提供各种专业文档内容

确认删除?
QQ
  • QQ点击这里给我发消息
微信客服
  • 微信客服
回到顶部