电脑桌面
添加蜗牛文库到电脑桌面
安装后可以在桌面快捷访问

[www.staffempire.com]-JBT 7748-95阀门清洁度和测定方法.pdfVIP免费

[www.staffempire.com]-JBT 7748-95阀门清洁度和测定方法.pdf_第1页
[www.staffempire.com]-JBT 7748-95阀门清洁度和测定方法.pdf_第2页
[www.staffempire.com]-JBT 7748-95阀门清洁度和测定方法.pdf_第3页
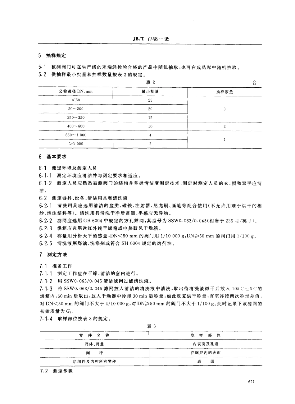
中华人民共和国机械行业标准.IB/'r7748一95阀门清洁度和测定方法主题内容与适用范围本标准规定了通用阀门清洁度指标、抽样规定、基本要求和测定方法本标准适用于各类阀门清洁度的测定引用标准CB6004试验筛用金属丝编织方孔网sH0004橡胶工业用溶剂油3术语3.1清洁度阀门整机内腔清洁程度,它以阀门内腔与介质接触的表面(包括所有内件表面及不通孔)所附杂质和污物的多少来衡量3.2清洁度指标被测阀门内腔所含杂质和污物的最大允许量。13恒量被测物经反复烘干、称量,使其质量达到恒定值。3.4混浊液含有取样部位杂质的清洗液。4清洁度指标清洁度指标按式(I)计算:G=S(DN/25)'························⋯⋯(1)式中:G-一杂质和污物的最大允许值,g+S常数(按表1选取);DN一被测阀门的公称通径〔当DN<25mm时,按DN=25mm计算),mm表1阀类材料S闸阀、截止阀、节流阀、止回阀、排污阀锻钢(包括锻焊)、锻铜·0.03铸铁0.04铸钢(包括板焊)、铸铜0.05球阀、蝶阀、旋塞阀、柱塞阀、气瓶阀、隔膜阀、安全阀、减压阀、疏水阀各种材料003中华人民共和国机械工业部1995-06-02批准1996一01一01实施JB/T7748一955抽样规定5门被测阀门可在生产线的末端经检验合格的产品中随机抽取,也可在成品库中随机抽取5.2供抽样最小批量和抽样数量按表2的规定表2台公称通径DN,mm最小批量抽样数量一。一巧-加-巧一l()一4﹂2<弓050-200250-350100-600650--1000)10006基本要求6.1测定环境及测定人员6.1门测定环境应清洁并与测定要求相适应。6.1.2测定人员应熟悉被测阀门的结构并掌握清洁度测定技术,测定时测定人员的衣、帽和双手应清洁6.2测定器具、设备、清洁用具和清洗液6.2.1清洗用具应选用清洁的盆类、磁铁、注射器、尼龙刷、画笔等配合使用〔不允许用难于烘干的棉纱、泡沫塑料等)。清洗用具清洗干净后目测、手感应无异物。6.2.2滤网应选用GB6004中规定的方孔筛网,其型号为SSWO.063/0.045(相当于235目了英寸)6.2.3烘箱应选用远红外线干燥箱或电热鼓风干燥箱6.2.4称量用分析天平的感量,DN<50mm的阀门用1/10000g,DN>-50mm的阀门用1/100g,6.2.5清洗液用煤油、洗涤剂或符合SH0004规定的熔剂油。7测定方法准备工作测定工作应在干燥、清洁的室内进行用SSWO.063/0-045清洁滤网过滤清洗液。将SSWO,063/0.045滤网放人清洁的清洗液中清洗,取出待清洗液微干后放人105C5(的71川712713烘箱内,60min后取出,放入干燥器中冷却30min后称量;如此反复烘干称量,直至连续两次称量...

1、当您付费下载文档后,您只拥有了使用权限,并不意味着购买了版权,文档只能用于自身使用,不得用于其他商业用途(如 [转卖]进行直接盈利或[编辑后售卖]进行间接盈利)。
2、本站所有内容均由合作方或网友上传,本站不对文档的完整性、权威性及其观点立场正确性做任何保证或承诺!文档内容仅供研究参考,付费前请自行鉴别。
3、如文档内容存在违规,或者侵犯商业秘密、侵犯著作权等,请点击“违规举报”。

碎片内容

蜗牛文库的最新文档

二年级数学下册其中检测卷二年级数学下册其中检测卷附答案#期中测试卷.pdf
10.00金币
0下载
二年级数学下册期末质检卷(苏教版)二年级数学下册期末质检卷(苏教版)#期末复习 #期末测试卷 #二年级数学 #二年级数学下册#关注我持续更新小学知识.pdf
10.00金币
0下载
二年级数学下册期末混合运算专项练习二年级数学下册期末混合运算专项练习#二年级#二年级数学下册#关注我持续更新小学知识 #知识分享 #家长收藏孩子受益.pdf
10.00金币
1下载
二年级数学下册年月日三类周期问题解题方法二年级数学下册年月日三类周期问题解题方法#二年级#二年级数学下册#知识分享 #关注我持续更新小学知识 #家长收藏孩子受益.pdf
10.00金币
0下载
二年级数学下册解决问题专项训练二年级数学下册解决问题专项训练#专项训练#解决问题#二年级#二年级数学下册#知识分享.pdf
10.00金币
1下载
二年级数学下册还原问题二年级数学下册还原问题#二年级#二年级数学#关注我持续更新小学知识 #知识分享 #家长收藏孩子受益.pdf
10.00金币
1下载
二年级数学下册第六单元考试卷家长打印出来给孩子测试测试争取拿到高分!#小学二年级试卷分享 #二年级第六单考试数学 #第六单考试#二年级数学下册.pdf
10.00金币
0下载
二年级数学下册必背顺口溜口诀汇总二年级数学下册必背顺口溜口诀汇总#二年级#二年级数学下册 #知识分享 #家长收藏孩子受益 #关注我持续更新小学知识.pdf
10.00金币
0下载
二年级数学下册《重点难点思维题》两大问题解决技巧和方法巧算星期几解决周期问题还原问题强化思维训练老师精心整理家长可以打印出来给孩子练习#家长收藏孩子受益 #学霸秘籍 #思维训练 #二年级 #知识点总结.pdf
10.00金币
0下载
二年级数学下册 必背公式大全寒假提前背一背开学更轻松#二年级 #二年级数学 #二年级数学下册 #寒假充电计划 #公式.pdf
10.00金币
0下载
蜗牛文库+ 关注
实名认证
内容提供者

提供各种专业文档内容

确认删除?
QQ
  • QQ点击这里给我发消息
微信客服
  • 微信客服
回到顶部