电脑桌面
添加蜗牛文库到电脑桌面
安装后可以在桌面快捷访问

[www.staffempire.com]-JBT 6617-1993 阀门用柔性石墨填料环 技术条件.pdfVIP免费

[www.staffempire.com]-JBT 6617-1993 阀门用柔性石墨填料环 技术条件.pdf_第1页
[www.staffempire.com]-JBT 6617-1993 阀门用柔性石墨填料环 技术条件.pdf_第2页
[www.staffempire.com]-JBT 6617-1993 阀门用柔性石墨填料环 技术条件.pdf_第3页
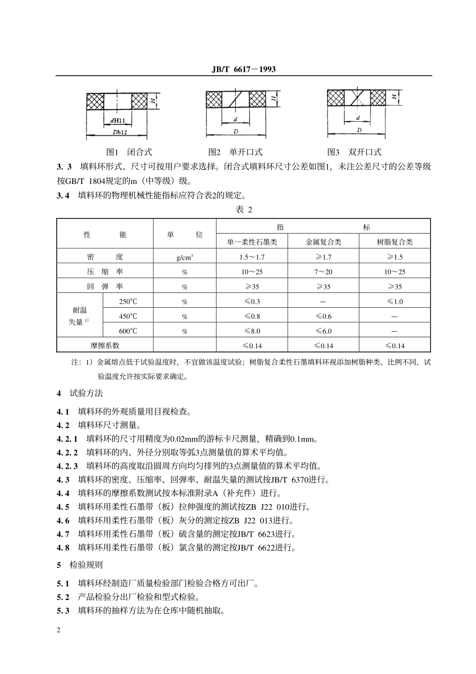
J22JB/T6617-1993阀门用柔性石墨填料环技术条件1993-05-07发布1994-01-01实施中华人民共和国机械工业部发布11主题内容与适用范围本标准规定了阀门用柔性石墨填料环(以下简称填料环)的技术要求、试验方法和检验规则等内容。本标准适用于阀门用柔性石墨填料环。2引用标准GB1801公差与配合尺寸至500mm孔、轴公差带与配合GB/T1804一般公差线性尺寸的未注偏差GB2828逐批检查计数抽样程序及抽样表(适用于连续批的检查)GB2829周期检查计数抽样程序及抽样表(适用于间断批的检查)JB/T6623柔性石墨板硫含量测定方法JB/T6622柔性石墨板氯含量测定方法JB/T6370柔性石墨填料环物理机械性能测试方法ZBJ22010柔性石墨板拉伸强度测试方法ZBJ22013柔性石墨板灰分测定方法3技术要求3.1材料填料环用柔性石墨带(板)的性能应符合表1的规定。表1性能单位指标拉伸强度MPa≥3.5灰分%≤5.0硫含量ppm≤1500氯含量ppm≤1003.2外观质量3.2.1填料环表面不应有明显划痕、飞边等缺陷。3.2.2填料环根据需要可分为闭合式、单开口式和双开口式三种形式(见图1、图2和图3)。开口式填料环是经45°(需要时也可60°)切口而成,切口应平整,不应出现散圈。机械工业部1993-05-07批准中华人民共和国机械行业标准阀门用柔性石墨填料环技术条件JB/T6617-19931994-01-01实施JB/T6617-19932图1闭合式图2单开口式图3双开口式3.3填料环形式、尺寸可按用户要求选择。闭合式填料环尺寸公差如图1,未注公差尺寸的公差等级按GB/T1804规定的m(中等级)级。3.4填料环的物理机械性能指标应符合表2的规定。表2指标性能单位单一柔性石墨类金属复合类树脂复合类密度g/cm31.5~1.7≥1.7≥1.5压缩率%10~257~2010~25回弹率%≥35≥35≥35250℃%≤0.3—≤1.0450℃%≤0.8≤0.6—耐温失量1)600℃%≤8.0≤6.0—摩擦系数≤0.14≤0.14≤0.14注:1)金属熔点低于试验温度时,不宜做该温度试验;树脂复合柔性石墨填料环视添加树脂种类、比例不同,试验温度允许按实际要求确定。4试验方法4.1填料环的外观质量用目视检查。4.2填料环尺寸测量。4.2.1填料环的尺寸用精度为0.02mm的游标卡尺测量,精确到0.1mm。4.2.2填料环的内、外径分别取等弧3点测量值的算术平均值。4.2.3填料环的高度取沿圆周方向均匀排列的3点测量值的算术平均值。4.3填料环的密度、压缩率、回弹率、耐温失量的测试按JB/T6370进行。4.4填料环的摩擦系数测试按本标准附录A(补充件)进行。4.5填料环用柔性石墨带(板)拉伸强度的测试按ZBJ2...

1、当您付费下载文档后,您只拥有了使用权限,并不意味着购买了版权,文档只能用于自身使用,不得用于其他商业用途(如 [转卖]进行直接盈利或[编辑后售卖]进行间接盈利)。
2、本站所有内容均由合作方或网友上传,本站不对文档的完整性、权威性及其观点立场正确性做任何保证或承诺!文档内容仅供研究参考,付费前请自行鉴别。
3、如文档内容存在违规,或者侵犯商业秘密、侵犯著作权等,请点击“违规举报”。

碎片内容

蜗牛文库的最新文档

二年级数学下册其中检测卷二年级数学下册其中检测卷附答案#期中测试卷.pdf
10.00金币
0下载
二年级数学下册期末质检卷(苏教版)二年级数学下册期末质检卷(苏教版)#期末复习 #期末测试卷 #二年级数学 #二年级数学下册#关注我持续更新小学知识.pdf
10.00金币
0下载
二年级数学下册期末混合运算专项练习二年级数学下册期末混合运算专项练习#二年级#二年级数学下册#关注我持续更新小学知识 #知识分享 #家长收藏孩子受益.pdf
10.00金币
1下载
二年级数学下册年月日三类周期问题解题方法二年级数学下册年月日三类周期问题解题方法#二年级#二年级数学下册#知识分享 #关注我持续更新小学知识 #家长收藏孩子受益.pdf
10.00金币
0下载
二年级数学下册解决问题专项训练二年级数学下册解决问题专项训练#专项训练#解决问题#二年级#二年级数学下册#知识分享.pdf
10.00金币
1下载
二年级数学下册还原问题二年级数学下册还原问题#二年级#二年级数学#关注我持续更新小学知识 #知识分享 #家长收藏孩子受益.pdf
10.00金币
1下载
二年级数学下册第六单元考试卷家长打印出来给孩子测试测试争取拿到高分!#小学二年级试卷分享 #二年级第六单考试数学 #第六单考试#二年级数学下册.pdf
10.00金币
0下载
二年级数学下册必背顺口溜口诀汇总二年级数学下册必背顺口溜口诀汇总#二年级#二年级数学下册 #知识分享 #家长收藏孩子受益 #关注我持续更新小学知识.pdf
10.00金币
0下载
二年级数学下册《重点难点思维题》两大问题解决技巧和方法巧算星期几解决周期问题还原问题强化思维训练老师精心整理家长可以打印出来给孩子练习#家长收藏孩子受益 #学霸秘籍 #思维训练 #二年级 #知识点总结.pdf
10.00金币
0下载
二年级数学下册 必背公式大全寒假提前背一背开学更轻松#二年级 #二年级数学 #二年级数学下册 #寒假充电计划 #公式.pdf
10.00金币
0下载
蜗牛文库+ 关注
实名认证
内容提供者

提供各种专业文档内容

确认删除?
QQ
  • QQ点击这里给我发消息
微信客服
  • 微信客服
回到顶部