电脑桌面
添加蜗牛文库到电脑桌面
安装后可以在桌面快捷访问

[www.staffempire.com]-JBT 7550-1994 空气分离设备用切换蝶阀.pdfVIP免费

[www.staffempire.com]-JBT 7550-1994 空气分离设备用切换蝶阀.pdf_第1页
[www.staffempire.com]-JBT 7550-1994 空气分离设备用切换蝶阀.pdf_第2页
[www.staffempire.com]-JBT 7550-1994 空气分离设备用切换蝶阀.pdf_第3页
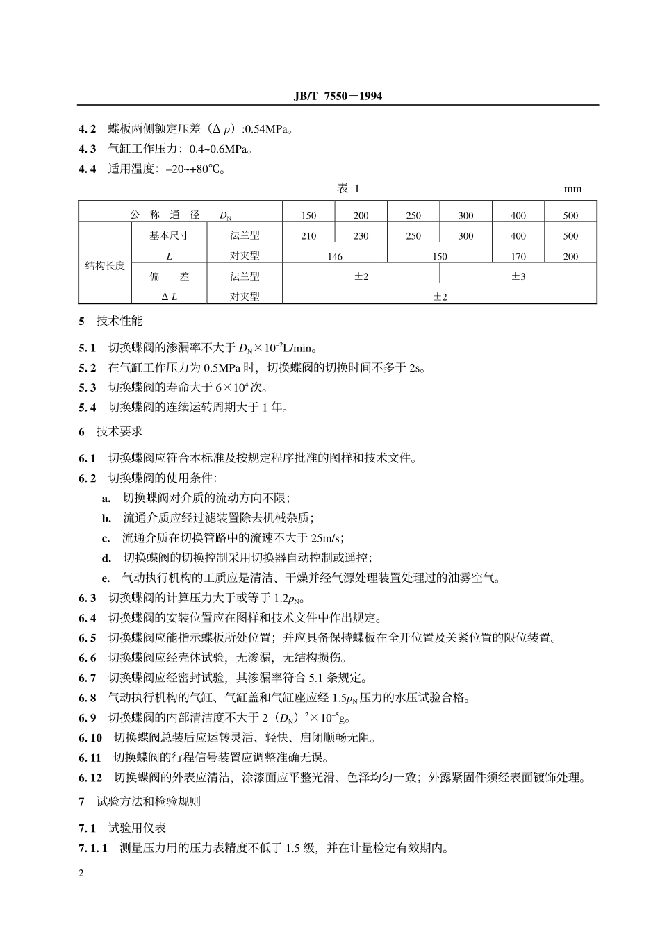
J76JB/T7550-1994空气分离设备用切换蝶阀1994-12-09发布1995-10-01实施中华人民共和国机械工业部发布11主题内容与适用范围本标准规定了软密封气动双位式切换蝶阀(以下简称切换蝶阀)的术语、基本参数、技术性能、技术要求、试验方法和检验规则及标志、包装、运输和贮存。本标准适用于大中型空气分离设备中空气与氮气切换,公称压力(pN)为0.6MPa、公称通径(DN)为150~500mm的切换蝶阀。注:本标准中压力均为表压。2引用标准GB12220通用阀门GB/T13306标牌GB/T13927通用阀门压力试验JB/T6896空气分离设备表面清洁度3术语3.1寿命切换蝶阀在试验工况下进行启、闭操作,直至失去规定性能时的启闭次数。3.2启闭次数切换蝶阀在运转时完成的开启过程和关闭过程的总数。其中,每完成一个开启过程或一个关闭过程均为启闭一次。3.3开启过程切换蝶阀的蝶板由关紧位置运动到全开位置的整个过程。3.4关闭过程切换蝶阀的蝶板由全开位置运动到关紧位置的整个过程。3.5全开位置切换蝶阀的蝶板处于对介质流动的阻挡最小时的位置。3.6关紧位置切换蝶阀的蝶板与阀座密封副相接触,并达到规定的密封要求时所处的位置。3.7切换时间切换蝶阀的整个开启过程或整个关闭过程所需的时间,当两者不相等时取大值。4基本参数4.1切换蝶阀的公称通径(DN)、结构长度(L)及其偏差(ΔL)见表1。机械工业部1994-12-09批准中华人民共和国机械行业标准空气分离设备用切换蝶阀JB/T7550-19941995-10-01实施JB/T7550-199424.2蝶板两侧额定压差(Δp):0.54MPa。4.3气缸工作压力:0.4~0.6MPa。4.4适用温度:–20~+80℃。表1mm公称通径DN150200250300400500法兰型210230250300400500基本尺寸L对夹型146150170200法兰型±2±3结构长度偏差ΔL对夹型±25技术性能5.1切换蝶阀的渗漏率不大于DN×10–2L/min。5.2在气缸工作压力为0.5MPa时,切换蝶阀的切换时间不多于2s。5.3切换蝶阀的寿命大于6×104次。5.4切换蝶阀的连续运转周期大于1年。6技术要求6.1切换蝶阀应符合本标准及按规定程序批准的图样和技术文件。6.2切换蝶阀的使用条件:a.切换蝶阀对介质的流动方向不限;b.流通介质应经过滤装置除去机械杂质;c.流通介质在切换管路中的流速不大于25m/s;d.切换蝶阀的切换控制采用切换器自动控制或遥控;e.气动执行机构的工质应是清洁、干燥并经气源处理装置处理过的油雾空气。6.3切换蝶阀的计算压力大于或等于1.2pN。6.4切换蝶阀的安装位置应在图样和技术文件中作出规定。6.5切换蝶阀应能...

1、当您付费下载文档后,您只拥有了使用权限,并不意味着购买了版权,文档只能用于自身使用,不得用于其他商业用途(如 [转卖]进行直接盈利或[编辑后售卖]进行间接盈利)。
2、本站所有内容均由合作方或网友上传,本站不对文档的完整性、权威性及其观点立场正确性做任何保证或承诺!文档内容仅供研究参考,付费前请自行鉴别。
3、如文档内容存在违规,或者侵犯商业秘密、侵犯著作权等,请点击“违规举报”。

碎片内容

蜗牛文库的最新文档

二年级数学下册其中检测卷二年级数学下册其中检测卷附答案#期中测试卷.pdf
10.00金币
0下载
二年级数学下册期末质检卷(苏教版)二年级数学下册期末质检卷(苏教版)#期末复习 #期末测试卷 #二年级数学 #二年级数学下册#关注我持续更新小学知识.pdf
10.00金币
0下载
二年级数学下册期末混合运算专项练习二年级数学下册期末混合运算专项练习#二年级#二年级数学下册#关注我持续更新小学知识 #知识分享 #家长收藏孩子受益.pdf
10.00金币
1下载
二年级数学下册年月日三类周期问题解题方法二年级数学下册年月日三类周期问题解题方法#二年级#二年级数学下册#知识分享 #关注我持续更新小学知识 #家长收藏孩子受益.pdf
10.00金币
0下载
二年级数学下册解决问题专项训练二年级数学下册解决问题专项训练#专项训练#解决问题#二年级#二年级数学下册#知识分享.pdf
10.00金币
1下载
二年级数学下册还原问题二年级数学下册还原问题#二年级#二年级数学#关注我持续更新小学知识 #知识分享 #家长收藏孩子受益.pdf
10.00金币
1下载
二年级数学下册第六单元考试卷家长打印出来给孩子测试测试争取拿到高分!#小学二年级试卷分享 #二年级第六单考试数学 #第六单考试#二年级数学下册.pdf
10.00金币
0下载
二年级数学下册必背顺口溜口诀汇总二年级数学下册必背顺口溜口诀汇总#二年级#二年级数学下册 #知识分享 #家长收藏孩子受益 #关注我持续更新小学知识.pdf
10.00金币
0下载
二年级数学下册《重点难点思维题》两大问题解决技巧和方法巧算星期几解决周期问题还原问题强化思维训练老师精心整理家长可以打印出来给孩子练习#家长收藏孩子受益 #学霸秘籍 #思维训练 #二年级 #知识点总结.pdf
10.00金币
0下载
二年级数学下册 必背公式大全寒假提前背一背开学更轻松#二年级 #二年级数学 #二年级数学下册 #寒假充电计划 #公式.pdf
10.00金币
0下载
蜗牛文库+ 关注
实名认证
内容提供者

提供各种专业文档内容

确认删除?
QQ
  • QQ点击这里给我发消息
微信客服
  • 微信客服
回到顶部