电脑桌面
添加蜗牛文库到电脑桌面
安装后可以在桌面快捷访问

[www.staffempire.com]-JBT 6901-1993 封闭式眼镜阀.pdfVIP免费

[www.staffempire.com]-JBT 6901-1993 封闭式眼镜阀.pdf_第1页
[www.staffempire.com]-JBT 6901-1993 封闭式眼镜阀.pdf_第2页
[www.staffempire.com]-JBT 6901-1993 封闭式眼镜阀.pdf_第3页
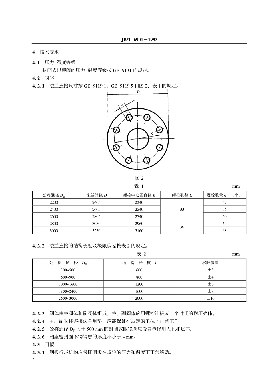
J16JB/T6901-1993封闭式眼镜阀1993-07-13发布1994-10-01实施中华人民共和国机械工业部发布11主题内容与适用范围本标准规定了封闭式眼镜阀的结构型式、技术要求、试验方法、标志、包装、运输及贮存等要求。本标准适用于公称通径DN200~3000mm,公称压力pN0.05~0.25MPa的煤气管线用封闭式眼镜阀。2引用标准GB150钢制压力容器GB700碳素结构钢GB1220不锈钢棒GB3985石棉橡胶板GB9119.1pN0.2MPa(2.5bar)平面板式平焊钢制管法兰GB9119.5pN0.2MPa(2.5bar)凸面板式平焊钢制管法兰GB9131钢制管法兰压力–温度等级GB12220通用阀门标志GB/T12252通用阀门供货要求3结构型式封闭式眼镜阀是一种板焊结构平行闸阀,由阀体、闸板、驱动机构等部分组成。封闭式眼镜阀典型结构型式如图1所示。1—限位装置;2—副阀体;3—检修用人孔;4—主阀体;5—上排泄口;6—阀座顶开机构;7—闸板行走机构;8—闸板;9—阀座密封面;10—闸板密封圈;11—下排泄口;12—底座;13—位置指示装置图1机械工业部1993-07-13批准中华人民共和国机械行业标准封闭式眼镜阀JB/T6901-19931994-10-01实施JB/T6901-199324技术要求4.1压力–温度等级封闭式眼镜阀的压力–温度等级按GB9131的规定。4.2阀体4.2.1法兰连接尺寸按GB9119.1、GB9119.5和图2、表1的规定。图2表1mm公称通径DN法兰外径D螺栓中心圆直径K螺栓孔径L螺栓数量n(个)220024052340522400260525405626002805274033602800303029606430003230316036684.2.2法兰连接的结构长度及极限偏差按表2的规定。表2mm公称通径DN结构长度l极限偏差200~500600±3600~900800±41000~16001200±61800~24001600±82600~30002000±104.2.3阀体由主阀体和副阀体组成,主、副阀体应用螺栓连接成一个封闭的耐压壳体。4.2.4主、副阀体连接法兰用垫片应能保证在规定的工况下正常工作。4.2.5公称通径DN大于500mm的封闭式眼镜阀应设置检修用人孔和底座。4.2.6阀座密封面不锈钢层的厚度不小于4mm。4.3闸板4.3.1闸板行走机构应保证闸板在规定的压力和温度下正常移动。JB/T6901-199334.3.2应设置可靠的限位装置及位置指示装置。4.4驱动机构4.4.1封闭式眼镜阀驱动机构由阀座顶开机构和闸板行走机构两部分组成。驱动机构可采用液动、电动、气动等形式。4.4.2阀座顶开机构处于全开状态时,阀座密封面和闸板密封圈之间的间隙应大于3mm,阀座顶开机构处于关闭状态时,其关闭力应保证闸板在规定的压力下密封。4.5封闭式眼镜阀主要零件材料按表3选取,如有特...

1、当您付费下载文档后,您只拥有了使用权限,并不意味着购买了版权,文档只能用于自身使用,不得用于其他商业用途(如 [转卖]进行直接盈利或[编辑后售卖]进行间接盈利)。
2、本站所有内容均由合作方或网友上传,本站不对文档的完整性、权威性及其观点立场正确性做任何保证或承诺!文档内容仅供研究参考,付费前请自行鉴别。
3、如文档内容存在违规,或者侵犯商业秘密、侵犯著作权等,请点击“违规举报”。

碎片内容

蜗牛文库的最新文档

二年级数学下册其中检测卷二年级数学下册其中检测卷附答案#期中测试卷.pdf
10.00金币
0下载
二年级数学下册期末质检卷(苏教版)二年级数学下册期末质检卷(苏教版)#期末复习 #期末测试卷 #二年级数学 #二年级数学下册#关注我持续更新小学知识.pdf
10.00金币
0下载
二年级数学下册期末混合运算专项练习二年级数学下册期末混合运算专项练习#二年级#二年级数学下册#关注我持续更新小学知识 #知识分享 #家长收藏孩子受益.pdf
10.00金币
1下载
二年级数学下册年月日三类周期问题解题方法二年级数学下册年月日三类周期问题解题方法#二年级#二年级数学下册#知识分享 #关注我持续更新小学知识 #家长收藏孩子受益.pdf
10.00金币
0下载
二年级数学下册解决问题专项训练二年级数学下册解决问题专项训练#专项训练#解决问题#二年级#二年级数学下册#知识分享.pdf
10.00金币
1下载
二年级数学下册还原问题二年级数学下册还原问题#二年级#二年级数学#关注我持续更新小学知识 #知识分享 #家长收藏孩子受益.pdf
10.00金币
1下载
二年级数学下册第六单元考试卷家长打印出来给孩子测试测试争取拿到高分!#小学二年级试卷分享 #二年级第六单考试数学 #第六单考试#二年级数学下册.pdf
10.00金币
0下载
二年级数学下册必背顺口溜口诀汇总二年级数学下册必背顺口溜口诀汇总#二年级#二年级数学下册 #知识分享 #家长收藏孩子受益 #关注我持续更新小学知识.pdf
10.00金币
0下载
二年级数学下册《重点难点思维题》两大问题解决技巧和方法巧算星期几解决周期问题还原问题强化思维训练老师精心整理家长可以打印出来给孩子练习#家长收藏孩子受益 #学霸秘籍 #思维训练 #二年级 #知识点总结.pdf
10.00金币
0下载
二年级数学下册 必背公式大全寒假提前背一背开学更轻松#二年级 #二年级数学 #二年级数学下册 #寒假充电计划 #公式.pdf
10.00金币
0下载
蜗牛文库+ 关注
实名认证
内容提供者

提供各种专业文档内容

确认删除?
QQ
  • QQ点击这里给我发消息
微信客服
  • 微信客服
回到顶部