电脑桌面
添加蜗牛文库到电脑桌面
安装后可以在桌面快捷访问

[www.staffempire.com]-JBT 6375-1992 气动阀用橡胶密封圈尺寸系列和公差.pdfVIP免费

[www.staffempire.com]-JBT 6375-1992 气动阀用橡胶密封圈尺寸系列和公差.pdf_第1页
[www.staffempire.com]-JBT 6375-1992 气动阀用橡胶密封圈尺寸系列和公差.pdf_第2页
[www.staffempire.com]-JBT 6375-1992 气动阀用橡胶密封圈尺寸系列和公差.pdf_第3页
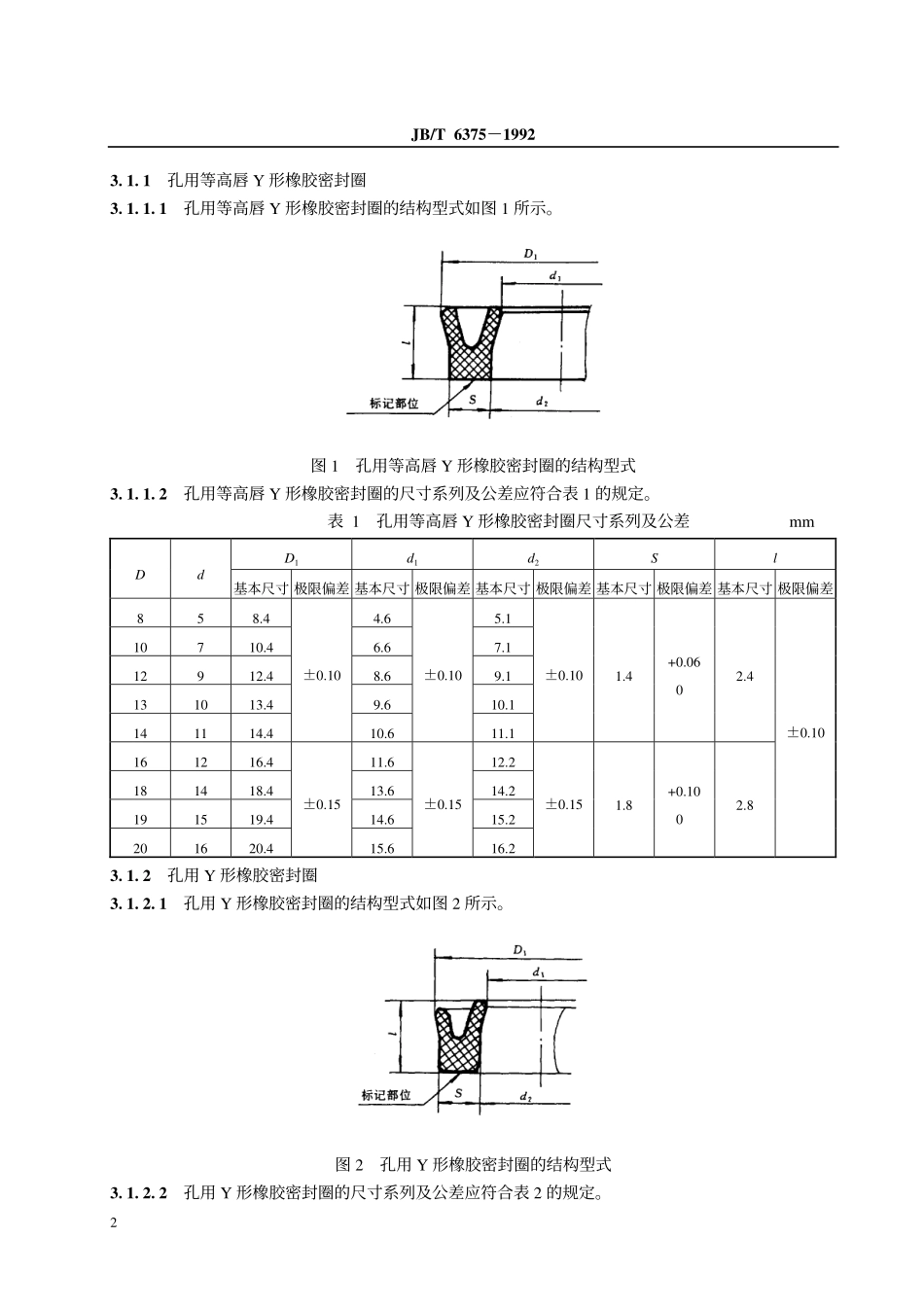
J20JB/T6375-1992气动阀用橡胶密封圈尺寸系列和公差1992-07-15发布1993-01-01实施中华人民共和国机械电子工业部发布www.bzfxw.com11主题内容与适用范围本标准规定了气动阀用Y形、组合型、E形往复运动橡胶密封圈的结构型式、尺寸系列和公差。本标准适用于普通型气动换向阀,其他类阀可参照应用。2符号与代号2.1符号D——孔公称直径;d——轴公称直径;D1——密封圈外径;d1——密封圈内径;d2——Y形橡胶密封圈根部内径;S——Y形橡胶密封圈根部径向截面宽度;l——密封圈高度;D2——密封圈凸台外径;D3——密封圈凸台内径;d3——组合型橡胶密封圈外圈径向截面直径;d4——组合型橡胶密封圈内圈径向截面直径;D4——组合型橡胶密封圈支撑环外径;D5——组合型橡胶密封圈支撑环内径;h——组合型橡胶密封圈支撑环高度。2.2代号QYD——孔用Y形橡胶密封圈;QYd——轴用Y形橡胶密封圈;QZ——组合型橡胶密封圈;QE——E形橡胶密封圈。3尺寸系列和公差本标准规定了三种型式密封圈的尺寸系列和公差:Y形橡胶密封圈;组合型橡胶密封圈;E形橡胶密封圈。3.1Y形橡胶密封圈中华人民共和国机械电子工业部1992-07-15批准中华人民共和国机械行业标准气动阀用橡胶密封圈尺寸系列和公差JB/T6375-19921993-01-01实施www.bzfxw.comJB/T6375-199223.1.1孔用等高唇Y形橡胶密封圈3.1.1.1孔用等高唇Y形橡胶密封圈的结构型式如图1所示。图1孔用等高唇Y形橡胶密封圈的结构型式3.1.1.2孔用等高唇Y形橡胶密封圈的尺寸系列及公差应符合表1的规定。表1孔用等高唇Y形橡胶密封圈尺寸系列及公差mmD1d1d2SlDd基本尺寸极限偏差基本尺寸极限偏差基本尺寸极限偏差基本尺寸极限偏差基本尺寸极限偏差858.44.65.110710.46.67.112912.48.69.1131013.49.610.1141114.4±0.1010.6±0.1011.1±0.101.4+0.0602.4161216.411.612.2181418.413.614.2191519.414.615.2201620.4±0.1515.6±0.1516.2±0.151.8+0.1002.8±0.103.1.2孔用Y形橡胶密封圈3.1.2.1孔用Y形橡胶密封圈的结构型式如图2所示。图2孔用Y形橡胶密封圈的结构型式3.1.2.2孔用Y形橡胶密封圈的尺寸系列及公差应符合表2的规定。www.bzfxw.comJB/T6375-19923表2孔用用Y形橡胶密封圈尺寸系列及公差mmD1d1d2SlD基本尺寸极限偏差基本尺寸极限偏差基本尺寸极限偏差基本尺寸极限偏差基本尺寸极限偏差2222.617.2182424.619.2202525.620.2212626.621.2222828.623.2243030.6+0.30025.2+0.30026+0.2502+0.1503.5±0.103232.626273535.8293040...

1、当您付费下载文档后,您只拥有了使用权限,并不意味着购买了版权,文档只能用于自身使用,不得用于其他商业用途(如 [转卖]进行直接盈利或[编辑后售卖]进行间接盈利)。
2、本站所有内容均由合作方或网友上传,本站不对文档的完整性、权威性及其观点立场正确性做任何保证或承诺!文档内容仅供研究参考,付费前请自行鉴别。
3、如文档内容存在违规,或者侵犯商业秘密、侵犯著作权等,请点击“违规举报”。

碎片内容

蜗牛文库的最新文档

二年级数学下册其中检测卷二年级数学下册其中检测卷附答案#期中测试卷.pdf
10.00金币
0下载
二年级数学下册期末质检卷(苏教版)二年级数学下册期末质检卷(苏教版)#期末复习 #期末测试卷 #二年级数学 #二年级数学下册#关注我持续更新小学知识.pdf
10.00金币
0下载
二年级数学下册期末混合运算专项练习二年级数学下册期末混合运算专项练习#二年级#二年级数学下册#关注我持续更新小学知识 #知识分享 #家长收藏孩子受益.pdf
10.00金币
1下载
二年级数学下册年月日三类周期问题解题方法二年级数学下册年月日三类周期问题解题方法#二年级#二年级数学下册#知识分享 #关注我持续更新小学知识 #家长收藏孩子受益.pdf
10.00金币
0下载
二年级数学下册解决问题专项训练二年级数学下册解决问题专项训练#专项训练#解决问题#二年级#二年级数学下册#知识分享.pdf
10.00金币
1下载
二年级数学下册还原问题二年级数学下册还原问题#二年级#二年级数学#关注我持续更新小学知识 #知识分享 #家长收藏孩子受益.pdf
10.00金币
1下载
二年级数学下册第六单元考试卷家长打印出来给孩子测试测试争取拿到高分!#小学二年级试卷分享 #二年级第六单考试数学 #第六单考试#二年级数学下册.pdf
10.00金币
0下载
二年级数学下册必背顺口溜口诀汇总二年级数学下册必背顺口溜口诀汇总#二年级#二年级数学下册 #知识分享 #家长收藏孩子受益 #关注我持续更新小学知识.pdf
10.00金币
0下载
二年级数学下册《重点难点思维题》两大问题解决技巧和方法巧算星期几解决周期问题还原问题强化思维训练老师精心整理家长可以打印出来给孩子练习#家长收藏孩子受益 #学霸秘籍 #思维训练 #二年级 #知识点总结.pdf
10.00金币
0下载
二年级数学下册 必背公式大全寒假提前背一背开学更轻松#二年级 #二年级数学 #二年级数学下册 #寒假充电计划 #公式.pdf
10.00金币
0下载
蜗牛文库+ 关注
实名认证
内容提供者

提供各种专业文档内容

确认删除?
QQ
  • QQ点击这里给我发消息
微信客服
  • 微信客服
回到顶部