电脑桌面
添加蜗牛文库到电脑桌面
安装后可以在桌面快捷访问

[www.staffempire.com]-JBT 1628-1992 锅炉管孔中心距尺寸偏差.pdfVIP免费

[www.staffempire.com]-JBT 1628-1992 锅炉管孔中心距尺寸偏差.pdf_第1页
[www.staffempire.com]-JBT 1628-1992 锅炉管孔中心距尺寸偏差.pdf_第2页
[www.staffempire.com]-JBT 1628-1992 锅炉管孔中心距尺寸偏差.pdf_第3页
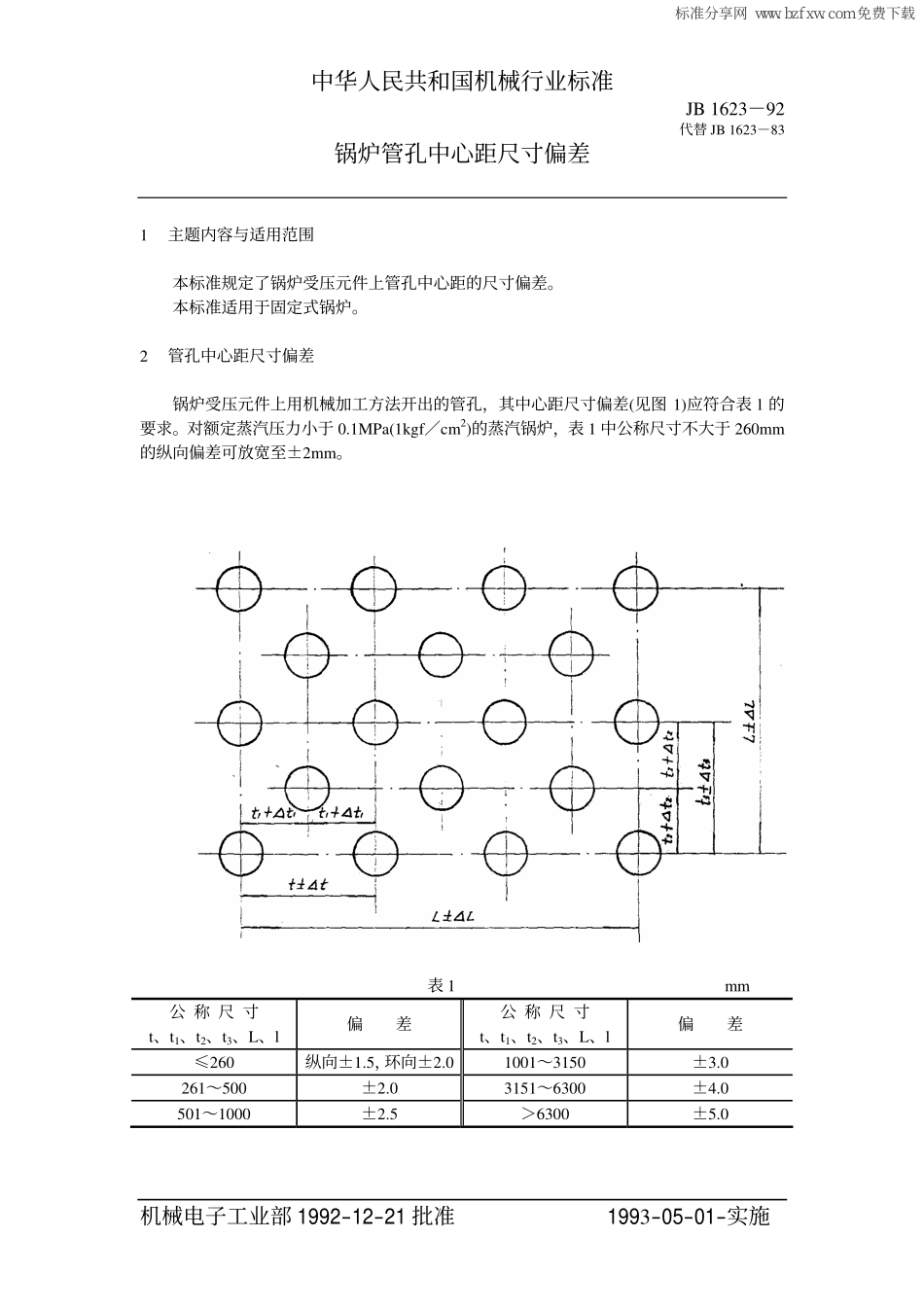
JB中华人民共和国机械行业标准JB/T1623-92中华人民共和国机械工业部发布锅炉管孔中心距尺寸偏差1992-12-21批准1993-05-01实施中华人民共和国机械行业标准JB1623-92代替JB1623-83锅炉管孔中心距尺寸偏差机械电子工业部1992-12-21批准1993-05-01-实施1主题内容与适用范围本标准规定了锅炉受压元件上管孔中心距的尺寸偏差。本标准适用于固定式锅炉。2管孔中心距尺寸偏差锅炉受压元件上用机械加工方法开出的管孔,其中心距尺寸偏差(见图1)应符合表l的要求。对额定蒸汽压力小于0.1MPa(1kgf/cm2)的蒸汽锅炉,表1中公称尺寸不大于260mm的纵向偏差可放宽至±2mm。表1mm公称尺寸t、t1、t2、t3、L、l偏差公称尺寸t、t1、t2、t3、L、l偏差≤260纵向±1.5,环向±2.01001~3150±3.0261~500±2.03151~6300±4.0501~1000±2.5>6300±5.0标准分享网www.bzfxw.com免费下载JB/T1623-92附加说明:本标准由上海发电设备成套设计研究所、上海工业锅炉研究所提出并归口。本标准由锅炉专业标准修订组负责起草。本标准1975年首次修订,1988年第二次修订。自本标准实施之日起,JB1623—83《锅炉管孔中心距尺寸偏差》作废。

1、当您付费下载文档后,您只拥有了使用权限,并不意味着购买了版权,文档只能用于自身使用,不得用于其他商业用途(如 [转卖]进行直接盈利或[编辑后售卖]进行间接盈利)。
2、本站所有内容均由合作方或网友上传,本站不对文档的完整性、权威性及其观点立场正确性做任何保证或承诺!文档内容仅供研究参考,付费前请自行鉴别。
3、如文档内容存在违规,或者侵犯商业秘密、侵犯著作权等,请点击“违规举报”。

碎片内容

蜗牛文库的最新文档

二年级数学下册其中检测卷二年级数学下册其中检测卷附答案#期中测试卷.pdf
10.00金币
0下载
二年级数学下册期末质检卷(苏教版)二年级数学下册期末质检卷(苏教版)#期末复习 #期末测试卷 #二年级数学 #二年级数学下册#关注我持续更新小学知识.pdf
10.00金币
0下载
二年级数学下册期末混合运算专项练习二年级数学下册期末混合运算专项练习#二年级#二年级数学下册#关注我持续更新小学知识 #知识分享 #家长收藏孩子受益.pdf
10.00金币
1下载
二年级数学下册年月日三类周期问题解题方法二年级数学下册年月日三类周期问题解题方法#二年级#二年级数学下册#知识分享 #关注我持续更新小学知识 #家长收藏孩子受益.pdf
10.00金币
0下载
二年级数学下册解决问题专项训练二年级数学下册解决问题专项训练#专项训练#解决问题#二年级#二年级数学下册#知识分享.pdf
10.00金币
1下载
二年级数学下册还原问题二年级数学下册还原问题#二年级#二年级数学#关注我持续更新小学知识 #知识分享 #家长收藏孩子受益.pdf
10.00金币
1下载
二年级数学下册第六单元考试卷家长打印出来给孩子测试测试争取拿到高分!#小学二年级试卷分享 #二年级第六单考试数学 #第六单考试#二年级数学下册.pdf
10.00金币
0下载
二年级数学下册必背顺口溜口诀汇总二年级数学下册必背顺口溜口诀汇总#二年级#二年级数学下册 #知识分享 #家长收藏孩子受益 #关注我持续更新小学知识.pdf
10.00金币
0下载
二年级数学下册《重点难点思维题》两大问题解决技巧和方法巧算星期几解决周期问题还原问题强化思维训练老师精心整理家长可以打印出来给孩子练习#家长收藏孩子受益 #学霸秘籍 #思维训练 #二年级 #知识点总结.pdf
10.00金币
0下载
二年级数学下册 必背公式大全寒假提前背一背开学更轻松#二年级 #二年级数学 #二年级数学下册 #寒假充电计划 #公式.pdf
10.00金币
0下载
蜗牛文库+ 关注
实名认证
内容提供者

提供各种专业文档内容

确认删除?
QQ
  • QQ点击这里给我发消息
微信客服
  • 微信客服
回到顶部