电脑桌面
添加蜗牛文库到电脑桌面
安装后可以在桌面快捷访问

[www.staffempire.com]-JBT 2192-1993 方形铸铁省煤器技术条件.pdfVIP免费

[www.staffempire.com]-JBT 2192-1993 方形铸铁省煤器技术条件.pdf_第1页
[www.staffempire.com]-JBT 2192-1993 方形铸铁省煤器技术条件.pdf_第2页
[www.staffempire.com]-JBT 2192-1993 方形铸铁省煤器技术条件.pdf_第3页
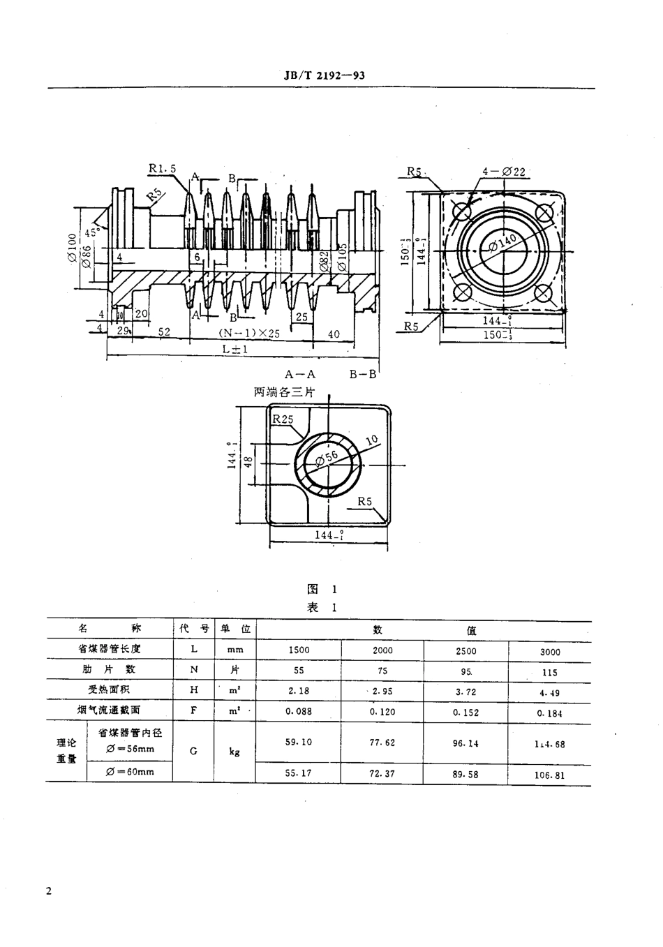
J98中华人民共和国机械行业标准JB/T2192一1993方形铸铁省煤器技术条件1993-06-01发布1994-01-01实施中华人民共和国机械工业部发布中华人民共和国机械行业标准方形铸铁省煤器技术条件JB/T2192-93代替JB2192-771主题内容与适用范围本标准规定了方型铸铁省煤器结构、材料、制造、试验与检验等方面的技术要求。本标准适用于锅护额定蒸汽压力不大于2.5MPa的工业蒸汽锅护及允许工作压力不大于2.5MPa的热水锅炉配套用的方型铸铁省煤器(以下简称省煤器)。2引用标准GB223.1钢铁及合金中碳量的测定GB223.2钢铁及合金中硫量的测定GB223.3钢铁及合金中磷量的测定GB223.4钢铁及合金中锰量的测定GB223.5钥铁及合金中硅量的测定GB707热轧槽钢尺寸、外形、重量及允许偏差GB708冷轧钢板和钢带的尺寸、外形、重量及允许偏差GB977灰铸铁件机械性能试验方法GB1804公差与配合未注公差尺寸的极限偏差GB5117碳钢焊条GB6414铸件尺寸公差GB9439灰铸铁件GB9787热轧等边角钢尺寸、外形、重量及允许偏差JB1612锅炉水压试验技术条件JB/T1615锅炉油漆和包装技术条件JB2854铸铁件机械加工余量、尺寸公差和重量偏差3结构型式及尺寸::.,蒸汽锅沪额定蒸汽压力或热水锅炉允许工作压力大于1.6MPa省煤器.省煤器管的结构尺寸应符合图1和表1.图2和表2的规定.机械工业部1993-06-01批准1994-01-01实施JB/T2192-93001蚀A一AB一B两端各三片三即粗名称代号单位数值省煤器管长度L幻1门11500200025003000肋片数N片557595115受热面积Hm忠2.182.953.724.49烟气流通截面Fml0.0880.1200.1520.184理论重量省煤器管内径办二56mmGkg59.1077.6296.141,4.68必二60.m55.1772.3789.58106.817B/T2192-93A-AB-B两端各二片阳翱名称代号单位数值省煤器管长度Lmnl1500200025003000法兰端面至第一片肋片中心的距离L,m的、859095100肋片数N片39536781受热面积Hm,1.642.222.793.37烟气流通截面F,卜0.0930.1260.1590.191理论重金省煤器管内径必=56mmGkg50.4065.6980.9596.21必=60mm46.4860.4474.3988.343.1.23.23.2.13.2.2省煤器弯头的结构尺寸应符合田3的规定。蒸汽锅炉额定蒸汽压力或热水锅沪允许工作压力不大于1.6MPa的省煤器。省煤器管的结构尺寸应符合图4和表1、图5和表2(或图7和表3,图8和表‘4)的规定。省煤器弯头的结构尺寸应根据省煤器管的尺寸相应地符合图6或图9的规定.JB/T2192-93001咬296A一AB一B两端各三片图4JB/T2192-93R1.5R54一必22001吸A一A两端各二片B一BdB/T2192-93A-A两端各三片B-B图74一必180...

1、当您付费下载文档后,您只拥有了使用权限,并不意味着购买了版权,文档只能用于自身使用,不得用于其他商业用途(如 [转卖]进行直接盈利或[编辑后售卖]进行间接盈利)。
2、本站所有内容均由合作方或网友上传,本站不对文档的完整性、权威性及其观点立场正确性做任何保证或承诺!文档内容仅供研究参考,付费前请自行鉴别。
3、如文档内容存在违规,或者侵犯商业秘密、侵犯著作权等,请点击“违规举报”。

碎片内容

蜗牛文库的最新文档

二年级数学下册其中检测卷二年级数学下册其中检测卷附答案#期中测试卷.pdf
10.00金币
0下载
二年级数学下册期末质检卷(苏教版)二年级数学下册期末质检卷(苏教版)#期末复习 #期末测试卷 #二年级数学 #二年级数学下册#关注我持续更新小学知识.pdf
10.00金币
0下载
二年级数学下册期末混合运算专项练习二年级数学下册期末混合运算专项练习#二年级#二年级数学下册#关注我持续更新小学知识 #知识分享 #家长收藏孩子受益.pdf
10.00金币
1下载
二年级数学下册年月日三类周期问题解题方法二年级数学下册年月日三类周期问题解题方法#二年级#二年级数学下册#知识分享 #关注我持续更新小学知识 #家长收藏孩子受益.pdf
10.00金币
0下载
二年级数学下册解决问题专项训练二年级数学下册解决问题专项训练#专项训练#解决问题#二年级#二年级数学下册#知识分享.pdf
10.00金币
1下载
二年级数学下册还原问题二年级数学下册还原问题#二年级#二年级数学#关注我持续更新小学知识 #知识分享 #家长收藏孩子受益.pdf
10.00金币
1下载
二年级数学下册第六单元考试卷家长打印出来给孩子测试测试争取拿到高分!#小学二年级试卷分享 #二年级第六单考试数学 #第六单考试#二年级数学下册.pdf
10.00金币
0下载
二年级数学下册必背顺口溜口诀汇总二年级数学下册必背顺口溜口诀汇总#二年级#二年级数学下册 #知识分享 #家长收藏孩子受益 #关注我持续更新小学知识.pdf
10.00金币
0下载
二年级数学下册《重点难点思维题》两大问题解决技巧和方法巧算星期几解决周期问题还原问题强化思维训练老师精心整理家长可以打印出来给孩子练习#家长收藏孩子受益 #学霸秘籍 #思维训练 #二年级 #知识点总结.pdf
10.00金币
0下载
二年级数学下册 必背公式大全寒假提前背一背开学更轻松#二年级 #二年级数学 #二年级数学下册 #寒假充电计划 #公式.pdf
10.00金币
0下载
蜗牛文库+ 关注
实名认证
内容提供者

提供各种专业文档内容

确认删除?
QQ
  • QQ点击这里给我发消息
微信客服
  • 微信客服
回到顶部