电脑桌面
添加蜗牛文库到电脑桌面
安装后可以在桌面快捷访问

GBT 14957-1994熔化焊用钢丝.pdfVIP免费

GBT 14957-1994熔化焊用钢丝.pdf_第1页
GBT 14957-1994熔化焊用钢丝.pdf_第2页
GBT 14957-1994熔化焊用钢丝.pdf_第3页
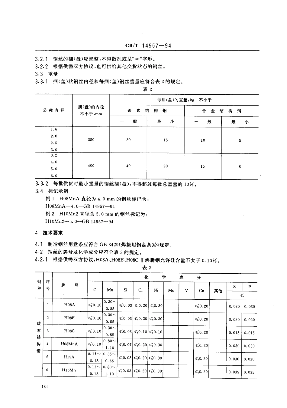
中华人民共和国国家标准GB/T14957一94熔化焊用钢丝代替GB1300-77Steelwiresformeltwelding1主肠内容与适用范围本标准规定了熔化焊用钢丝(简称焊丝)的尺寸、外形、重量、技术要求、试验方法、检验规则、包装、运输、贮存标志及质量证明书等。本标准主要适用于电弧焊、埋弧自动焊和半自动焊、电渣焊和气焊等用途的冷拉钢丝。2}I用标准GB222钢的化学分析用试样取样法及成品化学成分允许偏差GB223钢铁及合金化学分析方法GB2103钢丝验收、包装、标志及质量证明书的一般规定GB/T3429焊接用钢盘条3尺寸、外形、皿f3,1尺寸及其允许偏差3.1.1钢丝直径及其允许偏差应符合表1的规定。表1公称直径允许偏差普通精度较高精度1.62.02153.0一0.10一0.063.24.05.06.0一0.12钢丝的不圆度不大于直径公差之半。根据供需双方协议,也可供给中间尺寸的钢丝,其尺寸允许偏差按表1中相邻较大尺寸的规定要求较高精度或其他精度的钢丝应于合同中注明。外形n乙,J己月J胜r月leso月..n乙于子值33国家技术监督局1994一06一13批准1995一01一01实施GB/'r14957一943.2.1钢丝的捆(盘)应规整,不得散乱或呈“二”字形。3.2.2根据供需双方协议,也可供给其他交货状态的钢丝。3.3重量3.3.1捆(盘)状钢丝内径和每捆(盘)钢丝重量应符合表2的规定公称直径捆(盘)的内径不小干,mm一般1.62.02.53.0350303.24.05.06.040040表生{每捆(盘)的重量,kg不小于构钢合金结构钢最小一般最小15105201583.3.2每批供货时最小重量的钢丝捆(盘),不得超过每批总重量的10%.3.4标记示例例1H08MnA直径为4.0mm的钢丝标记为:H08MnA-4.0-GB14957-94例2H10Mn2直径为5.0mm的钢丝标记为:H10Mn2-5.0-GB14957-944技术要求4.14.24.2.1制造钢丝用盘条应符合GB3429K焊接用钢盘条》的规定。钢丝的牌号及化学成分应符合表3的规定。根据供需双方协议,H08A,H08E,H08C非沸腾钢允许硅含量不大于。.loooe表3钢种序号牌号CMnSiCr碳素结构钢1H08AG0.100.。30-0.55(0.03(0.202H08E镇0.100.。30-0.55(0.03(0.203H08C落0.100.。30-0.55落0.03(0.104H08MnA蕊0.100.,80-1.10毛0.07簇0.205H15A0.。11-0.180.。35-0.65成0.03(0.206H15Mn0.。11-0.180.180-1.10落0.03夏0.20一-一一,一一,~一,学成分NiMoVCu其他SP(X0.30(0.200.0300.030;0.30簇0.200.0200.020迄0.10镇0.200.0150.015;0.30簇0.200.0300.030;0.30(0.200.0300.030基0.30簇0.200.0350.035GBJT14957一94续表3钢种序号牌号Q.静成分CMn5iCrNiM0VCu其他SP5之r了金结构钢7H1OMn2毛...

1、当您付费下载文档后,您只拥有了使用权限,并不意味着购买了版权,文档只能用于自身使用,不得用于其他商业用途(如 [转卖]进行直接盈利或[编辑后售卖]进行间接盈利)。
2、本站所有内容均由合作方或网友上传,本站不对文档的完整性、权威性及其观点立场正确性做任何保证或承诺!文档内容仅供研究参考,付费前请自行鉴别。
3、如文档内容存在违规,或者侵犯商业秘密、侵犯著作权等,请点击“违规举报”。

碎片内容

蜗牛文库的最新文档

二年级数学下册其中检测卷二年级数学下册其中检测卷附答案#期中测试卷.pdf
10.00金币
0下载
二年级数学下册期末质检卷(苏教版)二年级数学下册期末质检卷(苏教版)#期末复习 #期末测试卷 #二年级数学 #二年级数学下册#关注我持续更新小学知识.pdf
10.00金币
0下载
二年级数学下册期末混合运算专项练习二年级数学下册期末混合运算专项练习#二年级#二年级数学下册#关注我持续更新小学知识 #知识分享 #家长收藏孩子受益.pdf
10.00金币
1下载
二年级数学下册年月日三类周期问题解题方法二年级数学下册年月日三类周期问题解题方法#二年级#二年级数学下册#知识分享 #关注我持续更新小学知识 #家长收藏孩子受益.pdf
10.00金币
0下载
二年级数学下册解决问题专项训练二年级数学下册解决问题专项训练#专项训练#解决问题#二年级#二年级数学下册#知识分享.pdf
10.00金币
1下载
二年级数学下册还原问题二年级数学下册还原问题#二年级#二年级数学#关注我持续更新小学知识 #知识分享 #家长收藏孩子受益.pdf
10.00金币
1下载
二年级数学下册第六单元考试卷家长打印出来给孩子测试测试争取拿到高分!#小学二年级试卷分享 #二年级第六单考试数学 #第六单考试#二年级数学下册.pdf
10.00金币
0下载
二年级数学下册必背顺口溜口诀汇总二年级数学下册必背顺口溜口诀汇总#二年级#二年级数学下册 #知识分享 #家长收藏孩子受益 #关注我持续更新小学知识.pdf
10.00金币
0下载
二年级数学下册《重点难点思维题》两大问题解决技巧和方法巧算星期几解决周期问题还原问题强化思维训练老师精心整理家长可以打印出来给孩子练习#家长收藏孩子受益 #学霸秘籍 #思维训练 #二年级 #知识点总结.pdf
10.00金币
0下载
二年级数学下册 必背公式大全寒假提前背一背开学更轻松#二年级 #二年级数学 #二年级数学下册 #寒假充电计划 #公式.pdf
10.00金币
0下载
蜗牛文库+ 关注
实名认证
内容提供者

提供各种专业文档内容

确认删除?
QQ
  • QQ点击这里给我发消息
微信客服
  • 微信客服
回到顶部