电脑桌面
添加蜗牛文库到电脑桌面
安装后可以在桌面快捷访问

ZB B66 005.1-1990 橄榄油、油橄榄果渣油.pdfVIP免费

ZB B66 005.1-1990 橄榄油、油橄榄果渣油.pdf_第1页
ZB B66 005.1-1990 橄榄油、油橄榄果渣油.pdf_第2页
ZB B66 005.1-1990 橄榄油、油橄榄果渣油.pdf_第3页
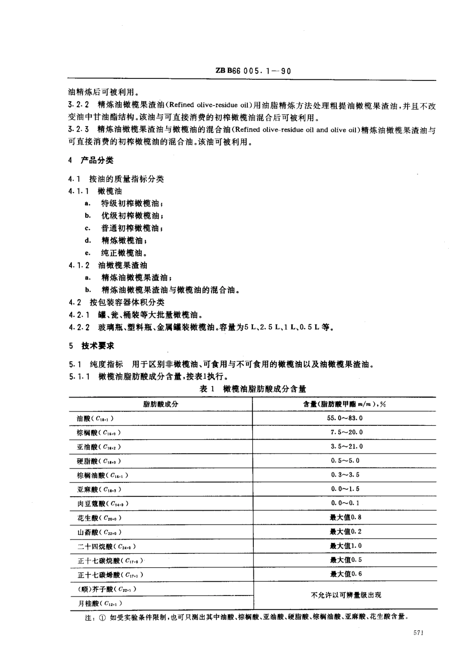
中华人民共和国专业标准ZBB66005.1一90橄榄油、油橄榄果渣油1主肠内容与适用范困本标准规定了橄榄油、油橄榄果渣油的产品分类、技术要求、试验方法、检验规则和标志、包装、运输、贮存的基本要求。本标准适用于商品橄榄油、油橄榄果渣油。2引用标准GB2828逐批检杳计数抽样程序及抽样表(适用于连续批的检查)GB5009.11食品,卜总砷的测定方法GB5009.17食品1:总19的测定方法ZBB66005.2^-005.19橄榄油、油橄榄果渣油检验3术语3.1橄榄油(Oliveoil)是指以油橄榄(Oleaeuropaea"L")鲜果为原料,排除用溶剂浸提或重醋化过程获得的油,并且不得掺杂其他油类.任何情况下,橄榄油都不指油橄榄果渣油。3.1.1初榨橄榄油(Virginoliveoil)指专门用机械方式或其他物理方式直接从油橄榄鲜果中获取的天然油,榨油过程中的外界条件特别是温度不导致油中天然成分改变.该油只进行过清洗、倾析、离心或过滤处理,没有进行过任何其他物理、化学处理。3.1.1.1可直接消费的初榨橄榄油a.特级初榨橄榄油(Virginoliveoilextra)天然橄榄油并具有橄榄油固有的纯正气味和滋味,酸度(l%(或酸价簇2mgKOH/g油)。b.优级初榨橄榄油(Virginoliveoilfine)天然橄榄油并具有橄榄油固有的纯正气味和滋味,酸度镇20o(或酸价《4mgKOH/g油)。c.普通初榨橄榄油(Virginoliveoilsemi-fine)天然橄榄油并具有橄榄油良好的气味和滋味,酸度(3.3环(或酸价(6:6mgKOH/g油)。3.1.1.2不能直接消费的初榨橄榄油初榨油橄榄灯油(Virginoliveoillampante)天然橄榄油失去其固有的气味和滋味,酸度>3.30a(或酸价>6.6mgKOH/g油)。该油精炼后可被利用。3.1.2精炼橄榄油(Refinedoliveoil)用油脂精炼方法处理不能直接消费的初榨橄榄油,并且不改变原天然油的甘油酷结构,该油称为精炼橄榄油。3.1.3纯正橄榄油(Pureoliveoil)指可直接消费的初榨橄榄油与精炼橄榄油的混合油,其质量特性必须符合规定标准。3.2油橄榄果渣油(Olive-residueoil)排除重醋化过程,用化学溶剂从油橄榄果渣中浸出的油,油中不掺杂任何其他油类.该类油可分为如下几种:3.2.1粗提油橄榄果渣油(Crudeolive-residueoil)指没有进行过任何其他工艺处理的油橄榄果渣油。该中华人民共和国林业部1990一03一21批准1990一10一01实施zsa66005.1一90油精炼后可被利用。3.2.2精炼油橄榄果渣油(Refinedolive-residueoil)用油脂精炼方法处理粗提油橄榄果渣油,并且不改变油中甘油醋结构。该油与可直接消费的初榨橄榄油混合后可被利用。3.2.3精炼油橄榄果渣油与橄榄...

1、当您付费下载文档后,您只拥有了使用权限,并不意味着购买了版权,文档只能用于自身使用,不得用于其他商业用途(如 [转卖]进行直接盈利或[编辑后售卖]进行间接盈利)。
2、本站所有内容均由合作方或网友上传,本站不对文档的完整性、权威性及其观点立场正确性做任何保证或承诺!文档内容仅供研究参考,付费前请自行鉴别。
3、如文档内容存在违规,或者侵犯商业秘密、侵犯著作权等,请点击“违规举报”。

碎片内容

蜗牛文库的最新文档

二年级数学下册其中检测卷二年级数学下册其中检测卷附答案#期中测试卷.pdf
10.00金币
0下载
二年级数学下册期末质检卷(苏教版)二年级数学下册期末质检卷(苏教版)#期末复习 #期末测试卷 #二年级数学 #二年级数学下册#关注我持续更新小学知识.pdf
10.00金币
0下载
二年级数学下册期末混合运算专项练习二年级数学下册期末混合运算专项练习#二年级#二年级数学下册#关注我持续更新小学知识 #知识分享 #家长收藏孩子受益.pdf
10.00金币
1下载
二年级数学下册年月日三类周期问题解题方法二年级数学下册年月日三类周期问题解题方法#二年级#二年级数学下册#知识分享 #关注我持续更新小学知识 #家长收藏孩子受益.pdf
10.00金币
0下载
二年级数学下册解决问题专项训练二年级数学下册解决问题专项训练#专项训练#解决问题#二年级#二年级数学下册#知识分享.pdf
10.00金币
1下载
二年级数学下册还原问题二年级数学下册还原问题#二年级#二年级数学#关注我持续更新小学知识 #知识分享 #家长收藏孩子受益.pdf
10.00金币
1下载
二年级数学下册第六单元考试卷家长打印出来给孩子测试测试争取拿到高分!#小学二年级试卷分享 #二年级第六单考试数学 #第六单考试#二年级数学下册.pdf
10.00金币
0下载
二年级数学下册必背顺口溜口诀汇总二年级数学下册必背顺口溜口诀汇总#二年级#二年级数学下册 #知识分享 #家长收藏孩子受益 #关注我持续更新小学知识.pdf
10.00金币
0下载
二年级数学下册《重点难点思维题》两大问题解决技巧和方法巧算星期几解决周期问题还原问题强化思维训练老师精心整理家长可以打印出来给孩子练习#家长收藏孩子受益 #学霸秘籍 #思维训练 #二年级 #知识点总结.pdf
10.00金币
0下载
二年级数学下册 必背公式大全寒假提前背一背开学更轻松#二年级 #二年级数学 #二年级数学下册 #寒假充电计划 #公式.pdf
10.00金币
0下载
蜗牛文库+ 关注
实名认证
内容提供者

提供各种专业文档内容

确认删除?
QQ
  • QQ点击这里给我发消息
微信客服
  • 微信客服
回到顶部