电脑桌面
添加蜗牛文库到电脑桌面
安装后可以在桌面快捷访问

SBT 10082-1992 粮食带式输送机.pdfVIP免费

SBT 10082-1992 粮食带式输送机.pdf_第1页
SBT 10082-1992 粮食带式输送机.pdf_第2页
SBT 10082-1992 粮食带式输送机.pdf_第3页
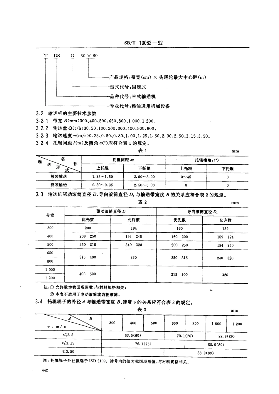
中华人民共和国商业行业标准SB/T10082一92粮食带式输送机1主题内容与适用范围本标准规定了粮食带式输送机(以下简称输送机)的产品型号与规格、技术要求、试验方法、检验规则及标志、包装、运输和贮存。本标准适用于输送散装和包装粮食的固定式轻型带式输送机。2引用标准GB1.3GB523GB526GB976GB985GB986GB1184GB1720GB1728GB1732GB1764GB1766GB1767GB1804GB2828GB3323GB3768GB8874GB10595标准化工作导则产品标准编写规定运输胶带运艳胶带和传动胶带外观质量标准灰铸铁件分类及技术条件手工电弧焊焊接接头的基本型式与尺寸埋弧焊焊接接头的基本型式与尺寸形状和位置公差未注公差的规定漆膜附着力测定法漆膜、腻子膜干操时间测定法漆膜耐冲击测定法漆膜厚度性侧定法漆膜耐候性评级方法漆膜耐候性测定法公差与配合未注公差尺寸的极限偏差逐批检查计数抽样程序及抽样表〔适用于连续批的检查)钢熔化焊对接接头射线照像和质量等级噪声源声功率级的测定简易法粮油通用技术、设备名词术语带式输送机技术条件3.01一型号与规格及签本.橄与尺寸输送机产品型号按专业代号、品种代号、型式代号和产品的主要规格的顺序编写。中华人民共和国商业部1992一08一14批准1992一12一01实施sB/T10082一92TDSG50x60下下下可一产品规格:带宽(cm)X头尾轮最大中心距(m)型式代号:固定式pp种代号:带式输送机专业代号:粮油通用机械设备3.2输送机的主要技术参数3.2.1带宽B(mm)300,400,500,650,800,1000,1200e3.2.2输送量Q(t/h)30,50,100,200,300,400,500,600,3.2.3输送速度v(m/s)0.25,0.50,0.80,1.00,1.25,1.60,2.00,2.50,3.15,3.50,3.2.4托辊间距Z(m)及钾角a(0)应符合表1的规定。表1mm许称乏托辊间距,m托辊相角,(.)上托辊下托辊上托辊下托辊散装输送1.25^-1.502.50^.3.000^"450袋装物送0.30^.0.352.50^-3.的003.3输送机驱动滚筒直径D、导向滚筒直径D、与输送带宽度B的关系应符合表2的规定。表2mm带宽驱动滚筒直径D导向滚筒直径D,优先数允许数优先致允许数30020019416015940020025019424016020015919450025031524032020025019424065031540032025031524032080010004005003154003201200注:①允许数为我国现用数.与材料规格相关,②本表不适用于电动滚简或齿轮滚筒。3.4托辊辊子的外径d与输送带宽度B、速度二的关系应符合表3的规定。表3nlnl于dBm/y`.,\\30040050065080010001200(2,563.5(60)70.1(76)88.9(89)(3.1576.1(76)88.9(89)(3.5088.9(89)注:托辊辊子外径值选于1502109。括号内...

1、当您付费下载文档后,您只拥有了使用权限,并不意味着购买了版权,文档只能用于自身使用,不得用于其他商业用途(如 [转卖]进行直接盈利或[编辑后售卖]进行间接盈利)。
2、本站所有内容均由合作方或网友上传,本站不对文档的完整性、权威性及其观点立场正确性做任何保证或承诺!文档内容仅供研究参考,付费前请自行鉴别。
3、如文档内容存在违规,或者侵犯商业秘密、侵犯著作权等,请点击“违规举报”。

碎片内容

蜗牛文库的最新文档

二年级数学下册其中检测卷二年级数学下册其中检测卷附答案#期中测试卷.pdf
10.00金币
0下载
二年级数学下册期末质检卷(苏教版)二年级数学下册期末质检卷(苏教版)#期末复习 #期末测试卷 #二年级数学 #二年级数学下册#关注我持续更新小学知识.pdf
10.00金币
0下载
二年级数学下册期末混合运算专项练习二年级数学下册期末混合运算专项练习#二年级#二年级数学下册#关注我持续更新小学知识 #知识分享 #家长收藏孩子受益.pdf
10.00金币
1下载
二年级数学下册年月日三类周期问题解题方法二年级数学下册年月日三类周期问题解题方法#二年级#二年级数学下册#知识分享 #关注我持续更新小学知识 #家长收藏孩子受益.pdf
10.00金币
0下载
二年级数学下册解决问题专项训练二年级数学下册解决问题专项训练#专项训练#解决问题#二年级#二年级数学下册#知识分享.pdf
10.00金币
1下载
二年级数学下册还原问题二年级数学下册还原问题#二年级#二年级数学#关注我持续更新小学知识 #知识分享 #家长收藏孩子受益.pdf
10.00金币
1下载
二年级数学下册第六单元考试卷家长打印出来给孩子测试测试争取拿到高分!#小学二年级试卷分享 #二年级第六单考试数学 #第六单考试#二年级数学下册.pdf
10.00金币
0下载
二年级数学下册必背顺口溜口诀汇总二年级数学下册必背顺口溜口诀汇总#二年级#二年级数学下册 #知识分享 #家长收藏孩子受益 #关注我持续更新小学知识.pdf
10.00金币
0下载
二年级数学下册《重点难点思维题》两大问题解决技巧和方法巧算星期几解决周期问题还原问题强化思维训练老师精心整理家长可以打印出来给孩子练习#家长收藏孩子受益 #学霸秘籍 #思维训练 #二年级 #知识点总结.pdf
10.00金币
0下载
二年级数学下册 必背公式大全寒假提前背一背开学更轻松#二年级 #二年级数学 #二年级数学下册 #寒假充电计划 #公式.pdf
10.00金币
0下载
蜗牛文库+ 关注
实名认证
内容提供者

提供各种专业文档内容

确认删除?
QQ
  • QQ点击这里给我发消息
微信客服
  • 微信客服
回到顶部