电脑桌面
添加蜗牛文库到电脑桌面
安装后可以在桌面快捷访问

GB 12147-1989 锅炉用水和冷却水分析方法纯水电导率的测定.pdfVIP免费

GB 12147-1989 锅炉用水和冷却水分析方法纯水电导率的测定.pdf_第1页
GB 12147-1989 锅炉用水和冷却水分析方法纯水电导率的测定.pdf_第2页
GB 12147-1989 锅炉用水和冷却水分析方法纯水电导率的测定.pdf_第3页
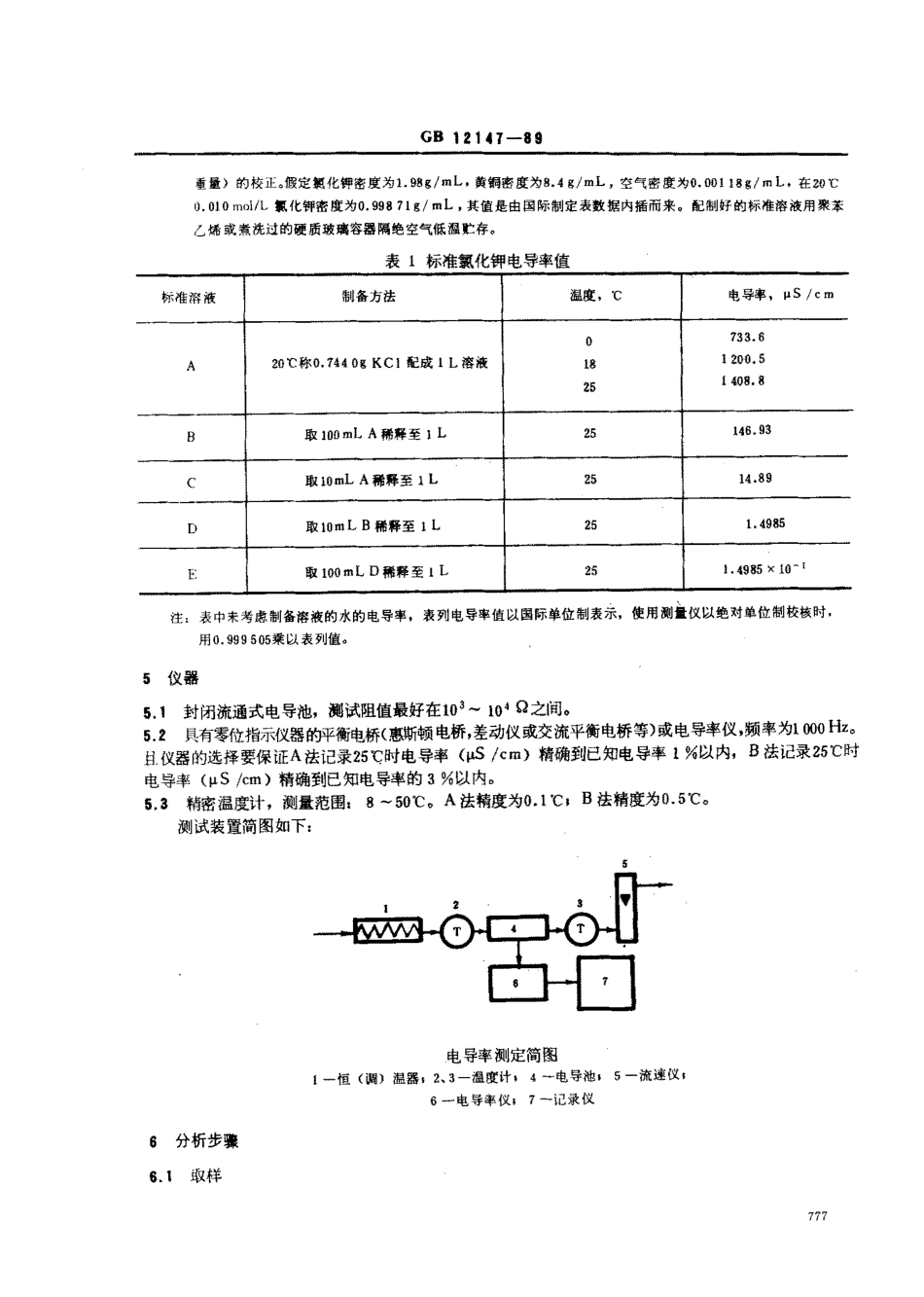
中华人民共和国国家标准锅炉用水和冷却水分析方法纯水电导率的测定GB12147-39Analysisofwaterusedtncool1.皿system-Determloutsconductivityofpureboiler应目onofelectrical贾ater主题内容与适用范囤本标准规定了锅炉给水、除盐水、燕汽、凝结水、试剂水等纯水电导率的to(定方法。本标准适用于锅炉用水分析,电导率小于3t,S/cm的水样电导率测定。引用标准GB6903锅炉用水和冷却水分析方法通则GB6907锅炉用水和冷却水分析方法水样的采集方法3方法概要纯水电导率是用电导池侧定纯水的电阻来确定的,电导率与电阻的关系为X=L,K二-K..................一一...一“一<;)式中:X—电导率,JIS/cm{L—电导,RS,K—电导池常数,。‘}R:—电阻,Qa纯水电导率值与水中离子种类、含量、水样温度及水样在电导池中的流速有关。在一定温度和0.05m/s恒定流速下,测试水样的电导率可确定水的纯净程度。为了避免环境的污染,采用封闭流通式电导池和严格的清洗措施,在测试巾还要注意消除电极和电路产生的电容对电导率测定的影响。本标准包括精密测最(A法)和普通测量(B法)两种方法。4试荆4.1试剂水:本法使用I级试剂水,并使之在空气中电导率值稳定后使用。4.2氯化钾(优级纯)在105℃千燥2h备用。4.3氯化钾标准溶液A;将0.744Og氛化钾(空气中称量)溶于试剂水中,在2012'C稀释至1Ld4.4氯化钾标准溶液B:在2012℃将10。二L标准溶液A稀释至ILo4.5氯化钾标准溶液c:在2012℃将iomL标准溶液A稀释至1La4.6氯化钾标准溶液D:在2012℃将ipmL标准溶液B稀释至1L。4.7氯化钾标准溶液E:在2412G将104mL标准溶液D稀释至1L。其中D.E标准溶液用于精密测量。注:每一标准盆化钾溶液的电导牢值在表c巾列出,包括24℃每升抓化钾溶液中纵化钾重是(在空气中相对黄铜国家技术监餐局1989-12一2批准1990一11一01实施GB12147-89重量)的校正。假定氧化钾密度为1.98g/mL,黄铜密度为8.4g/.L,空气密度为moli8g/mL,在200C0.010mol/L抓化钾密度为0.99871g/mL,其值是由国际制定表数据内插而来。配制好的标准溶液用聚苯乙烯或煮洗过的硬质玻璃容器隔绝空气低温贮存。表1标准氯化钾电导率值标准解液制备方法温度,℃电导率,pS/cmA20'C称0.7440gKCI配成1L溶液01g25733.61200.51叨口。且B取100mLA稀释至IL25146.93C取lomLA稀释至iL2514.89D取10mLB稀释至1L+4,;1.4985E取100mLD稀释至iL251.4985x工0一正注表中未考虑制备溶液的水的电导率.表列电导率值以国际单位制表示,使用测最仪以绝对单位制校核时,用0.9995...

1、当您付费下载文档后,您只拥有了使用权限,并不意味着购买了版权,文档只能用于自身使用,不得用于其他商业用途(如 [转卖]进行直接盈利或[编辑后售卖]进行间接盈利)。
2、本站所有内容均由合作方或网友上传,本站不对文档的完整性、权威性及其观点立场正确性做任何保证或承诺!文档内容仅供研究参考,付费前请自行鉴别。
3、如文档内容存在违规,或者侵犯商业秘密、侵犯著作权等,请点击“违规举报”。

碎片内容

蜗牛文库的最新文档

二年级数学下册其中检测卷二年级数学下册其中检测卷附答案#期中测试卷.pdf
10.00金币
0下载
二年级数学下册期末质检卷(苏教版)二年级数学下册期末质检卷(苏教版)#期末复习 #期末测试卷 #二年级数学 #二年级数学下册#关注我持续更新小学知识.pdf
10.00金币
0下载
二年级数学下册期末混合运算专项练习二年级数学下册期末混合运算专项练习#二年级#二年级数学下册#关注我持续更新小学知识 #知识分享 #家长收藏孩子受益.pdf
10.00金币
1下载
二年级数学下册年月日三类周期问题解题方法二年级数学下册年月日三类周期问题解题方法#二年级#二年级数学下册#知识分享 #关注我持续更新小学知识 #家长收藏孩子受益.pdf
10.00金币
0下载
二年级数学下册解决问题专项训练二年级数学下册解决问题专项训练#专项训练#解决问题#二年级#二年级数学下册#知识分享.pdf
10.00金币
1下载
二年级数学下册还原问题二年级数学下册还原问题#二年级#二年级数学#关注我持续更新小学知识 #知识分享 #家长收藏孩子受益.pdf
10.00金币
1下载
二年级数学下册第六单元考试卷家长打印出来给孩子测试测试争取拿到高分!#小学二年级试卷分享 #二年级第六单考试数学 #第六单考试#二年级数学下册.pdf
10.00金币
0下载
二年级数学下册必背顺口溜口诀汇总二年级数学下册必背顺口溜口诀汇总#二年级#二年级数学下册 #知识分享 #家长收藏孩子受益 #关注我持续更新小学知识.pdf
10.00金币
0下载
二年级数学下册《重点难点思维题》两大问题解决技巧和方法巧算星期几解决周期问题还原问题强化思维训练老师精心整理家长可以打印出来给孩子练习#家长收藏孩子受益 #学霸秘籍 #思维训练 #二年级 #知识点总结.pdf
10.00金币
0下载
二年级数学下册 必背公式大全寒假提前背一背开学更轻松#二年级 #二年级数学 #二年级数学下册 #寒假充电计划 #公式.pdf
10.00金币
0下载
蜗牛文库+ 关注
实名认证
内容提供者

提供各种专业文档内容

确认删除?
QQ
  • QQ点击这里给我发消息
微信客服
  • 微信客服
回到顶部