电脑桌面
添加蜗牛文库到电脑桌面
安装后可以在桌面快捷访问

SBT 10219-1994 糖醋渍菜.pdfVIP免费

SBT 10219-1994 糖醋渍菜.pdf_第1页
SBT 10219-1994 糖醋渍菜.pdf_第2页
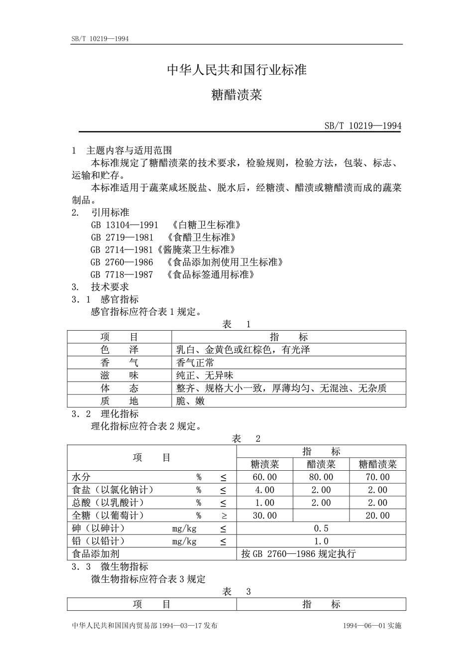
SB/T10219—1994中华人民共和国行业标准糖醋渍菜SB/T10219—19941主题内容与适用范围本标准规定了糖醋渍菜的技术要求,检验规则,检验方法,包装、标志、运输和贮存。本标准适用于蔬菜咸坯脱盐、脱水后,经糖渍、醋渍或糖醋渍而成的蔬菜制品。2.引用标准GB13104—1991《白糖卫生标准》GB2719—1981《食醋卫生标准》GB2714—1981《酱腌菜卫生标准》GB2760—1986《食品添加剂使用卫生标准》GB7718—1987《食品标签通用标准》3.技术要求3.1感官指标感官指标应符合表1规定。表1项目指标色泽乳白、金黄色或红棕色,有光泽香气香气正常滋味纯正、无异味体态整齐、规格大小一致,厚薄均匀、无混浊、无杂质质地脆、嫩3.2理化指标理化指标应符合表2规定。表2指标项目糖渍菜醋渍菜糖醋渍菜水分%≤60.0080.0070.00食盐(以氯化钠计)%≤4.002.002.00总酸(以乳酸计)%≤1.002.002.00全糖(以葡萄计)%≥30.0020.00砷(以砷计)mg/kg≤0.5铅(以铅计)mg/kg≤1.0食品添加剂按GB2760—1986规定执行3.3微生物指标微生物指标应符合表3规定表3项目指标中华人民共和国国内贸易部1994—03—17发布1994—06—01实施SB/T10219—1994大肠菌群近似值,个/100克≤30致病菌不得检出3.4保质期和保存期各种瓶装糖醋渍菜保质期为十二个月,保存期为十八个月。各种袋盒装糖醋渍菜保质期为六个月,保存期为九个月。4检验规则按照SB/T10214—1994《酱腌菜检验规则》执行。5检验方法理化检验按照SB/T10213—1994《酱腌菜理化检验方法》执行。微生物检验按GB5009·54《酱腌菜卫生标准的分析方法》执行。6包装6.1小包装材料及容器均需整洁,无破损,符合卫生要求。6.2外包装应采用纸箱或塑料箱内衬隔间。7标志7.1内包装标志按GB7718—1987《食品标签通用标准》执行。7.2外包装应标明产品名称,生产单位,数量,及包装箱规格尺寸。8运输8.1运输工具应保持清洁,不得与有害、有毒物品混运。8.2运输及装卸时应轻拿轻放,防止震动,严禁重压、碰撞、挤压、倒置、雨淋。9贮存成品严禁露天堆放。库内应保持清洁、干燥、通风,不得与有害、有毒物品同库存放。附加说明:本标准由国内贸易部工业司提出。本标准由中国酿造学会蔬菜加工学组起草。本标准主要起草人章善生、佘庆颐、顾秀兰、阎学孟。本标准由中国酿造学会蔬菜加工学组负责解释。中华人民共和国国内贸易部1994—03—17发布1994—06—01实施

1、当您付费下载文档后,您只拥有了使用权限,并不意味着购买了版权,文档只能用于自身使用,不得用于其他商业用途(如 [转卖]进行直接盈利或[编辑后售卖]进行间接盈利)。
2、本站所有内容均由合作方或网友上传,本站不对文档的完整性、权威性及其观点立场正确性做任何保证或承诺!文档内容仅供研究参考,付费前请自行鉴别。
3、如文档内容存在违规,或者侵犯商业秘密、侵犯著作权等,请点击“违规举报”。

碎片内容

蜗牛文库的最新文档

二年级数学下册其中检测卷二年级数学下册其中检测卷附答案#期中测试卷.pdf
10.00金币
0下载
二年级数学下册期末质检卷(苏教版)二年级数学下册期末质检卷(苏教版)#期末复习 #期末测试卷 #二年级数学 #二年级数学下册#关注我持续更新小学知识.pdf
10.00金币
0下载
二年级数学下册期末混合运算专项练习二年级数学下册期末混合运算专项练习#二年级#二年级数学下册#关注我持续更新小学知识 #知识分享 #家长收藏孩子受益.pdf
10.00金币
1下载
二年级数学下册年月日三类周期问题解题方法二年级数学下册年月日三类周期问题解题方法#二年级#二年级数学下册#知识分享 #关注我持续更新小学知识 #家长收藏孩子受益.pdf
10.00金币
0下载
二年级数学下册解决问题专项训练二年级数学下册解决问题专项训练#专项训练#解决问题#二年级#二年级数学下册#知识分享.pdf
10.00金币
1下载
二年级数学下册还原问题二年级数学下册还原问题#二年级#二年级数学#关注我持续更新小学知识 #知识分享 #家长收藏孩子受益.pdf
10.00金币
1下载
二年级数学下册第六单元考试卷家长打印出来给孩子测试测试争取拿到高分!#小学二年级试卷分享 #二年级第六单考试数学 #第六单考试#二年级数学下册.pdf
10.00金币
0下载
二年级数学下册必背顺口溜口诀汇总二年级数学下册必背顺口溜口诀汇总#二年级#二年级数学下册 #知识分享 #家长收藏孩子受益 #关注我持续更新小学知识.pdf
10.00金币
0下载
二年级数学下册《重点难点思维题》两大问题解决技巧和方法巧算星期几解决周期问题还原问题强化思维训练老师精心整理家长可以打印出来给孩子练习#家长收藏孩子受益 #学霸秘籍 #思维训练 #二年级 #知识点总结.pdf
10.00金币
0下载
二年级数学下册 必背公式大全寒假提前背一背开学更轻松#二年级 #二年级数学 #二年级数学下册 #寒假充电计划 #公式.pdf
10.00金币
0下载
蜗牛文库+ 关注
实名认证
内容提供者

提供各种专业文档内容

确认删除?
QQ
  • QQ点击这里给我发消息
微信客服
  • 微信客服
回到顶部