电脑桌面
添加蜗牛文库到电脑桌面
安装后可以在桌面快捷访问

SCT 1006-1992 淡水网箱养鱼通用技术要求.pdfVIP免费

SCT 1006-1992 淡水网箱养鱼通用技术要求.pdf_第1页
SCT 1006-1992 淡水网箱养鱼通用技术要求.pdf_第2页
SCT 1006-1992 淡水网箱养鱼通用技术要求.pdf_第3页
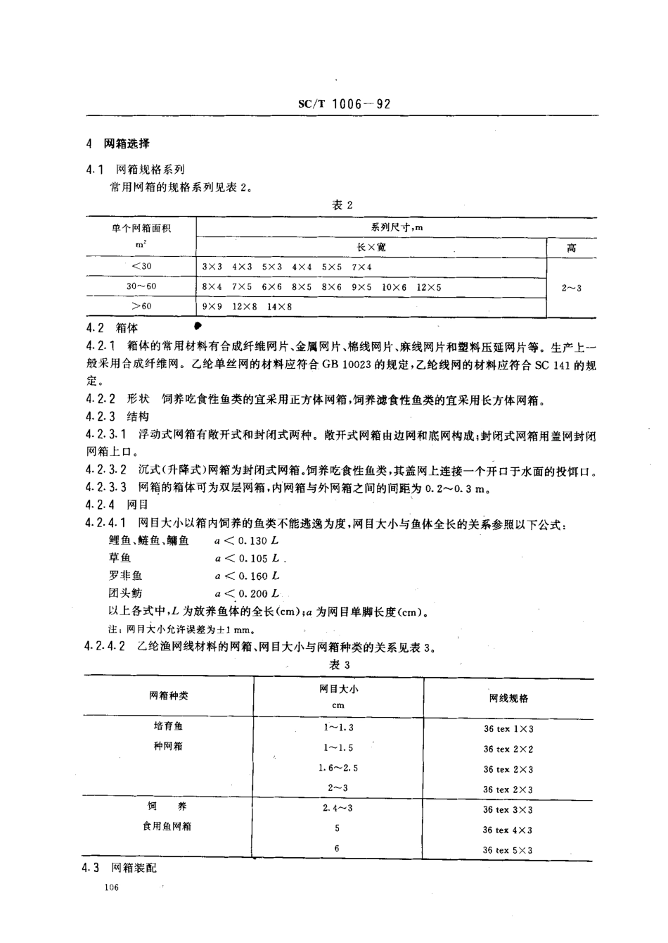
中华人民共和国水产行业标准SC/T1006一92淡水网箱养鱼通用技术要求主题内容与适用范围本标准规定了淡水网箱养鱼的环境条件、网箱选择、网箱设置、鱼种放养、饲养管理的技术要求本标准适用于各类淡水水域中的网箱养鱼。引用标准GB11607渔业水质标准GB9956青鱼鱼苗、鱼种质量标准GB/T11776草鱼鱼苗、鱼种质量标准GB/T11777维鱼鱼苗、鱼种质量标准GB/T11778缩鱼鱼苗、鱼种质量标准GB1003。团头妨鱼苗、鱼种质量标准GB10023渔用乙纶单丝SC141乙纶渔网线SC/T1007淡水网箱养鱼操作技术规程3环境条件3.1水温养鱼水体的水温见表1,饲养期间水温变幅饲养期间积温适宜鱼类8-20冷水性鱼类15^-32)2800暖水性鱼类3.2水质水质应符合GB11607的规定。透明度大于1m时,适宜放养吃食性鱼类;透明度小于1m,且浮游生物量湿重大于4mg/L时,适宜放养滤食性鱼类。3.3水源水源充足,水位相对稳定,常年落差不宜太大。3.4水流、风浪、航道水流:应小于。.2m/s。当水流大于0.2m/s时,迎水面应有金属网等挡水设施如水流中带有草木和其他漂浮物时,还应有拦渣设施。风浪:如风浪可能危及网箱安全,迎风面应有挡浪设施。航道:网箱设置处应避开航道。中华人民共和国农业部1992一11一06批准1993一04一01实施sC/T1006一924网箱选择4.1网箱规格系列常用网箱的规格系列见表2.表2单个网箱面积m2系列尺寸,m长x宽高<303X34X35X34X45X57X42^-330-608X47X56X68X58X69X510X612X5>609X912X814X8车2箱体,4.21箱体的常用材料有合成纤维网片、金属网片、棉线网片、麻线网片和塑料压延网片等。生产上一般采用合成纤维网。乙纶单丝网的材料应符合GB10023的规定,乙纶线网的材料应符合SC141的规定。4.2.2形状饲养吃食性鱼类的宜采用正方体网箱,饲养滤食性鱼类的宜采用长方体网箱。4.2.3结构4.2.3.1浮动式网箱有敞开式和封闭式两种。敞开式网箱由边网和底网构成;封闭式网箱用盖网封闭网箱上口。4.2.3.2沉式(升降式)网箱为封闭式网箱。饲养吃食性鱼类,其盖网上连接一个开口于水面的投饵口。4.2-3.3网箱的箱体可为双层网箱,内网箱与外网箱之间的间距为。.2^-0.3m.4.2.4网目4.2.4.1网目大小以箱内饲养的鱼类不能逃逸为度,网目大小与鱼体全长的关系参照以下公式:鲤鱼、鳞鱼、编鱼a<。.130L草鱼a<。.105L.罗非鱼a<0.160L团头妨a<0.200L以上各式中,L为放养鱼体的全长(cm);a为网目单脚长度(cm).注:网月大小允许误差为士1mm.4.2-4.2乙纶渔网线材料的网箱、网目大小与网箱种类的关系见表3.表3网箱种类网目...

1、当您付费下载文档后,您只拥有了使用权限,并不意味着购买了版权,文档只能用于自身使用,不得用于其他商业用途(如 [转卖]进行直接盈利或[编辑后售卖]进行间接盈利)。
2、本站所有内容均由合作方或网友上传,本站不对文档的完整性、权威性及其观点立场正确性做任何保证或承诺!文档内容仅供研究参考,付费前请自行鉴别。
3、如文档内容存在违规,或者侵犯商业秘密、侵犯著作权等,请点击“违规举报”。

碎片内容

蜗牛文库的最新文档

二年级数学下册其中检测卷二年级数学下册其中检测卷附答案#期中测试卷.pdf
10.00金币
0下载
二年级数学下册期末质检卷(苏教版)二年级数学下册期末质检卷(苏教版)#期末复习 #期末测试卷 #二年级数学 #二年级数学下册#关注我持续更新小学知识.pdf
10.00金币
0下载
二年级数学下册期末混合运算专项练习二年级数学下册期末混合运算专项练习#二年级#二年级数学下册#关注我持续更新小学知识 #知识分享 #家长收藏孩子受益.pdf
10.00金币
1下载
二年级数学下册年月日三类周期问题解题方法二年级数学下册年月日三类周期问题解题方法#二年级#二年级数学下册#知识分享 #关注我持续更新小学知识 #家长收藏孩子受益.pdf
10.00金币
0下载
二年级数学下册解决问题专项训练二年级数学下册解决问题专项训练#专项训练#解决问题#二年级#二年级数学下册#知识分享.pdf
10.00金币
1下载
二年级数学下册还原问题二年级数学下册还原问题#二年级#二年级数学#关注我持续更新小学知识 #知识分享 #家长收藏孩子受益.pdf
10.00金币
1下载
二年级数学下册第六单元考试卷家长打印出来给孩子测试测试争取拿到高分!#小学二年级试卷分享 #二年级第六单考试数学 #第六单考试#二年级数学下册.pdf
10.00金币
0下载
二年级数学下册必背顺口溜口诀汇总二年级数学下册必背顺口溜口诀汇总#二年级#二年级数学下册 #知识分享 #家长收藏孩子受益 #关注我持续更新小学知识.pdf
10.00金币
0下载
二年级数学下册《重点难点思维题》两大问题解决技巧和方法巧算星期几解决周期问题还原问题强化思维训练老师精心整理家长可以打印出来给孩子练习#家长收藏孩子受益 #学霸秘籍 #思维训练 #二年级 #知识点总结.pdf
10.00金币
0下载
二年级数学下册 必背公式大全寒假提前背一背开学更轻松#二年级 #二年级数学 #二年级数学下册 #寒假充电计划 #公式.pdf
10.00金币
0下载
蜗牛文库+ 关注
实名认证
内容提供者

提供各种专业文档内容

确认删除?
QQ
  • QQ点击这里给我发消息
微信客服
  • 微信客服
回到顶部