电脑桌面
添加蜗牛文库到电脑桌面
安装后可以在桌面快捷访问

GB 10771-1989 婴幼儿强化食品 钙强化饼干.docVIP免费

GB 10771-1989 婴幼儿强化食品 钙强化饼干.doc_第1页
GB 10771-1989 婴幼儿强化食品 钙强化饼干.doc_第2页
GB 10771-1989 婴幼儿强化食品 钙强化饼干.doc_第3页
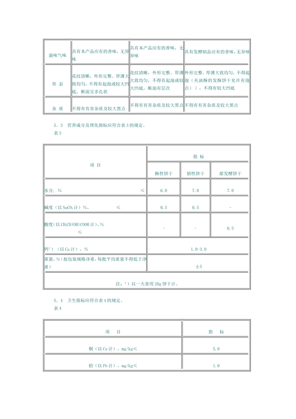
本标准参照采用FAO/WHO食品法规委员会(CAC)CODEXSTANVOLIX—Ed1PARTIV《儿童食品中矿物质、维生素强化剂表》。1主题内容与适用范围本标准规定了钙强化饼干的技术要求、试验方法、检验规则和产品的标志、包装、运输、贮存要求。本标准适用于以面粉、油脂、白砂糖为主要原料,加入乳品、蛋品、疏松剂、香料及碳酸钙等辅料,经和面成型,焙烤而成的钙强化饼干。本产品可预防婴幼儿佝偻病。2引用标准GB5009食品卫生理化检验方法GB7718食品标签通用标准QB869婴儿食品营养及卫生标准QB928饼干标准3术语3.1婴儿:指年龄在12个月以内的小儿。3.2幼儿:指年龄在1~3周岁的小儿。3.3婴幼儿营养强化食品:为提高食品的营养价值而加入国家允许使用的营养强化剂的食品。4产品分类按配方和工艺差别分为酥性、韧性和甜发酵饼干。各类饼干的特征见表1。表1酥性饼干印模造型多为凸花状,断面呈多孔状,口感酥松韧性饼干印模造型多为凹花状,表面光滑平整,一般有针眼,断面有层次,口感酥松甜发酵饼干味略甜,具有发酵制品特有的香味、口感酥松5技术要求5.1原料要求见附录A《原料要求》(补充件)。5.2感官要求应符合表2的规定。表2项目要求酥性饼干韧性饼干甜发酵饼干色泽呈金黄色或黄褐色,基本均匀,表面有光泽,无白粉呈金黄色或黄褐色,基本均匀,表面有光泽,无白粉呈金黄色或黄褐色,基本均匀,表面有光泽,无白粉口感不粘牙,口感酥松不粘牙,口感酥松不粘牙,味略甜,口感酥松滋味气味具有本产品应有的香味,无异味具有本产品应有的香味,无异味具有发酵制品应有的香味,无异味形态花纹清晰,外形完整、厚薄大致均匀,不得有起泡或较大凹底,断面呈多孔状花纹清晰,外形完整、厚薄大致均匀,不得有起泡或较大凹底,断面有层次外形完整、厚薄大致均匀,不得起泡(夹油酥的发酥饼干允许有泡点)),不得有较大凹底杂质不得有有害杂质及较大黑点不得有有害杂质及较大黑点不得有有害杂质及较大黑点5.3营养成分及理化指标应符合表3的规定。表3项目指标酥性饼干韧性饼干甜发酵饼干水分,%≤6.07.07.0碱度(以NaCO3计)%,≤0.50.5-酸度(以CH3CH(OH)COOH计),%≤--0.5钙¹)(以Ca计),%1.0-3.0重量,%(按包装规格净重,每批平均重量不得低于净重)±5注:¹)以一天食用20g饼干计。5.4卫生指标应符合表4的规定。表4项目指标铜(以Cu计),mg/kg≤5.0铅(以Pb计),mg/kg≤1.0砷(以As计),mg/kg≤1.06试验方法6.1感官检验6.1.1色泽、形态、...

1、当您付费下载文档后,您只拥有了使用权限,并不意味着购买了版权,文档只能用于自身使用,不得用于其他商业用途(如 [转卖]进行直接盈利或[编辑后售卖]进行间接盈利)。
2、本站所有内容均由合作方或网友上传,本站不对文档的完整性、权威性及其观点立场正确性做任何保证或承诺!文档内容仅供研究参考,付费前请自行鉴别。
3、如文档内容存在违规,或者侵犯商业秘密、侵犯著作权等,请点击“违规举报”。

碎片内容

蜗牛文库的最新文档

二年级数学下册其中检测卷二年级数学下册其中检测卷附答案#期中测试卷.pdf
10.00金币
0下载
二年级数学下册期末质检卷(苏教版)二年级数学下册期末质检卷(苏教版)#期末复习 #期末测试卷 #二年级数学 #二年级数学下册#关注我持续更新小学知识.pdf
10.00金币
0下载
二年级数学下册期末混合运算专项练习二年级数学下册期末混合运算专项练习#二年级#二年级数学下册#关注我持续更新小学知识 #知识分享 #家长收藏孩子受益.pdf
10.00金币
1下载
二年级数学下册年月日三类周期问题解题方法二年级数学下册年月日三类周期问题解题方法#二年级#二年级数学下册#知识分享 #关注我持续更新小学知识 #家长收藏孩子受益.pdf
10.00金币
0下载
二年级数学下册解决问题专项训练二年级数学下册解决问题专项训练#专项训练#解决问题#二年级#二年级数学下册#知识分享.pdf
10.00金币
1下载
二年级数学下册还原问题二年级数学下册还原问题#二年级#二年级数学#关注我持续更新小学知识 #知识分享 #家长收藏孩子受益.pdf
10.00金币
1下载
二年级数学下册第六单元考试卷家长打印出来给孩子测试测试争取拿到高分!#小学二年级试卷分享 #二年级第六单考试数学 #第六单考试#二年级数学下册.pdf
10.00金币
0下载
二年级数学下册必背顺口溜口诀汇总二年级数学下册必背顺口溜口诀汇总#二年级#二年级数学下册 #知识分享 #家长收藏孩子受益 #关注我持续更新小学知识.pdf
10.00金币
0下载
二年级数学下册《重点难点思维题》两大问题解决技巧和方法巧算星期几解决周期问题还原问题强化思维训练老师精心整理家长可以打印出来给孩子练习#家长收藏孩子受益 #学霸秘籍 #思维训练 #二年级 #知识点总结.pdf
10.00金币
0下载
二年级数学下册 必背公式大全寒假提前背一背开学更轻松#二年级 #二年级数学 #二年级数学下册 #寒假充电计划 #公式.pdf
10.00金币
0下载
蜗牛文库+ 关注
实名认证
内容提供者

提供各种专业文档内容

确认删除?
QQ
  • QQ点击这里给我发消息
微信客服
  • 微信客服
回到顶部