电脑桌面
添加蜗牛文库到电脑桌面
安装后可以在桌面快捷访问

GBT 9960-1988 鲜、冻四分体带骨牛肉.pdfVIP免费

GBT 9960-1988 鲜、冻四分体带骨牛肉.pdf_第1页
GBT 9960-1988 鲜、冻四分体带骨牛肉.pdf_第2页
GBT 9960-1988 鲜、冻四分体带骨牛肉.pdf_第3页
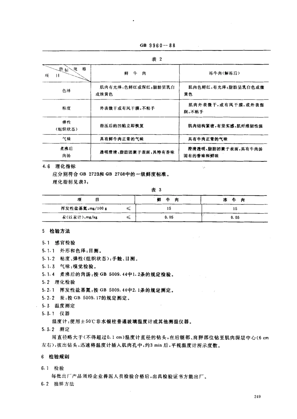
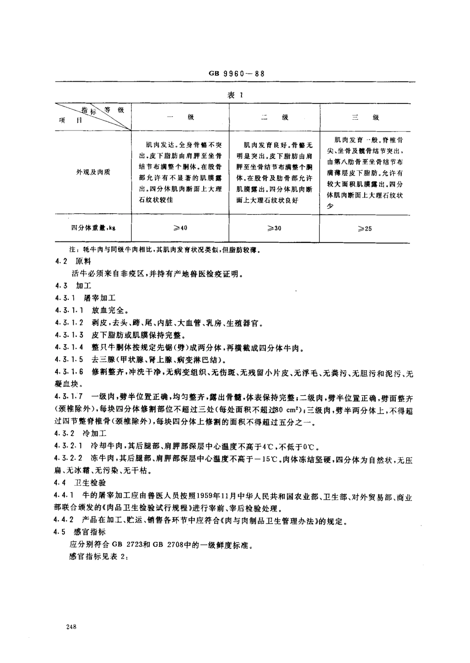
636.4.08.364.4.0s7中华人民共和国国家标准UDC鲜、冻四分体带骨牛肉GB9960一88Freshandfrozenbeef,quarters1主题内容与适用范围本标准规定了鲜、冻四分体带骨牛肉的术语、技术要求、检验方法和检验规则、标志、贮存和运输。本标准适用于活牛经屠宰加工、冷加工后,用于供应市场、肉制品及峨头原料的鲜、冻四分体带骨牛2引用标准4l7GB2723GB2708GB5009.GB5009.鲜牛肉、鲜羊肉、鲜免肉卫生标准冻牛肉卫生标准肉与肉制品卫生标准的分析方法食品中总汞的测定方法3术语3.1四分体带骨牛肉:指将屠宰加工后的整只牛晌体先沿脊椎中线纵向锯(劈)成两分体,再从第十一至第十二肋骨间将两分体横截成四分体的牛肉。32鲜四分体带骨牛肉:指经过凉肉,但不经过冷却工艺过程的四分体带骨牛肉。3.3冷却四分体带骨牛肉:指经过冷却工艺过程的四分体带骨牛肉,其后腿部、肩押部深层中心温度不高于4'C,不低于00C,3.4冻四分体带骨牛肉:指经过冻结工艺过程的四分体带骨牛肉,其后腿部、肩钾部深层中心温度不高于一飞5c。4技术要求4.1产品品种、规格4.1.1鲜、冻四分体带骨牛肉分为三等级,即:一级、二级、三级。4.1.2分级的规格见表1:中华人民共和国商业部1987一12一28批准1989一04一01实施GB9960一88表1c}fl\\一级_二级三级外观及肉质肌肉发达.全身骨骼不突出.皮下脂肪由肩脾至坐骨结节布满整个胭体。在股骨部允许有不显著的肌膜露出四分体肌肉断面上大理石纹状较佳肌肉发育良好.骨鳌无明显突出。皮下脂肪由肩脾至坐骨结节布满整个胭体.在股骨及肋骨部允许肌膜礴出。四分体肌肉断面上大理石纹状良好肌肉发育一般。脊惟骨尖、坐骨及碗骨结节突出,由第八肋骨至坐骨结节布满薄层皮下脂肪.允许有较大面积肌膜僻出.四分体肌肉断面上大理石纹状少四分体重量,kg李40)30)25注:耗牛肉与同级牛肉相比,其肌肉发育状况类似,但脂肪较薄。4.2原料活牛必须来自非疫区,并持有产地兽医检疫证明。43加工4.3.1屠宰加工4.3.1.1放血完全。4.3.1.2剥皮,去头、蹄、尾、内脏、大血管、乳房、生殖器官。4.3.1.3皮下脂肪或肌膜保持完整。4.3.1.4整只牛肠体按规定先锯(劈)成两分体,再横截成四分体牛肉。4.3.1.5去三腺(甲状腺、肾上腺、病变淋巴结)。4.3.1.6修割整齐.冲洗干净,无病变组织、无伤斑、无残留小片皮、无浮毛、无粪污、无胆污和泥污、无凝血块。4.3.1.7一级肉,劈半位置正确,均匀整齐,露出骨髓,体表保持完整;二级肉,劈半位置正确,劈面整齐(颈椎除外),每块四分体修割部位不超过...

1、当您付费下载文档后,您只拥有了使用权限,并不意味着购买了版权,文档只能用于自身使用,不得用于其他商业用途(如 [转卖]进行直接盈利或[编辑后售卖]进行间接盈利)。
2、本站所有内容均由合作方或网友上传,本站不对文档的完整性、权威性及其观点立场正确性做任何保证或承诺!文档内容仅供研究参考,付费前请自行鉴别。
3、如文档内容存在违规,或者侵犯商业秘密、侵犯著作权等,请点击“违规举报”。

碎片内容

蜗牛文库的最新文档

二年级数学下册其中检测卷二年级数学下册其中检测卷附答案#期中测试卷.pdf
10.00金币
0下载
二年级数学下册期末质检卷(苏教版)二年级数学下册期末质检卷(苏教版)#期末复习 #期末测试卷 #二年级数学 #二年级数学下册#关注我持续更新小学知识.pdf
10.00金币
0下载
二年级数学下册期末混合运算专项练习二年级数学下册期末混合运算专项练习#二年级#二年级数学下册#关注我持续更新小学知识 #知识分享 #家长收藏孩子受益.pdf
10.00金币
1下载
二年级数学下册年月日三类周期问题解题方法二年级数学下册年月日三类周期问题解题方法#二年级#二年级数学下册#知识分享 #关注我持续更新小学知识 #家长收藏孩子受益.pdf
10.00金币
0下载
二年级数学下册解决问题专项训练二年级数学下册解决问题专项训练#专项训练#解决问题#二年级#二年级数学下册#知识分享.pdf
10.00金币
1下载
二年级数学下册还原问题二年级数学下册还原问题#二年级#二年级数学#关注我持续更新小学知识 #知识分享 #家长收藏孩子受益.pdf
10.00金币
1下载
二年级数学下册第六单元考试卷家长打印出来给孩子测试测试争取拿到高分!#小学二年级试卷分享 #二年级第六单考试数学 #第六单考试#二年级数学下册.pdf
10.00金币
0下载
二年级数学下册必背顺口溜口诀汇总二年级数学下册必背顺口溜口诀汇总#二年级#二年级数学下册 #知识分享 #家长收藏孩子受益 #关注我持续更新小学知识.pdf
10.00金币
0下载
二年级数学下册《重点难点思维题》两大问题解决技巧和方法巧算星期几解决周期问题还原问题强化思维训练老师精心整理家长可以打印出来给孩子练习#家长收藏孩子受益 #学霸秘籍 #思维训练 #二年级 #知识点总结.pdf
10.00金币
0下载
二年级数学下册 必背公式大全寒假提前背一背开学更轻松#二年级 #二年级数学 #二年级数学下册 #寒假充电计划 #公式.pdf
10.00金币
0下载
蜗牛文库+ 关注
实名认证
内容提供者

提供各种专业文档内容

确认删除?
QQ
  • QQ点击这里给我发消息
微信客服
  • 微信客服
回到顶部