电脑桌面
添加蜗牛文库到电脑桌面
安装后可以在桌面快捷访问

GB 1886.236-2016 食品安全国家标准 食品添加剂 丙二醇脂肪酸酯.pdfVIP免费

GB 1886.236-2016 食品安全国家标准 食品添加剂 丙二醇脂肪酸酯.pdf_第1页
GB 1886.236-2016 食品安全国家标准 食品添加剂 丙二醇脂肪酸酯.pdf_第2页
GB 1886.236-2016 食品安全国家标准 食品添加剂 丙二醇脂肪酸酯.pdf_第3页
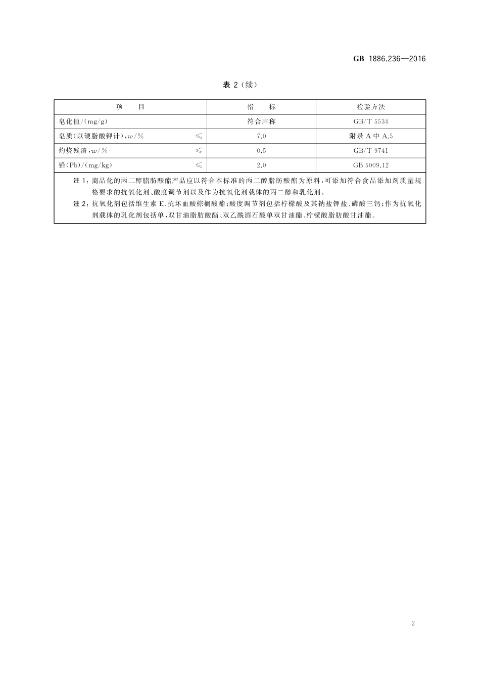
中华人民共和国国家标准GB1886.236—2016食品安全国家标准食品添加剂丙二醇脂肪酸酯2016-08-31发布2017-01-01实施中华人民共和国国家卫生和计划生育委员会发布GB1886.236—20161食品安全国家标准食品添加剂丙二醇脂肪酸酯1范围本标准适用于以脂肪酸或油脂与1,2-丙二醇反应生成的,经过或不经过分子蒸馏等加工得到的食品添加剂丙二醇脂肪酸酯。2结构式其中:R1和R2代表一个脂肪酸基团和氢(单酯时),两个脂肪酸基团(双酯时)。3技术要求3.1感官要求感官要求应符合表1的规定。表1感官要求项目要求检验方法色泽透明或白色至黄白色状态液体或珠状、片状或其他形状固体取适量样品置于清洁、干燥的白瓷盘中,在自然光线下,观察其色泽和状态3.2理化指标理化指标应符合表2的规定。表2理化指标项目指标检验方法总单丙二醇脂肪酸酯含量,w/%符合声称附录A中A.3游离丙二醇,w/%≤1.5附录A中A.3酸值(以KOH计)/(mg/g)≤4.0附录A中A.4羟值/(mg/g)符合声称GB/T7383乙酐法碘值/(g/100g)符合声称GB/T5532或GB/T13892GB1886.236—20162表2(续)项目指标检验方法皂化值/(mg/g)符合声称GB/T5534皂质(以硬脂酸钾计),w/%≤7.0附录A中A.5灼烧残渣,w/%≤0.5GB/T9741铅(Pb)/(mg/kg)≤2.0GB5009.12注1:商品化的丙二醇脂肪酸酯产品应以符合本标准的丙二醇脂肪酸酯为原料,可添加符合食品添加剂质量规格要求的抗氧化剂、酸度调节剂以及作为抗氧化剂载体的丙二醇和乳化剂。注2:抗氧化剂包括维生素E、抗坏血酸棕榈酸酯;酸度调节剂包括柠檬酸及其钠盐钾盐、磷酸三钙;作为抗氧化剂载体的乳化剂包括单,双甘油脂肪酸酯、双乙酰酒石酸单双甘油酯、柠檬酸脂肪酸甘油酯。GB1886.236—20163附录A检验方法A.1一般规定本标准除另有规定外,所用试剂的纯度应为分析纯,所用标准滴定溶液、杂质测定用标准溶液、制剂及制品,应按GB/T601、GB/T602、GB/T603的规定制备,试验用水应符合GB/T6682中三级水的规定。试验中所用溶液在未注明用何种溶剂配制时,均指水溶液。A.2鉴别试验试样不溶于水,可溶于乙醇、乙酸乙酯、三氯甲烷和其他氯化烃类。A.3总单丙二醇脂肪酸酯和游离丙二醇的测定A.3.1方法提要丙二醇脂肪酸酯或游离丙二醇和硅烷化试剂反应形成挥发性硅烷化衍生物,气相色谱测定。A.3.2试剂和材料A.3.2.1吡啶。A.3.2.2N,N-双三甲基硅三氟乙酰胺(BSTFA)。A.3.2.3三甲基氯硅烷(TMCS)。A.3.2.4十七烷(内标物)。A.3.2.51,2-丙二醇标准品。A.3.2.6丙二醇单硬脂酸酯标准品。注:不同的产品应选用对应单丙二醇脂肪酸酯...

1、当您付费下载文档后,您只拥有了使用权限,并不意味着购买了版权,文档只能用于自身使用,不得用于其他商业用途(如 [转卖]进行直接盈利或[编辑后售卖]进行间接盈利)。
2、本站所有内容均由合作方或网友上传,本站不对文档的完整性、权威性及其观点立场正确性做任何保证或承诺!文档内容仅供研究参考,付费前请自行鉴别。
3、如文档内容存在违规,或者侵犯商业秘密、侵犯著作权等,请点击“违规举报”。

碎片内容

蜗牛文库的最新文档

二年级数学下册其中检测卷二年级数学下册其中检测卷附答案#期中测试卷.pdf
10.00金币
0下载
二年级数学下册期末质检卷(苏教版)二年级数学下册期末质检卷(苏教版)#期末复习 #期末测试卷 #二年级数学 #二年级数学下册#关注我持续更新小学知识.pdf
10.00金币
0下载
二年级数学下册期末混合运算专项练习二年级数学下册期末混合运算专项练习#二年级#二年级数学下册#关注我持续更新小学知识 #知识分享 #家长收藏孩子受益.pdf
10.00金币
1下载
二年级数学下册年月日三类周期问题解题方法二年级数学下册年月日三类周期问题解题方法#二年级#二年级数学下册#知识分享 #关注我持续更新小学知识 #家长收藏孩子受益.pdf
10.00金币
0下载
二年级数学下册解决问题专项训练二年级数学下册解决问题专项训练#专项训练#解决问题#二年级#二年级数学下册#知识分享.pdf
10.00金币
1下载
二年级数学下册还原问题二年级数学下册还原问题#二年级#二年级数学#关注我持续更新小学知识 #知识分享 #家长收藏孩子受益.pdf
10.00金币
1下载
二年级数学下册第六单元考试卷家长打印出来给孩子测试测试争取拿到高分!#小学二年级试卷分享 #二年级第六单考试数学 #第六单考试#二年级数学下册.pdf
10.00金币
0下载
二年级数学下册必背顺口溜口诀汇总二年级数学下册必背顺口溜口诀汇总#二年级#二年级数学下册 #知识分享 #家长收藏孩子受益 #关注我持续更新小学知识.pdf
10.00金币
0下载
二年级数学下册《重点难点思维题》两大问题解决技巧和方法巧算星期几解决周期问题还原问题强化思维训练老师精心整理家长可以打印出来给孩子练习#家长收藏孩子受益 #学霸秘籍 #思维训练 #二年级 #知识点总结.pdf
10.00金币
0下载
二年级数学下册 必背公式大全寒假提前背一背开学更轻松#二年级 #二年级数学 #二年级数学下册 #寒假充电计划 #公式.pdf
10.00金币
0下载
蜗牛文库+ 关注
实名认证
内容提供者

提供各种专业文档内容

确认删除?
QQ
  • QQ点击这里给我发消息
微信客服
  • 微信客服
回到顶部